½ðʨ¹ó±ö»á

¿ª¹ØµçÔ´ ¿ª¹ØµçÔ´

DC-DC ½µÑ¹×ª»»Æ÷

Step-down DCDC converter
SCT2600QTVBR ÕýÔÚ¹©»õ
4.5V-60V Vin£¬£¬£¬£¬£¬0.6A£¬£¬£¬£¬£¬¸ßЧ½µÑ¹DCDCת»»Æ÷
¼ÓÈ빺Îï³µ
SCT2600QTVBR
  • ²úÆ·ÏÈÈÝ
  • ÊÖÒÕ×ÊÁÏ
  • ²ÎÊý±ÈÕÕ

²úÆ·ÌØÕ÷

ÌØÕ÷£º

•¿íÊäÈë¹æÄ££º4.5V-60V
•¸ß´ï0.6AµÄÒ»Á¬Êä³öµçÁ÷
•0.765V±2.5%·´Ïì²Î¿¼µçѹ
•¼¯³É500m?¸ßѹ²àMOSFET
•µÍ¾²Ì¬µçÁ÷Ϊ80uA
•Çá¸ºÔØÏµÄÂö³åÌø¹ýģʽ£¨PSM£©
•×îС½Óͨʱ¼ä80ns
•ÄÚÖÃ6msÈíÆô¶¯Ê±¼ä
•¿ª¹ØÆµÂÊΪ2.1MHz
•¿É±à³ÌÊäÈëµçÑ¹Ç·Ñ¹Ëø¶¨±£» £»¤£¨UVLO£©ãÐÖµºÍÖͺóµÄ׼ȷÆôÓÃãÐÖµ
•µÍѹ²îģʽ²Ù×÷
•¹ýѹºÍ¹ýÈȱ£» £»¤
•ÌṩTSOT23-6L·â×°


ÐÎò£º

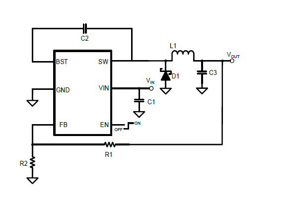
SCT2600QÊÇÒ»¿î0.6A½µÑ¹×ª»»Æ÷£¬£¬£¬£¬£¬¾ßÓпíÊäÈëµçѹ£¬£¬£¬£¬£¬´Ó4.5Vµ½60V£¬£¬£¬£¬£¬¼¯³ÉÁË500m?¸ßѹ²àMOSFET¡£¡£SCT2600Q½ÓÄÉ·åÖµµçÁ÷ģʽ¿ØÖÆ£¬£¬£¬£¬£¬Ö§³ÖÂö³åÌø¹ýµ÷ÖÆ£¨PSM£©£¬£¬£¬£¬£¬ÓÐÖúÓÚת»»Æ÷ÔÚÇá¸ºÔØ»ò´ý»ú״̬ÏÂʵÏÖ¸ßЧÂÊÌõ¼þ¡£¡£SCT2600Q¾ßÓÐÀο¿µÄ2.1MHz¿ª¹ØÆµÂÊ£¬£¬£¬£¬£¬¿É×îС»¯ÍⲿƬÍâÎÞÔ´Ôª¼þ³ß´ç²¢½µµÍÊä³ö¡£¡£SCT2600QÔÊÐí´Ó¸ßÊäÈëµçѹµ½µÍÊä³öµçѹµÄ¹¦ÂÊת»»£¬£¬£¬£¬£¬¸ßѹ²àMOSFETµÄ×îС¿ªÆôʱ¼äΪ80ns£¬£¬£¬£¬£¬²¢ÇÒ»¹Ö§³ÖµÍѹ²î²Ù×÷£¬£¬£¬£¬£¬Ê¹ÊäÈëºÍÊä³öÖ®¼äµÄµçѹ²î½ÏµÍ¡£¡£ÌṩÀο¿µÄ6msÈíÆô¶¯£¬£¬£¬£¬£¬ÒÔ±ÜÃâÊä³öµçѹбÆÂÆô¶¯Ê±´úµÄµçÁ÷£¬£¬£¬£¬£¬ÒÔ¼°ÄÚ²¿ÊµÏÖµÄÅâ³¥µç·£¬£¬£¬£¬£¬ÔÊÐí×°±¸Óë×îСµÄÍⲿ×é¼þÒ»ÆðʹÓᣡ£Ìṩѭ»·ÏÞÁ÷¡¢Èȹػú±£» £»¤¡¢Êä³ö¹ýѹ±£» £»¤ºÍÊäÈëǷѹ±£» £»¤,ÌṩTSOT23-6L·â×°¡£¡£


Ó¦Óãº

•12-V¡¢24-V¡¢48-V¹¤ÒµºÍµçÐŵçԴϵͳ
•¹¤Òµ×Ô¶¯»¯ºÍµç»ú¿ØÖÆ
•³µÁ¾Åä¼þ
•±ãЯʽÊÖ³ÖÒÇÆ÷
•±ãЯʽýÌå²¥·ÅÆ÷



·â×°ÐÅÏ¢

SCT2600QTVBR
+ -

²ÎÊý±ÈÕÕ

¼ÓÈë±ÈÕÕ
60V DC-DC½µÑ¹×ª»»Æ÷ DC-DC ½µÑ¹×ª»»Æ÷
±ÈÕÕ²ÎÊý
{{ goods }}
60V DC-DC½µÑ¹×ª»»Æ÷ DC-DC ½µÑ¹×ª»»Æ÷
{{ item.attr_name }} {{ vo }}
¡¾ÍøÕ¾µØÍ¼¡¿¡¾sitemap¡¿