½ðʨ¹ó±ö»á

¿ª¹ØµçÔ´ ¿ª¹ØµçÔ´
SCT12A6FOAR Ô¤Ðû²¼ÐÂÆ·
2.7V-20V ÊäÈëµçѹ£¬£¬£¬£¬22A¿ª¹ØµçÁ÷£¬£¬£¬£¬È«¼¯³É¸ßЧÂÊͬ²½Éýѹת»»Æ÷
¼ÓÈ빺Îï³µ
SCT12A6FOAR
  • ²úÆ·ÏÈÈÝ
  • ÊÖÒÕ×ÊÁÏ
  • ²ÎÊý±ÈÕÕ

²úÆ·ÌØÕ÷

ÌØÕ÷£º
 
  • ¿íÊäÈëµçѹ¹æÄ££º2.7V-20V
  • ¿íÊä³öµçѹ¹æÄ££º4.5V-21V
  • È«¼¯³ÉµÄ 10mΩ ¸ß²à FET ºÍ6.5mΩ µÍ²à FET
  • ¸ß´ï 22A µÄ¿ª¹ØµçÁ÷ºÍ¿É±à³Ì·åÖµµçÁ÷ÏÞ
  • µä·¶¹Ø¶ÏµçÁ÷£º5uA
  • ¾²Ì¬µçÁ÷£º170uA                                                  
  • 600KHzÀο¿¿ª¹ØÆµÂÊ                                                
  • ÇáÔØÌõ¼þÏ¿ÉÑ¡PFM¡¢USMºÍFPWM ģʽ
  • Ö§³Ö²¢ÁªÄ£Ê½                                                            
  • ÍⲿÈíÆôºÍÅâ³¥
  • Êä³ö¹ýѹ±£»£»¤
  • ¹ýÈȱ£»£»¤£º150°C
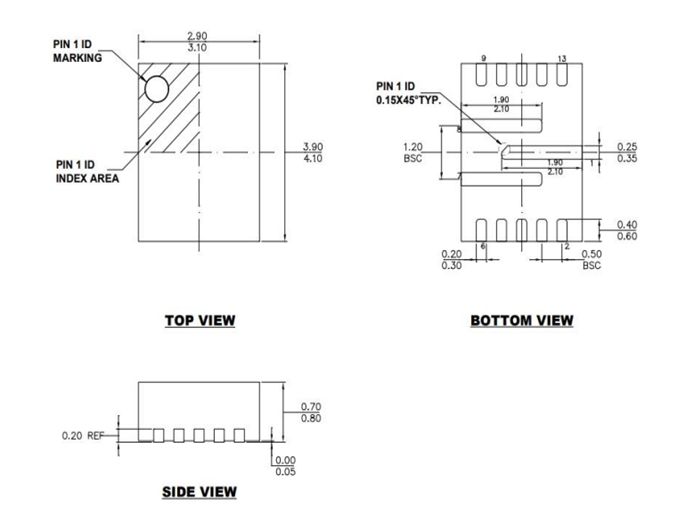
  • ½ÓÄÉ QFN-13  3mmx4mm ·â×°
 
ÐÎò£º
 
SCT12A6ÊÇÒ»¿î¸ßЧÂÊ£¬£¬£¬£¬È«¼¯³É 10mΩ ¸ß²àMOSFETºÍ6.5mΩµÍ²àµÄͬ²½Éýѹת»»Æ÷£¬£¬£¬£¬Ö§³Ö 2.7V ÖÁ 20V ÊäÈëµçѹ¹æÄ£ºÍ¸ß¿É´ï22A ¿ª¹ØµçÁ÷¡£¡£¡£¡£¡£ÊäÈ뿪¹ØµçÁ÷ÏÞ¿ÉÒÔͨ¹ýÍⲿµç×è¾ÙÐе÷Àí¡£¡£¡£¡£¡£
SCT12A6Ö§³Öµ¥½Ú¼¯³ÉµÍRdson MOSFETµÄï®µç³ØÊä³ö¸ß´ï30WµÄ¸ºÔع¦ÂÊ¡£¡£¡£¡£¡£SCT12A6½ÓÄÉ×Ô˳Ӧºã¶¨¹Ø¶Ïʱ¼ä·åÖµµçÁ÷¿ØÖÆÒÔÌṩ¿ìËÙ˲̬¡£¡£¡£¡£¡£ÍⲿÅâ³¥ÍøÂç¿ÉÎÞаÉèÖû·Â·¶¯Ì¬£¬£¬£¬£¬ÒÔʵÏÖÔÚ²î±ðµÄ¸ºÔØÌõ¼þ×î¼Ñ˲̬ÐÔÄÜ¡£¡£¡£¡£¡£
SCT12A6ÔÚÇáÔØÌõ¼þÏ¿ÉÑ¡PFM¡¢USMºÍFPWM ģʽ£¬£¬£¬£¬²¢ÇÒÌṩ²¢ÁªÄ£Ê½À´Ö§³Ö¸ü¸ßÊä³ö¹¦ÂÊ¡£¡£¡£¡£¡£¾ßÓÐÊÇ600kHzµÄÀο¿¿ª¹ØÆµÂÊ¡£¡£¡£¡£¡£
SCT12A6¾ßÓÐÊä³öµçѹ¹ýѹ±£»£»¤ºÍ¹ýÈȱ£»£»¤¹¦Ð§¡£¡£¡£¡£¡£
¸ÃÆ÷¼þ½ÓÄÉQFN-13 3mmx4mm·â×°¡£¡£¡£¡£¡£
 
 
Ó¦Óãº
 
  • À¶ÑÀÒôƵ
  • µç×ÓÑÌ
  • POS»ú
  • ÕÕÃ÷

·â×°ÐÅÏ¢

SCT12A6FOAR
+ -

ÊÖÒÕ×ÊÁÏ

ÎÊÌâ ʱ¼ä ÏÂÔØ
SCT12A6 Datasheet Rev 0.81 2024-12-25 ÏÂÔØ

²ÎÊý±ÈÕÕ

¼ÓÈë±ÈÕÕ
DC-DC Éýѹת»»Æ÷ ¿ª¹ØµçÔ´
±ÈÕÕ²ÎÊý
{{ goods }}
DC-DC Éýѹת»»Æ÷ ¿ª¹ØµçÔ´
{{ item.attr_name }} {{ vo }}
¡¾ÍøÕ¾µØÍ¼¡¿¡¾sitemap¡¿