½ðʨ¹ó±ö»á

¿ª¹ØµçÔ´ ¿ª¹ØµçÔ´

DC-DC ½µÑ¹×ª»»Æ÷

Step-down DCDC converter
SCT2613TVBR ÕýÔÚ¹©»õ
4.5V-60V Vin, 1A, ¸ßЧÂʽµÑ¹DCDCת»»Æ÷
¼ÓÈ빺Îï³µ
SCT2613TVBR
  • ²úÆ·ÏÈÈÝ
  • ÊÖÒÕ×ÊÁÏ
  • ²ÎÊý±ÈÕÕ

²úÆ·ÌØÕ÷

ÌØÕ÷£º
 
  • ¿íÊäÈëµçѹ¹æÄ££º4.5V-60V
  • 1AÒ»Á¬Êä³öµçÁ÷
  • 0.765V±2.5%·´Ïì²Î¿¼µçѹ
  • ¼¯³É500mΩ¸ß²à¹¦ÂÊMOSFET
  • µÍ¾²Ì¬µçÁ÷£º80uA
  • ÇáÔØPSMÊÂÇéģʽ
  • 80ns×îСµ¼Í¨Ê±¼ä
  • 6msÄÚ²¿ÈíÆô¶¯Ê±¼ä
  • ÄÚ²¿»·Â·Åâ³¥
  • 480kHz¿ª¹ØÆµÂÊ
  • ¿Éµ÷ÀíµÄÊäÈëÇ·Ñ¹Ëø¶¨ãÐÖµ¼°ÑÓ³Ù
  • µÍѹ²îģʽ
  • ¹ýѹ±£»£»£»£»¤ºÍ¹ýα£»£»£»£»¤
  • ½ÓÄÉTSOT23-6L ·â×°
 
ÐÎò£º
 
SCT2613ÊÇÒ»¿î1A½µÑ¹×ª»»Æ÷ £¬£¬£¬£¬£¬£¬¾ßÓÐ4.5VÖÁ60VµÄ¿íÊäÈëµçѹ¹æÄ£ £¬£¬£¬£¬£¬£¬¼¯³ÉÁË500m?¸ß²àMOSFET¡£¡£SCT2613½ÓÄÉ·åÖµµçÁ÷ģʽ¿ØÖÆ £¬£¬£¬£¬£¬£¬Ö§³Ö80uAµÍ¾²Ì¬µçÁ÷µÄPSMÊÂÇéģʽ £¬£¬£¬£¬£¬£¬ÓÐÖúÓÚת»»Æ÷ÔÚÇáÔØ»ò´ý»úÌõ¼þÏÂʵÏÖ¸ßЧÂÊ¡£¡£
SCT2613¾ßÓÐÀο¿µÄ480kHz¿ª¹ØÆµÂÊ £¬£¬£¬£¬£¬£¬¿É×î´óÏ޶ȵؼõСÍⲿԪÆ÷¼þµÄ³ß´ç²¢½µµÍÊä³öÎÆ²¨¡£¡£SCT2613ÔÊÐí´Ó¸ßÊäÈëµçѹµ½µÍÊä³öµçѹµÄ¹¦ÂÊת»» £¬£¬£¬£¬£¬£¬¸ß²àMOSFETµÄ×îСµ¼Í¨Ê±¼äΪ80ns £¬£¬£¬£¬£¬£¬»¹Ö§³Ö´ÓÊäÈëµ½Êä³öµÍµçѹ²îÖµµÄµÍѹ²î²Ù×÷¡£¡£
¸Ã×°±¸ÌṩÀο¿µÄ6msÈíÆô¶¯Ê±¼ä £¬£¬£¬£¬£¬£¬ÒÔ±ÜÃâÆô¶¯Ê±´ú±¬·¢µÄÀËÓ¿µçÁ÷ £¬£¬£¬£¬£¬£¬²¢ÔÚÄÚ²¿¼¯³ÉÅâ³¥µç· £¬£¬£¬£¬£¬£¬Ê¹¸Ã×°±¸Äܹ»Óë×îÉÙµÄÍⲿÆ÷¼þÒ»ÆðʹÓᣡ£
SCT2613ÌṩÖðÖÜÆÚµçÁ÷ÏÞÖÆ¡¢¹ýα£»£»£»£»¤¡¢Êä³ö¹ýѹ±£»£»£»£»¤ºÍÊäÈëǷѹ±£»£»£»£»¤¡£¡£¸Ã×°±¸½ÓÄÉTSOT23-6L·â×°¡£¡£
 
 
Ó¦Óãº
 
  • 12V¡¢24V¡¢48V¹¤ÒµºÍµçÐŵçԴϵͳ
  • ¹¤Òµ×Ô¶¯»¯ºÍµç»ú¿ØÖÆ
  • ³µÁ¾Åä¼þ
  • ±ãЯʽÊÖ³ÖÒÇÆ÷
  • ±ãЯʽýÌå²¥·ÅÆ÷

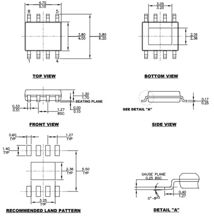
·â×°ÐÅÏ¢

SCT2613TVBR
+ -

ÊÖÒÕ×ÊÁÏ

ÎÊÌâ ʱ¼ä ÏÂÔØ
SCT2613TVBR-¿É¿¿ÐÔ±¨¸æ011029 2024-11-05 ÏÂÔØ
SCT2613 Datasheet Rev 1.2 2024-12-16 ÏÂÔØ

²ÎÊý±ÈÕÕ

¼ÓÈë±ÈÕÕ
60V DC-DC½µÑ¹×ª»»Æ÷ DC-DC ½µÑ¹×ª»»Æ÷
±ÈÕÕ²ÎÊý
{{ goods }}
60V DC-DC½µÑ¹×ª»»Æ÷ DC-DC ½µÑ¹×ª»»Æ÷
{{ item.attr_name }} {{ vo }}
¡¾ÍøÕ¾µØÍ¼¡¿¡¾sitemap¡¿