½ðʨ¹ó±ö»á

¿ª¹ØµçÔ´ ¿ª¹ØµçÔ´

DC-DC ½µÑ¹×ª»»Æ÷

Step-down DCDC converter
SCT2434CQFPAR ÕýÔÚ¹©»õ
3.6V-36V Vin, 3A, ¸ßЧÂÊͬ²½½µÑ¹DCDCת»»Æ÷
¼ÓÈ빺Îï³µ
SCT2434CQFPAR
  • ²úÆ·ÏÈÈÝ
  • ÊÖÒÕ×ÊÁÏ
  • ²ÎÊý±ÈÕÕ

²úÆ·ÌØÕ÷

ÌØÕ÷£º
 
  • AEC-Q100¼°¸ñ£¬£¬Ð§¹ûÈçÏ£º
  • -Æ÷¼þÎÂ¶ÈÆ·¼¶1£º-40°CÖÁ125°CÇéÐÎÊÂÇéζȹæÄ£
  • ¿íÊäÈëµçѹ¹æÄ££º3.6V-36V
  • Ò»Á¬Êä³öµçÁ÷3A 
  • 1V±1%·´Ïì²Î¿¼µçѹ
  • ¼¯³É60mΩ¸ß²à¹¦ÂÊMOSFETºÍ36mΩµÍ²à¹¦ÂÊMOSFET
  • ÇáÔØPSMÊÂÇéģʽ
  • ÔÚ˯ÃßģʽϾßÓÐ25uA¾²Ì¬µçÁ÷
  • 60ns×îСµ¼Í¨Ê±¼ä
  • 4msÄÚ²¿ÈíÆô¶¯Ê±¼ä
  • ¿ª¹ØÆµÂÊ2.1MHz
  • ¶¶Æµ£¨FSS£©¹¦Ð§ÓÃÓÚEMIÓÅ»¯
  • ¿Éµ÷ÀíµÄÊäÈëÇ·Ñ¹Ëø¶¨ãÐÖµ¼°ÑÓ³Ù
  • ²¢ÐÐÊäÈë·¾¶£¬£¬×î´óÏ޶ȼõС¿ªÊàŦµãÕñÁå
  • µÍѹ²îģʽ
  • ¿ÉÖ§³Ö¸ºÑ¹Êä³ö
  • ¹ýѹºÍ¹ýα£»£» £»¤
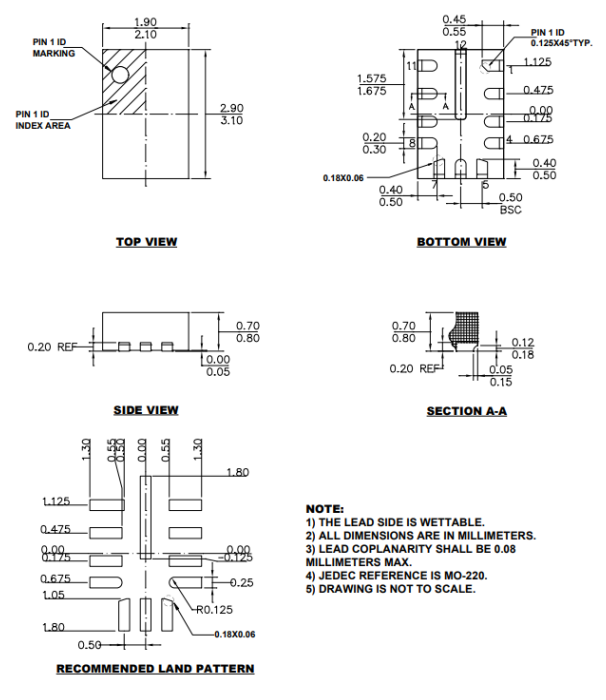
  • ½ÓÄÉ2mm*3mmµÄQFN-12L·â×°
 
ÐÎò£º
 
SCT2434CQÊÇ3Aͬ²½½µÑ¹×ª»»Æ÷£¬£¬¾ßÓÐ3.6VÖÁ36VµÄ¿íÊäÈëµçѹ¹æÄ££¬£¬¼¯³ÉÁË60m?¸ß²àMOSFETºÍ36m?µÍ²àMOSFET¡£¡£ ¡£¡£¡£SCT2434CQ½ÓÄÉ·åÖµµçÁ÷ģʽ¿ØÖÆ£¬£¬ÇáÔØPSMÊÂÇéģʽ£¬£¬¾ßÓе䷶µÄ25uAµÍ¾²Ì¬µçÁ÷£¬£¬ÓÐÖúÓÚת»»Æ÷ÔÚÇáÔØ»ò´ý»úÌõ¼þÏÂʵÏÖ¸ßЧÂÊ¡£¡£ ¡£¡£¡£
SCT2434CQ¾ßÓÐ4msµÄÄÚ²¿ÈíÆô¶¯Ê±¼ä£¬£¬¿É×èÖ¹Æô¶¯Àú³ÌÖзºÆð½Ï´óÀËÓ¿µçÁ÷ºÍÊä³öµçѹ¹ý³å¡£¡£ ¡£¡£¡ £¿£¿£¿ª¹ØÆµÂÊÀο¿Îª2.1MHz¡£¡£ ¡£¡£¡£SCT2434CQÔÊÐí´Ó¸ßÊäÈëµçѹµ½µÍÊä³öµçѹµÄ¹¦ÂÊת»»£¬£¬¸ß²àMOSFETµÄ×îСµ¼Í¨Ê±¼äΪ60ns¡£¡£ ¡£¡£¡£
SCT2434CQÊÇÒ»¿îµç´Å×ÌÈÅ£¨EMI£©ÓѺÃÐͽµÑ¹×ª»»Æ÷£¬£¬½ÓÄÉÓÅ»¯Éè¼ÆÒÔ½µµÍEMI¡£¡£ ¡£¡£¡£SCT2434CQµÄÌØµãÊǶ¶ÆµFSS¹¦Ð§£¬£¬¿ª¹ØÆµÂʵIJü¶¶¹æÄ£Îª±6%£¬£¬²ü¶¶ÖÜÆÚΪ¿ª¹ØÆµÂʵÄ1/512£¬£¬ÒÔ´ËÀ´ïÔÌ­EMI¡£¡£ ¡£¡£¡£
SCT2434CQÌṩÖðÖÜÆÚµçÁ÷ÏÞÖÆºÍ´òàùýµçÁ÷±£»£» £»¤¡¢¹ýα£»£» £»¤¡¢Êä³ö¹ýѹ±£»£» £»¤ºÍÊäÈëǷѹ±£»£» £»¤¡£¡£ ¡£¡£¡£¸Ã×°±¸½ÓÄÉ2mm*3mm QFN-12L·â×°ºÍ¿ÉʪÈó²àÒí¡£¡£ ¡£¡£¡£
 
 
Ó¦Óãº
 
  • Æû³µÐÅÏ¢ÓéÀÖºÍADAS
  • USB Type-C¹©µç£¬£¬USB³äµç
  • ¹¤ÒµºÍÒ½ÁÆÂþÑÜʽµçÔ´

·â×°ÐÅÏ¢

SCT2434CQFPAR
+ -

²ÎÊý±ÈÕÕ

¼ÓÈë±ÈÕÕ
40V DC-DC½µÑ¹×ª»»Æ÷ DC-DC ½µÑ¹×ª»»Æ÷
±ÈÕÕ²ÎÊý
{{ goods }}
40V DC-DC½µÑ¹×ª»»Æ÷ DC-DC ½µÑ¹×ª»»Æ÷
{{ item.attr_name }} {{ vo }}
¡¾ÍøÕ¾µØÍ¼¡¿¡¾sitemap¡¿