½ðʨ¹ó±ö»á

¿ª¹ØµçÔ´ ¿ª¹ØµçÔ´

DC-DC ½µÑ¹×ª»»Æ÷

Step-down DCDC converter
SCT9339STER ÕýÔÚ¹©»õ
3.8-30V Vin£¬£¬ £¬3AµÄͬ²½½µÑ¹DCDCת»»Æ÷
¼ÓÈ빺Îï³µ
SCT9339STER
  • ²úÆ·ÏÈÈÝ
  • ÊÖÒÕ×ÊÁÏ
  • ²ÎÊý±ÈÕÕ

²úÆ·ÌØÕ÷

ÌØÕ÷£º
 
  • 3.8V-30V¿íÊäÈëµçѹ¹æÄ£
  • ¸ß´ï3AµÄÒ»Á¬Êä³ö¸ºÔصçÁ÷
  • 0.8V±1%·´Ïì²Î¿¼µçѹ
  • ÍêÈ«¼¯³É85m?Rdson¸ß±ßMOSFETºÍ58mΩRdsnµÍ±ßMOSFET
  • 400kHz¿ª¹ØÆµÂÊ
  • Ç¿ÖÆÂö¿íµ÷ÖÆ£¨FPWM£©Ä£Ê½
  • 1uA¹Ø»úµçÁ÷
  • ×îСµ¼Í¨Ê±¼ä80ns
  • ¿É±à³ÌÊäÈëµçÑ¹Ç·Ñ¹Ëø¶¨±£»£»£»£»£»¤(UVLO)ãÐÖµºÍÖͺóµÄ׼ȷÆôÓÃãÐÖµ
  • µÍѹ²îģʽ
  • 4msÄÚÖÃÈíÆô¶¯Ê±¼ä
  • Êä³ö¹ýѹ±£»£»£»£»£»¤
  • 160°CʱµÄ¹ýα£»£»£»£»£»¤
  • ÌṩESOP-8°ü×°
 
 
ÐÎò£º
 
SCT9339ÊÇ3Aͬ²½½µÑ¹×ª»»Æ÷£¬£¬ £¬¾ßÓиߴï30VµÄ¿íÊäÈëµçѹ¹æÄ££¬£¬ £¬ÍêÈ«¼¯³ÉÁË85m?¸ß±ßMOSFETºÍ58mΩµÍ±ßMOSFET£¬£¬ £¬¿ÉʵÏÖ¸ßЧÂʵĽµÑ¹×ª»»¡£¡£ ¡£SCT9339½ÓÄɾßÓм¯³ÉÅâ³¥ÍøÂçµÄ·åÖµµçÁ÷ģʽ¿ØÖÆ£¬£¬ £¬×î´óÏ޶ȵØïÔ̭ƬÍâÔª¼þÊýÄ¿£¬£¬ £¬Ê¹SCT9339Éè¼Æ¼òÆÓ¡£¡£ ¡£SCT9339Ö§³ÖÇ¿ÖÆÂö¿íµ÷ÖÆÄ£Ê½£¨FPWM£©£¬£¬ £¬ÔÚÇáÔØÌõ¼þÏ»ñµÃµÍÊä³öµçÑ¹ÎÆ²¨¡£¡£ ¡£
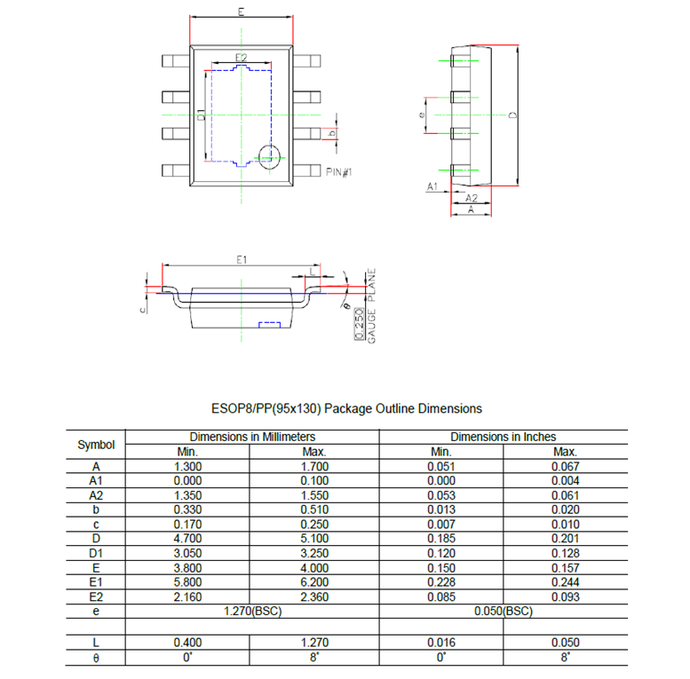
SCT9339ÌṩÊä³ö¹ýѹ±£»£»£»£»£»¤¡¢ÖðÖÜÆÚ·åÖµµçÁ÷ÏÞÖÆºÍ¹ýα£»£»£»£»£»¤¡£¡£ ¡£¸Ã×°±¸½ÓÄÉESOP-8·â×°¡£¡£ ¡£
 
 
Ó¦Óãº
 
  • °×É«¼Òµç
  • ¼à¿Ø
  • ÒôƵ¡¢WiFiÑïÉùÆ÷
  • ´òÓ¡»ú¡¢³äµçÕ¾
  • Êý×ÖµçÊÓ¡¢»ú¶¥ºÐ¡¢¼àÊÓÆ÷/LCDÏÔʾÆ÷

·â×°ÐÅÏ¢

SCT9339STER
+ -

ÊÖÒÕ×ÊÁÏ

ÎÊÌâ ʱ¼ä ÏÂÔØ
SCT9339 Datasheet Rev_1.6 2024-12-16 ÏÂÔØ

²ÎÊý±ÈÕÕ

¼ÓÈë±ÈÕÕ
30V DC-DC½µÑ¹×ª»»Æ÷ DC-DC ½µÑ¹×ª»»Æ÷
±ÈÕÕ²ÎÊý
{{ goods }}
30V DC-DC½µÑ¹×ª»»Æ÷ DC-DC ½µÑ¹×ª»»Æ÷
{{ item.attr_name }} {{ vo }}
¡¾ÍøÕ¾µØÍ¼¡¿¡¾sitemap¡¿