½ðʨ¹ó±ö»á

¿ª¹ØµçÔ´ ¿ª¹ØµçÔ´

DC-DC ½µÑ¹×ª»»Æ÷

Step-down DCDC converter
SCT9330STER ÕýÔÚ¹©»õ
3.8-30V Vin£¬£¬£¬3AµÄEMIÓѺÃͬ²½½µÑ¹DCDCת»»Æ÷
¼ÓÈ빺Îï³µ
SCT9330STER
  • ²úÆ·ÏÈÈÝ
  • ÊÖÒÕ×ÊÁÏ
  • ²ÎÊý±ÈÕÕ

²úÆ·ÌØÕ÷

ÌØÕ÷£º
 
  • ïÔÌ­EMI£¬£¬£¬¿ªÊàŦµãÎÞÕñÁå
  • 400kHz¿ª¹ØÆµÂÊ£¬£¬£¬±6%չƵ£¨FSS£©
  • 20uA¾²Ì¬µçÁ÷£¬£¬£¬ÇáÔØÌõ¼þÏÂÂö³åÌø¹ýģʽ£¨PSM£©
  • 3.8V-30V¿íÊäÈëµçѹ¹æÄ£
  • 0.8V±1%·´Ïì²Î¿¼µçѹ
  • ¼¯³É85m?Rdson¸ß±ßMOSFETºÍ58mΩ RdsonµÍ±ßMOSFET
  • 1uA¹Ø»úµçÁ÷
  • ×îСµ¼Í¨Ê±¼ä80ns
  • ¿É±à³ÌÊäÈëµçÑ¹Ç·Ñ¹Ëø¶¨±£»£»£»£»£»£»¤(UVLO)ãÐÖµºÍÖͺóµÄ׼ȷÆôÓÃãÐÖµ
  • 4msÄÚÖÃÈíÆô¶¯Ê±¼ä
  • µÍѹ²îģʽ
  • Êä³ö¹ýѹ±£»£»£»£»£»£»¤
  • 160°CʱµÄ¹ýα£»£»£»£»£»£»¤
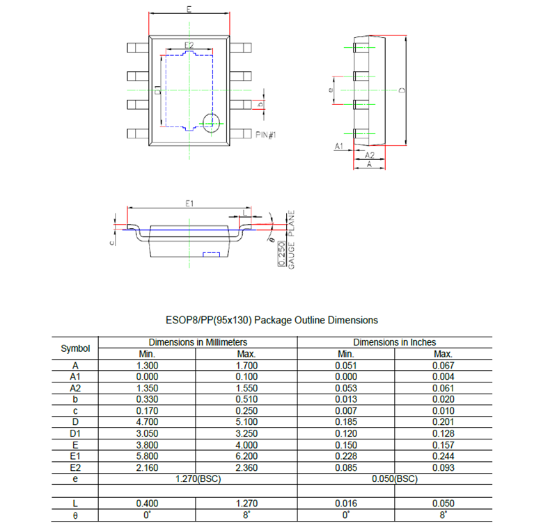
  • ÌṩESOP-8·â×°
 
 
ÐÎò£º
 
SCT9330ÊÇ3Aͬ²½½µÑ¹×ª»»Æ÷£¬£¬£¬¾ßÓиߴï30VµÄ¿íÊäÈëµçѹ¹æÄ££¬£¬£¬ÍêÈ«¼¯³ÉÁË85m?¸ß±ßMOSFETºÍ58mΩµÍ±ßMOSFET£¬£¬£¬¿ÉʵÏÖ¸ßЧÂʵĽµÑ¹×ª»»¡£¡£SCT9330½ÓÄɾßÓм¯³ÉÅâ³¥ÍøÂçµÄ·åÖµµçÁ÷ģʽ¿ØÖÆ£¬£¬£¬×î´óÏ޶ȵØïÔ̭ƬÍâÔª¼þÊýÄ¿£¬£¬£¬Ê¹SCT9330Éè¼Æ¼òÆÓ¡£¡£SCT9330Ö§³Öµä·¶Öµ20uA³¬µÍ¾²Ì¬µçÁ÷µÄÂö³åÌø¹ýµ÷ÖÆÄ£Ê½£¨PSM£©¡£¡£
SCT9330ÊÇÒ»¿îµç´Å×ÌÈÅ£¨EMI£©ÓѺÃÐͽµÑ¹×ª»»Æ÷£¬£¬£¬½ÓÄÉÓÅ»¯Éè¼ÆÒÔ½µµÍEMI¡£¡£SCT9330µÄÌØµãÊÇչƵFSS£¬£¬£¬400kHz¿ª¹ØÆµÂʵIJü¶¶¹æÄ£Îª±6%£¬£¬£¬¿ª¹ØÆµÂʵĵ÷ÖÆÖÜÆÚΪ512¸ö¿ª¹ØÖÜÆÚ£¬£¬£¬ÒÔïÔÌ­´«µ¼EMI¡£¡£¸Ãת»»ÓþßÓÐÌØÊâÉè¼ÆµÄÕ¤¼«Çý¶¯Æ÷¼Æ»®£¬£¬£¬¿ÉÔÚ²»ÎþÉüMOSFETµ¼Í¨ºÍ¹Ø¶Ïʱ¼äµÄÇéÐÎϼõС¿ªÊàŦµãÕñÁ壬£¬£¬´Ó¶ø½øÒ»²½Ïû³ýMOSFETÓ²¿ª¹ØÒýÆðµÄ¸ßƵ·øÉäEMIÔëÉù¡£¡£
SCT9330ÌṩÊä³ö¹ýѹ±£»£»£»£»£»£»¤¡¢ÖðÖÜÆÚ·åÖµµçÁ÷ÏÞÖÆºÍ¹ýα£»£»£»£»£»£»¤¡£¡£¸Ã×°±¸½ÓÄÉESOP-8·â×°¡£¡£
 
 
Ó¦Óãº
 
  • °×É«¼Òµç
  • ¼à¿Ø
  • ÒôƵ¡¢WiFiÑïÉùÆ÷
  • ´òÓ¡»ú¡¢³äµçÕ¾
  • Êý×ÖµçÊÓ¡¢»ú¶¥ºÐ¡¢¼àÊÓÆ÷/LCDÏÔʾÆ÷

·â×°ÐÅÏ¢

SCT9330STER
+ -

²ÎÊý±ÈÕÕ

¼ÓÈë±ÈÕÕ
30V DC-DC½µÑ¹×ª»»Æ÷ DC-DC ½µÑ¹×ª»»Æ÷
±ÈÕÕ²ÎÊý
{{ goods }}
30V DC-DC½µÑ¹×ª»»Æ÷ DC-DC ½µÑ¹×ª»»Æ÷
{{ item.attr_name }} {{ vo }}
¡¾ÍøÕ¾µØÍ¼¡¿¡¾sitemap¡¿