½ðʨ¹ó±ö»á

ϵͳ¼¯³É ϵͳ¼¯³É
SCT61441S-0004FDAR Ô¤Ðû²¼ÐÂÆ·
36V ÊäÈëµçѹ¡¢ËÄͨµÀµçÔ´ÖÎÀíоƬ£¬£¬ÊÊÓÃÓÚÇå¾²Òªº¦ÐÍÓ¦ÓÃ
¼ÓÈ빺Îï³µ
SCT61441S-0004FDAR
  • ²úÆ·ÏÈÈÝ
  • ÊÖÒÕ×ÊÁÏ
  • ²ÎÊý±ÈÕÕ

²úÆ·ÌØÕ÷

ÌØÕ÷£º

  • ͨ¹ýÆû³µÓ¦ÓÃÈÏÖ¤
  • ÇÐºÏ AEC-Q100 ±ê×¼£¬£¬ÏêϸЧ¹ûÈçÏ£º
    • Æ÷¼þÎÂ¶ÈÆ·¼¶ 1
  • ¿íÊäÈëµçѹ¹æÄ££º3.5V - 36V
  • µ¥Â·Í¬²½¸ßѹ Buck ת»»Æ÷ VOUT1£º
    • ×î´óÒ»Á¬Êä³öµçÁ÷ 3A
    • ¿ÉÑ¡Êä³öµçѹ£º3.3V / 3.7V / 4.6V / 5V
  • ˫·ͬ²½µÍѹ Buck ת»»Æ÷ VOUT2¡¢VOUT3£º
    • ×î´óÒ»Á¬Êä³öµçÁ÷ 2A
    • Êä³öµçѹ¹æÄ£ 0.8V ÖÁ 2.35V£¬£¬²½½ø 50mV
  • µ¥Â·µÍѹ²îÏßÐÔÎÈѹÆ÷ VOUT4£º
    • ×î´óÒ»Á¬Êä³öµçÁ÷ 400mA
    • ¿ÉÑ¡Êä³öµçѹ£º1.8V / 2.7V / 2.8V / 2.9V / 3.3V
  • ±1.5% ·´Ïì²Î¿¼µçѹ¾«¶È
  • Àο¿ 2.2MHz ¿ª¹ØÆµÂÊ£¬£¬¼¯³ÉƵÂʲü¶¶ÒÔÒÖÖÆ EMI
  • ¿ÉÑ¡µÄ FCCM/PFM ÇáÔØÊÂÇéģʽ
  • VOUT2¡¢VOUT3 ºÍ VOUT4 ¿É±à³ÌµçԴʱÐò¿ØÖÆ
  • RESETB Êä³ö£¬£¬ÓÃÓÚϵͳÖÎÀí
  • ÍⲿʱÖÓͬ²½
  • ¼òÆÓ/QA ¿´ÃŹ·
  • ¼¯³É±£»£»£»£»£»¤¹¦Ð§£º
    • ´òàÃʽ¹ýÁ÷±£»£»£»£»£»¤
    • Êä³ö¹ýѹ/Ƿѹ±£»£»£»£»£»¤
    • ¿Éµ÷ÊäÈëÇ·Ñ¹Ëø¶¨
    • Èȹضϱ£»£»£»£»£»¤
  • ¹¦Ð§Çå¾²ÌØÕ÷£º
    • ÇÐºÏ ISO26262 ¿ª·¢Á÷³Ì
    • Ó²¼þÍêÕûÐÔÖ§³Ö ASIL-B ¼¶ÏµÍ³
    • ͨ¹ý TÜV ÈÏÖ¤µÄ ASIL-B Æ÷¼þ
    • ÄÚÖÃ×Ô¼ì
  • ¸ß´ï 1MHz µÄ I²C ½Ó¿Ú£¬£¬¿ÉÑ¡ÅäÊý¾Ý°ü¹ýʧ¼ì²é¹¦Ð§
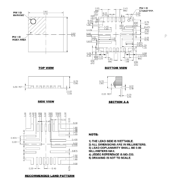
  • ·â×°ÐÎʽ£ºQFN-24£¨4mm × 4mm£©


ÐÎò£º


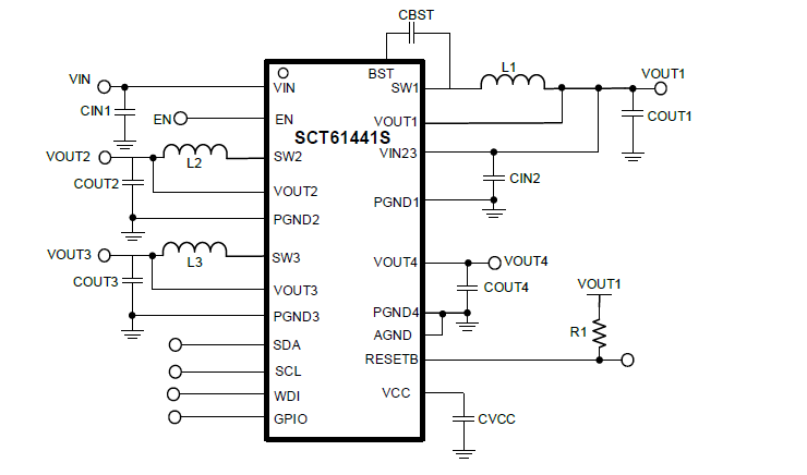
SCT61441S ÊÇÒ»¿î¿íÊäÈëµçѹ¹æÄ£¡¢ËÄͨµÀÊä³öµÄµçÔ´ÖÎÀíоƬ£¬£¬×¨Îª³µÔØÉãÏñÍ·Ä £¿£¿£¿£¿éÉè¼Æ¡£¡£¡£¡£

¸ÃÆ÷¼þ¼¯³ÉÁËÒ»¸ö 3A ¸ßѹ Buck ת»»Æ÷¡¢Á½¸ö 2A µÍѹ Buck ת»»Æ÷ÒÔ¼°Ò»¸ö 400mA LDO¡£¡£¡£¡£Ã¿¸öͨµÀÊä³ö¾ùÊܵ½Ò»Á¬¼à¿Ø£¬£¬Ò»µ©¼ì²âµ½¹ýѹ»òǷѹ¹ÊÕÏ£¬£¬Æ÷¼þ½«½øÈ븴λ״̬¡£¡£¡£¡£ËùÓÐÊä³öµçѹ¾ùΪԤ±à³ÌÉ趨£¬£¬ÎÞÐèÍⲿ·´Ïì·Öѹµç×裬£¬´ó·ù¾«¼òϵͳ¼Æ»®¡£¡£¡£¡£¸ßѹ Buck µÄ¿ª¹ØÆµÂÊ¿ÉÑ¡ 2.2MHz »ò 400kHz£»£»£»£»£»µÍѹ Buck ת»»Æ÷ÔòÀο¿Îª 2.2MHz ¿ª¹ØÆµÂÊ¡£¡£¡£¡£Æ÷¼þÖ§³ÖƵÂÊÀ©Æµ¹¦Ð§£¬£¬Æä¿ª¹ØÆµÂʲü¶¶·ù¶ÈÓëµ÷ÖÆÆµÂʾù¿É±à³Ì£¬£¬ÓÐÓýµµÍ´«µ¼ EMI¡£¡£¡£¡£

SCT61441S ¼¯³ÉÁ˼òÆÓ¿´ÃŹ·Ä£Ê½Óë QA ¿´ÃŹ·Ä£Ê½£¬£¬×¨ÓÃµÄ WDI Òý½Å¿ÉÎüÊÕ MCU ±¬·¢µÄ´¥·¢Âö³å¡£¡£¡£¡ £¿£¿£¿£¿É±à³ÌµÄ¿´ÃŹ·´°¿ÚÄܹ»ÊÊÅä¶àÖÖÓ¦Óó¡¾°¡£¡£¡£¡£RESETB Êä³ö¿É×÷Ϊ MCU µÄʱÐò¿ØÖÆÆ÷£¬£¬ÔÚÆ÷¼þ±¬·¢¹ÊÕÏʱ¶Ô MCU ʵÑé±£»£»£»£»£»¤¡£¡£¡£¡£

SCT61441S ¾ß±¸¶àÖÖ±£»£»£»£»£»¤¹¦Ð§£¬£¬°üÀ¨Èȹضϡ¢¶Ì·±£»£»£»£»£»¤ºÍ¹ýѹ±£»£»£»£»£»¤¡£¡£¡£¡£Í¨¹ý I²C ½Ó¿Ú½ûÓÃËùÓÐÊä³öͨµÀ¿É½«¾²Ì¬µçÁ÷½µÖÁ 0.85mA¡£¡£¡£¡£

¸ÃÆ÷¼þÄÚÖÃ×Լ칦Ч£¬£¬¿É¶ÔÄÚ²¿Ä£ÄâÓëÊý×ֵ緾ÙÐÐÉϵçÕï¶Ï£¬£¬ËùÓÐÒªº¦½ÏÁ¿Æ÷¼°Êý¾Ý¾ù»áÔÚÆô¶¯½×¶Î½ÓÊܼì²é¡£¡£¡£¡£

SCT61441S ½ÓÄÉ QFN-24£¨4mm × 4mm£©·â×°¡£¡£¡£¡£

Ó¦Óãº

  • ¸ß¼¶¼ÝÊ»¸¨Öúϵͳ
  • ** occupant¼à²âϵͳ / ¼ÝʻԱ¼à²âϵͳ**
  • Çå¾² MCU

·â×°ÐÅÏ¢

SCT61441S-0004FDAR
+ -

ÊÖÒÕ×ÊÁÏ

ÎÊÌâ ʱ¼ä ÏÂÔØ
SCT61441S Datasheet Rev 1.1 2026-02-12 ÏÂÔØ

²ÎÊý±ÈÕÕ

¼ÓÈë±ÈÕÕ
¶àͨµÀµçÔ´ÖÎÀíPMIC ϵͳ¼¯³É
±ÈÕÕ²ÎÊý
{{ goods }}
¶àͨµÀµçÔ´ÖÎÀíPMIC ϵͳ¼¯³É
{{ item.attr_name }} {{ vo }}
¡¾ÍøÕ¾µØÍ¼¡¿¡¾sitemap¡¿