½ðʨ¹ó±ö»á

¿ª¹ØµçÔ´ ¿ª¹ØµçÔ´

DC-DC ½µÑ¹×ª»»Æ÷

Step-down DCDC converter
SCT2361FPBR ÕýÔÚ¹©»õ
4-28V Vin,6Aͬ²½½µÑ¹DCDCת»»Æ÷¼¯³ÉÒ»¸ö3.3V 150mA LDO
¼ÓÈ빺Îï³µ
SCT2361FPBR
  • ²úÆ·ÏÈÈÝ
  • ÊÖÒÕ×ÊÁÏ
  • ²ÎÊý±ÈÕÕ

²úÆ·ÌØÕ÷

ÌØÕ÷£º
 
  • 4V-28V¿íÊäÈëµçѹ¹æÄ£
  • 0.6V-5.5VÊä³öµçѹ¹æÄ£
  • 6AÒ»Á¬Êä³öµçÁ÷
  • ¼¯³É¸ß±ß/µÍ±ßµ¼Í¨µç×è36m?/16mΩ¹¦ÂÊMOSFETs
  • ¼¯³É3.3V £¬ £¬£¬150mA LDO
  • Àο¿1msÈíÆô¶¯Ê±¼ä
  • Àο¿400KHz¿ª¹ØÆµÂÊ
  • ¿ÉÑ¡PWM¡¢PFMºÍUSM²Ù×÷ģʽ
  • ÖðÖÜÆÚµçÁ÷ÏÞÖÆ
  • Êä³ö¹ýѹ± £»£»£»£»¤
  • ¹ýα £»£»£»£»¤
  • ÌṩQFN 12Òý½Å3mmx3mm·â×°
 
ÐÎò£º
 
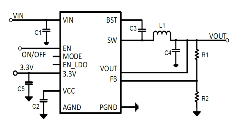
SCT2361ÊÇÒ»¿î¸ßЧͬ²½½µÑ¹DC-DCת»»Æ÷ £¬ £¬£¬¼¯³ÉÁË3.3V¡¢150mA LDO ¡£¡£SCT2361¾ßÓпíµÄ4V-28VÊäÈëµçѹ¹æÄ£ºÍµÍÖÁ0.6VµÄ¿Éµ÷Êä³öµçѹ £¬ £¬£¬¿ÉÌṩһÁ¬µÄ6AÊä³öµçÁ÷ ¡£¡£¸ÃÆ÷¼þÍêÈ«¼¯³ÉÁ×Æß±ßºÍµÍ±ß¹¦ÂÊMOSFET £¬ £¬£¬µ¼Í¨µç×èΪ36mΩ/16mΩ £¬ £¬£¬¿É×î´óÏ޶ȵØïÔÌ­µ¼Í¨ÏûºÄ ¡£¡£¼¯³É3.3VÊä³öLDOµÄµçÔ´ÔÚVinºÍת»»Æ÷Êä³öÖ®¼ä±£´æÂ·¾¶ÖÎÀí £¬ £¬£¬ÒÔʵÏÖ¸üµÍµÄ¹¦ºÄºÍ¸üºÃµÄÈÈÐÔÄÜ ¡£¡£
SCT2361½ÓÄɺ㶨µ¼Í¨Ê±¼ä£¨COT£©¿ØÖÆ £¬ £¬£¬¾ßÓпìËÙ˲̬ÏìÓ¦ºÍ»·Â·Îȹ̵ÄÓŵ㠡£¡£¸Ã²úÆ·ÄÚÖÃ1mSµÄÀο¿ÈíÆô¶¯Ê±¼ä £¬ £¬£¬ÒÔ±ÜÃâÊä³öµçѹбÆÂÆô¶¯Ê±´úµÄÀËÓ¿µçÁ÷ ¡£¡£¾ßÓÐPG¹¦Ð§ £¬ £¬£¬Åú×¢Êä³öµçѹÊÇ·ñÔÚ»®¶¨¹æÄ£ÄÚ ¡£¡£
SCT2361¾ßÓÐMODEÒý½Å £¬ £¬£¬Ñ¡ÔñÂö³åƵÂʵ÷ÖÆÄ£Ê½£¨PFM£©ÊµÏÖÇáÔØ½ÚÄÜ £¬ £¬£¬Ñ¡Ôñ³¬Éù²¨Ä£Ê½£¨USM£©¿ÉÒÔÔÚÇáÔØ»ò¿ÕÔØÌõ¼þϽ«ÊÂÇ鯵Âʼá³ÖÔÚÉùƵÒÔÉÏ £¬ £¬£¬»òÇ¿ÖÆÂö¿íµ÷ÖÆÄ£Ê½£¨PWM£©ÊµÏÖÈ«¸ºÔضεÄСÊä³öÎÆ²¨ ¡£¡£
ÌṩÖÜÈ«± £»£»£»£»¤ £¬ £¬£¬°üÀ¨¹ýÁ÷± £»£»£»£»¤¡¢Ç·Ñ¹± £»£»£»£»¤ºÍ¹ýα £»£»£»£»¤ ¡£¡£
¸Ãת»»Æ÷½öÐèÉÙÁ¿µÄÍⲿ×é¼þ £¬ £¬£¬²¢½ÓÄÉQFN-12£¨3mmx3mm£©·â×° ¡£¡£
 
 
Ó¦Óãº
 
  • Æû³µ
  • DTV¡¢¼àÊÓÆ÷/LCDÏÔʾÆ÷
  • ´òÓ¡»ú¡¢³äµçÕ¾
  • ¹¤ÒµPC

·â×°ÐÅÏ¢

SCT2361FPBR
+ -

ÊÖÒÕ×ÊÁÏ

ÎÊÌâ ʱ¼ä ÏÂÔØ
SCT2361 Datasheet Rev 1.3 2025-11-27 ÏÂÔØ

²ÎÊý±ÈÕÕ

¼ÓÈë±ÈÕÕ
30V DC-DC½µÑ¹×ª»»Æ÷ DC-DC ½µÑ¹×ª»»Æ÷
±ÈÕÕ²ÎÊý
{{ goods }}
30V DC-DC½µÑ¹×ª»»Æ÷ DC-DC ½µÑ¹×ª»»Æ÷
{{ item.attr_name }} {{ vo }}
¡¾ÍøÕ¾µØÍ¼¡¿¡¾sitemap¡¿