½ðʨ¹ó±ö»á

ϵͳ¼¯³É ϵͳ¼¯³É
SCT61242S-0066FHAR Ô¤Ðû²¼ÐÂÆ·
19V ÊäÈëµçѹ¡¢ËÄͨµÀµçÔ´ÖÎÀíоƬ£¬ £¬ÊÊÓÃÓÚÇå¾²Òªº¦ÐÍÓ¦ÓÃ
¼ÓÈ빺Îï³µ
SCT61242S-0066FHAR
  • ²úÆ·ÏÈÈÝ
  • ÊÖÒÕ×ÊÁÏ
  • ²ÎÊý±ÈÕÕ

²úÆ·ÌØÕ÷

ÌØÕ÷£º

  • ͨ¹ýÆû³µÓ¦ÓÃÈÏÖ¤
  • ÇÐºÏ AEC-Q100 ±ê×¼£¬ £¬ÏêϸЧ¹ûÈçÏ£º
    • Æ÷¼þÎÂ¶ÈÆ·¼¶ 1£ºÇéÐÎÊÂÇéζȹæÄ£ -40°C ÖÁ 125°C
  • ¿íÊäÈëµçѹ¹æÄ££º3.5V - 19V
  • Èý¸ö¸ßЧ½µÑ¹×ª»»Æ÷£º
    • HV Buck1£ºVout1 = 2.7V - 5V£¬ £¬²½½ø 100mV£¬ £¬×î´óÒ»Á¬Êä³öµçÁ÷ 2A
    • LV Buck2/3£ºVout2/3 = 0.6V - 2.15V£¬ £¬²½½ø 50mV£¬ £¬×î´óÒ»Á¬Êä³öµçÁ÷ 2A
  • Ò»¸öµÍѹ²îÏßÐÔÎÈѹÆ÷£º
    • LDO4£ºVout4 = 1.6V - 3.5V£¬ £¬²½½ø 50mV£¬ £¬×î´óÒ»Á¬Êä³öµçÁ÷ 300mA
    • ¸ß PSRR£º60dB@10kHz£¬ £¬60dB@100kHz£¬ £¬40dB@1MHz
    • µÍÔëÉù£º100Hz ÖÁ 100kHz ¹æÄ£ÄÚ×Ü»ý·ÖÔëÉùΪ 30μV rms
  • ±1.5% Êä³öµçѹ¾«¶È
  • 2.2MHz Àο¿¿ª¹ØÆµÂÊ
  • ¼¯³ÉƵÂʲü¶¶¹¦Ð§£¬ £¬ÓÃÓÚ EMI ÒÖÖÆ
  • ¿ÉÑ¡µÄÇáÔØÊÂÇéģʽ£ºFCCM / PSM
  • ¿É±à³ÌµçԴʱÐò¿ØÖÆ
  • ¿ÉÑ¡ RESETB Êä³öÀàÐÍ£º¿ªÂ© / ÍÆÍì
  • Á½¸ö GPIO£¬ £¬ÓÃÓÚÎÞаµÄϵͳÖÎÀí
  • ¼¯³É±£»£»£»¤¹¦Ð§£º
    • Êä³ö¹ýѹ / Ƿѹ±£»£»£»¤
    • ¹ýÁ÷±£»£»£»¤
    • ÊäÈëÇ·Ñ¹Ëø¶¨
    • ÊäÈë¹ýѹ±£»£»£»¤
    • Èȹضϱ£»£»£»¤£º175°C
  • ¹¦Ð§Çå¾²ÌØÕ÷£º
  • ÇÐºÏ ISO26262 ¿ª·¢Á÷³Ì
  • Ó²¼þÍêÕûÐÔÖ§³Ö ASIL-C ¼¶ÏµÍ³
  • ASIL-C Æ÷¼þÈÏÖ¤
  • QA Óë¼òÆÓ¿´ÃŹ·
  • ÄÚÖÃ×Ô¼ì
  • ¸ß´ï 1MHz µÄ I²C ½Ó¿Ú£¬ £¬¿ÉÑ¡ÅäÊý¾Ý°ü¹ýʧ¼ì²é¹¦Ð§
  • ·â×°ÐÎʽ£ºQFN-20L£¨2.5mm × 3.5mm£©£¬ £¬Ö§³Ö¿ÉÈóʪ²àÒí


ÐÎò£º

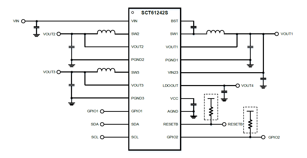
SCT61242S ÊÇÒ»¿îרΪ³µÔØÉãÏñͷϵͳÓÅ»¯Éè¼ÆµÄ¸ß¼¯³É¶ÈµçÔ´ÖÎÀíоƬ¡£¡£¡£¡£¡£Ëü¼¯³ÉÁËÈý¸ö¸ßЧͬ²½½µÑ¹×ª»»Æ÷£¨HV Buck1¡¢LV Buck2 ºÍ LV Buck3£©ÒÔ¼°Ò»¸ö¸ß PSRR¡¢µÍÔëÉù LDO£¨LDO4£©£¬ £¬ËùÓÐÊä³ö¾ùÖ§³Ö¹ýѹ/Ƿѹ¼à¿ØÓëÎÞаµÄµçԴʱÐò¿ØÖÆ¡£¡£¡£¡£¡£

Buck1 ÊäÈëµçѹ¹æÄ£Îª 3.5V ÖÁ 19V£¬ £¬ÊÊÓÃÓÚͬÖáµçÀ¹©µçÓ¦Óᣡ£¡£¡£¡£Buck2 Óë Buck3 ¹æ¸ñÏàͬ£¬ £¬ÓÉ Buck1 µÄÊä³ö¹©µç¡£¡£¡£¡£¡£Èý¸ö½µÑ¹×ª»»Æ÷¾ù¿ÉÔÚÇáÔØÌõ¼þÏÂÑ¡Ôñ FCCM »ò PSM ÊÂÇéģʽ£¬ £¬¿ª¹ØÆµÂÊΪ 2.2MHz£¬ £¬²¢¿ÉÑ¡Å䯵ÂÊÀ©Æµ¹¦Ð§ÒÔÒÖÖÆ EMI¡£¡£¡£¡£¡£LDO4 ÊÇÒ»¿î¸ß PSRR¡¢µÍÔëÉù LDO£¬ £¬×¨ÎªÄ£ÄâµçÔ´¹ìÉè¼Æ£¬ £¬×î´óÒ»Á¬Êä³öµçÁ÷´ï 300mA¡£¡£¡£¡£¡£ËùÓÐÊä³öµçѹ¾ùΪԤ±à³ÌÉ趨£¬ £¬ÎÞÐèÍⲿ·´Ïì·Öѹµç×裬 £¬ÓÐÓþ«¼òϵͳ¼Æ»®¡£¡£¡£¡£¡£

SCT61242S Å䱸Á½¸ö¿ÉÉèÖà GPIO Òý½Å£¬ £¬Ö§³ÖÎÞаµÄϵͳÖÎÀí¡£¡£¡£¡£¡£ÀýÈ磬 £¬GPIO1 ¿ÉÉèÖÃΪÍⲿµçѹ¼à¿ØÊäÈ룬 £¬GPIO2 ¿ÉÉèÖÃΪÍⲿÎÈѹÆ÷ʹÄÜÊä³ö£¬ £¬ÓÃÓÚ¼à²âºÍ¿ØÖÆÍⲿµçÔ´¹ì¡£¡£¡£¡£¡£

SCT61242S ¼¯³É¶àÖÖ±£»£»£»¤¹¦Ð§£¬ £¬°üÀ¨ÊäÈëǷѹ±£»£»£»¤¡¢ÊäÈë¹ýѹ±£»£»£»¤¡¢Êä³ö¹ýѹ/Ƿѹ±£»£»£»¤¡¢¹ýÁ÷±£»£»£»¤ÒÔ¼° 175°C Èȹضϱ£»£»£»¤¡£¡£¡£¡£¡£

¸ÃÆ÷¼þÄÚÖÃ×Լ칦Ч£¬ £¬¿É¶ÔÄÚ²¿Ä£ÄâÓëÊý×ֵ緾ÙÐÐÉϵç×ÔÕï¶Ï£¬ £¬ËùÓÐÒªº¦½ÏÁ¿Æ÷¼°Êý¾Ý¾ù»áÔÚÆô¶¯½×¶Î½ÓÊܼì²é¡£¡£¡£¡£¡£Í¬Ê±Ö§³Ö¿´ÃŹ·¹¦Ð§£¬ £¬Í¨¹ýÖÜÆÚÐÔ´¥·¢Âö³å»òÌØ¶¨µÄ I²C дÈë²Ù×÷¾ÙÐÐι¹·£¬ £¬ÇÒ׼ʱ´°¿Ú¿É±à³Ì£¬ £¬½øÒ»²½ÌáÉýϵͳÇå¾²ÐÔ¡£¡£¡£¡£¡£

SCT61242S ½ÓÄÉ 2.5mm × 3.5mm QFN-20L ·â×°£¬ £¬Ö§³Ö¿ÉÈóʪ²àÒí¹¤ÒÕ¡£¡£¡£¡£¡£


Ó¦Óãº

•ADAS
•Compact Camera Module
•Cabin Monitor

·â×°ÐÅÏ¢

SCT61242S-0066FHAR
+ -

ÊÖÒÕ×ÊÁÏ

ÎÊÌâ ʱ¼ä ÏÂÔØ
SCT61242S Datasheet Rev 1.0 2026-02-12 ÏÂÔØ

²ÎÊý±ÈÕÕ

¼ÓÈë±ÈÕÕ
¶àͨµÀµçÔ´ÖÎÀíPMIC ϵͳ¼¯³É
±ÈÕÕ²ÎÊý
{{ goods }}
¶àͨµÀµçÔ´ÖÎÀíPMIC ϵͳ¼¯³É
{{ item.attr_name }} {{ vo }}
¡¾ÍøÕ¾µØÍ¼¡¿¡¾sitemap¡¿