½ðʨ¹ó±ö»á

¹¦ÂÊ¿ØÖÆ ¹¦ÂÊ¿ØÖÆ
SCT55611QQZBR ÕýÔÚ¹©»õ
5~60V£¬£¬£¬£¬£¬ÈýÏàÎÞË¢Ö±Á÷µç»úÔ¤Çý¶¯Æ÷
¼ÓÈ빺Îï³µ
SCT55611QQZBR
  • ²úÆ·ÏÈÈÝ
  • ÊÖÒÕ×ÊÁÏ
  • ²ÎÊý±ÈÕÕ

²úÆ·ÌØÕ÷

ÌØÕ÷£º
 
  • ÇÐºÏÆû³µÓ¦Óñê×¼
  • ͨ¹ýAEC-Q100ÈÏÖ¤£¬£¬£¬£¬£¬Ïêϸָ±êÈçÏ£º
    ? Æ÷¼þÎÂ¶ÈÆ·¼¶1
  • ¿íÊÂÇéµçѹ¹æÄ££º5VÖÁ60V
  • ½ÓÄɵçºÉ±ÃÕ¤¼«Çý¶¯¹©µç
  • Ö§³Ö100%Õ¼¿Õ±ÈÊÂÇ飬£¬£¬£¬£¬¼¯³Éä¸Á÷³äµçµç·
  • ×î´ó·åÖµÀ­µçÁ÷£º1A
  • ×î´ó·åÖµ¹àµçÁ÷£º2A
  • ¼æÈÝ3.3VºÍ5VÂß¼­µçƽ
  • µÍ¹¦ºÄÐÝÃßģʽ
  • ¿Éµ÷ËÀÇøÊ±¼ä
  • ¹ÊÕÏָʾÊä³ö
  • ÖÜÈ«µÄ±£»£» £»£»¤¹¦Ð§
    ? ¹ýÁ÷±£»£» £»£»¤
    ? ¶Ì·±£»£» £»£»¤
    ? ÊäÈëÇ·Ñ¹Ëø¶¨
    ? Õ¤¼«Çý¶¯Ç·Ñ¹Ëø¶¨
    ? ×Ô¾ÙǷѹ±£»£» £»£»¤
    ? Èȹضϱ£»£» £»£»¤
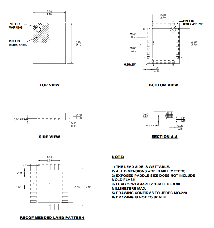
  • ¿ÉÑ¡·â×°£ºQFN-28L£¨4mm×5mm£©

 
ÐÎò£º
 

SCT55611Q ÊÇÒ»¿î¸ß¶È¼¯³ÉµÄÈýÏàÎÞË¢Ö±Á÷µç»úÕ¤¼«Çý¶¯Ð¾Æ¬¡£¡£¡£¸ÃÆ÷¼þÖ§³Ö 5V ÖÁ 60V µÄ¿íÊäÈëµçÔ´¹æÄ££¬£¬£¬£¬£¬¿ÉÇý¶¯ 3 ¸ö¸ß²à ºÍ 3 ¸öµÍ²à N ¹µµÀ MOSFET¡£¡£¡£

SCT55611Q Ö§³Ö 100% Õ¼¿Õ±È ÊÂÇ飬£¬£¬£¬£¬ÆäÄÚ²¿¼¯³ÉµÄ ä¸Á÷³äµçµç· ¿ÉÒ»Á¬Î¬³Ö¸ß²àÕ¤¼«Çý¶¯µçѹ¡£¡£¡£Æ÷¼þÖ§³Ö µÍ¹¦ºÄÐÝÃßģʽ£¬£¬£¬£¬£¬¿ÉʵÏÖ¼«µÍµÄ´ý»úµçÁ÷¡£¡£¡£

SCT55611Q ÌṩÖÜÈ«µÄ±£»£» £»£»¤¹¦Ð§£¬£¬£¬£¬£¬°üÀ¨£º¹ýÁ÷±£»£» £»£»¤¡¢¶Ì·±£»£» £»£»¤¡¢ÊäÈëÇ·Ñ¹Ëø¶¨¡¢Õ¤¼«Çý¶¯Ç·Ñ¹Ëø¶¨¡¢×Ô¾ÙǷѹ±£»£» £»£»¤ ÒÔ¼° Èȹضϱ£»£» £»£»¤¡£¡£¡£ËùÓйÊÕÏ״̬¾ùͨ¹ýÒ»¸ö ¿ªÂ©Êä³öÒý½Å ¾ÙÐÐָʾ¡£¡£¡£

¸ÃÆ÷¼þ½ÓÄÉ 4mm×5mm QFN-28L ·â×°£¬£¬£¬£¬£¬²¢¾ßÓР²àÃæ¿Éº¸ Éè¼Æ¡£¡£¡£

 
 
Ó¦Óãº
 
  • ÈýÏàÎÞË¢Ö±Á÷µç»ú
  • Æû³µÖ´ÐÐÆ÷¡¢µçÉȼ°±ÃÀà

·â×°ÐÅÏ¢

SCT55611QQZBR
+ -

ÊÖÒÕ×ÊÁÏ

ÎÊÌâ ʱ¼ä ÏÂÔØ
SCT55611Q Datasheet Rev 0.8 2026-01-29 ÏÂÔØ

²ÎÊý±ÈÕÕ

¼ÓÈë±ÈÕÕ
µç»úÇý¶¯Æ÷ ¹¦ÂÊ¿ØÖÆ
±ÈÕÕ²ÎÊý
{{ goods }}
µç»úÇý¶¯Æ÷ ¹¦ÂÊ¿ØÖÆ
{{ item.attr_name }} {{ vo }}
¡¾ÍøÕ¾µØÍ¼¡¿¡¾sitemap¡¿