½ðʨ¹ó±ö»á

¿ª¹ØµçÔ´ ¿ª¹ØµçÔ´

DC-DC ½µÑ¹×ª»»Æ÷

Step-down DCDC converter
SCT2330CTVBR ÕýÔÚ¹©»õ
3.8-28V Vin,3AµÄEMIÓѺÃͬ²½½µÑ¹DCDCת»»Æ÷
¼ÓÈ빺Îï³µ
SCT2330CTVBR
  • ²úÆ·ÏÈÈÝ
  • ÊÖÒÕ×ÊÁÏ
  • ²ÎÊý±ÈÕÕ

²úÆ·ÌØÕ÷

ÌØÕ÷£º
 
  • ïÔÌ­EMI £¬£¬£¬£¬£¬ £¬¿ªÊàŦµãÎÞÕñÁå
  • 400kHz¿ª¹ØÆµÂÊ £¬£¬£¬£¬£¬ £¬±6%չƵ£¨FSS£©
  • 25uA¾²Ì¬µçÁ÷ £¬£¬£¬£¬£¬ £¬ÇáÔØÌõ¼þϽÓÄÉÂö³åÌø¹ýģʽ£¨PSM£©
  • 3.8V-28V¿íÊäÈëµçѹ¹æÄ£
  • ¸ß´ï3AµÄÒ»Á¬Êä³ö¸ºÔصçÁ÷
  • 0.8V±1%·´Ïì²Î¿¼µçѹ
  • ÍêÈ«¼¯³É80m?Rdson¸ß±ßMOSFETºÍ42mΩ RdsonµÍ±ßMOSFET
  • 1uA¹Ø»úµçÁ÷
  • ×îСµ¼Í¨Ê±¼ä80ns
  • ¿É±à³ÌÊäÈëµçÑ¹Ç·Ñ¹Ëø¶¨±£»£»£»¤(UVLO)ãÐÖµºÍÖͺóµÄ׼ȷÆôÓÃãÐÖµ
  • 4msÄÚÖÃÈíÆô¶¯Ê±¼ä
  • Êä³ö¹ýѹ±£»£»£»¤
  • 160°CʱµÄ¹ýα£»£»£»¤
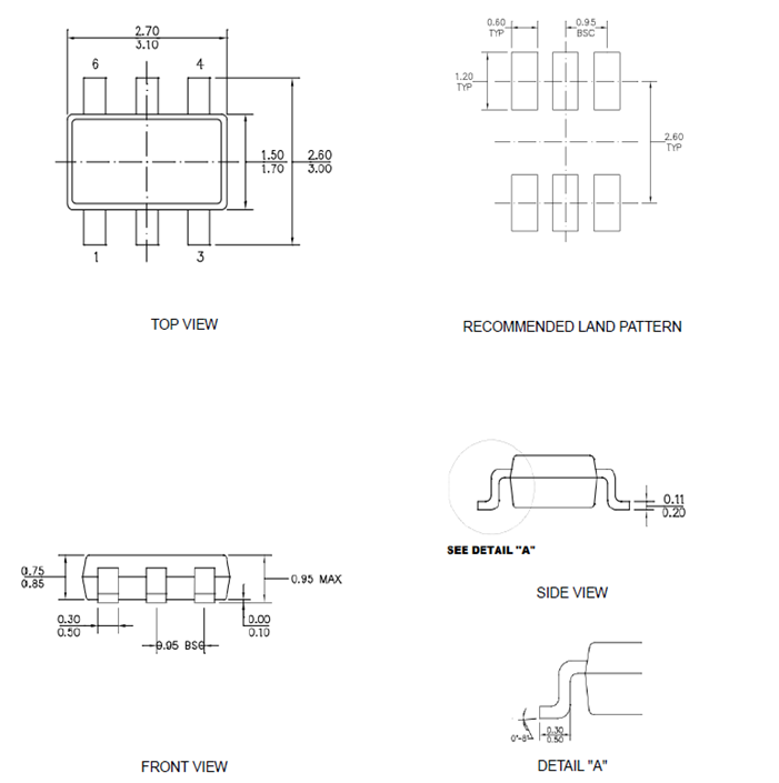
  • ÌṩTSOT23-6L·â×°
 
ÐÎò£º
 
SCT2330CÊÇ3Aͬ²½½µÑ¹×ª»»Æ÷ £¬£¬£¬£¬£¬ £¬¾ßÓиߴï28VµÄ¿íÊäÈëµçѹ¹æÄ£ £¬£¬£¬£¬£¬ £¬ÍêÈ«¼¯³ÉÁË80m?¸ß±ßMOSFETºÍ42mΩµÍ±ßMOSFET £¬£¬£¬£¬£¬ £¬¿ÉʵÏÖ¸ßЧÂʵĽµÑ¹×ª»»¡£¡£¡£¡£¡£¡£SCT2330C½ÓÄɾßÓм¯³ÉÅâ³¥ÍøÂçµÄ·åÖµµçÁ÷ģʽ¿ØÖÆ £¬£¬£¬£¬£¬ £¬×î´óÏ޶ȵØïÔ̭ƬÍâÔª¼þÊýÄ¿ £¬£¬£¬£¬£¬ £¬Ê¹SCT2330CÒ×ÓÚʹÓᣡ£¡£¡£¡£¡£SCT2330CÖ§³Öµä·¶µÄ25uA³¬µÍ¾²Ì¬µÄÂö³åÌø¹ýµ÷ÖÆÄ£Ê½£¨PSM£©¡£¡£¡£¡£¡£¡£
SCT2330CÊÇÒ»¿îµç´Å×ÌÈÅ£¨EMI£©ÓѺÃÐͽµÑ¹×ª»»Æ÷ £¬£¬£¬£¬£¬ £¬½ÓÄÉÓÅ»¯Éè¼ÆÒÔ½µµÍEMI¡£¡£¡£¡£¡£¡£SCT2330CµÄÌØµãÊÇչƵFSS £¬£¬£¬£¬£¬ £¬400kHz¿ª¹ØÆµÂʵIJü¶¶¹æÄ£Îª±6% £¬£¬£¬£¬£¬ £¬¿ª¹ØÆµÂʵĵ÷ÖÆÖÜÆÚΪ512¸ö¿ª¹ØÖÜÆÚ £¬£¬£¬£¬£¬ £¬ÒÔïÔÌ­´«µ¼EMI¡£¡£¡£¡£¡£¡£¸Ãת»»ÓþßÓÐÌØÊâÉè¼ÆµÄÕ¤¼«Çý¶¯Æ÷¼Æ»® £¬£¬£¬£¬£¬ £¬¿ÉÔÚ²»ÎþÉüMOSFETµ¼Í¨ºÍ¹Ø¶Ïʱ¼äµÄÇéÐÎϼõС¿ªÊàŦµãÕñÁå £¬£¬£¬£¬£¬ £¬´Ó¶ø½øÒ»²½Ïû³ýMOSFETÓ²¿ª¹ØÒýÆðµÄ¸ßƵ·øÉäEMIÔëÉù¡£¡£¡£¡£¡£¡£
SCT2330CÌṩÊä³ö¹ýѹ±£»£»£»¤¡¢ÖðÖÜÆÚ·åÖµµçÁ÷ÏÞÖÆºÍ¹ýα£»£»£»¤¡£¡£¡£¡£¡£¡£¸Ã×°±¸½ÓÄɱ¡ÐÍTSOT23-6L·â×°¡£¡£¡£¡£¡£¡£
 
 
Ó¦Óãº
 
  • °×É«¼Òµç
  • ¼à¿Ø
  • ÒôƵ¡¢WiFiÑïÉùÆ÷
  • ´òÓ¡»ú¡¢³äµçÕ¾
  • Êý×ÖµçÊÓ¡¢»ú¶¥ºÐ¡¢¼àÊÓÆ÷/LCDÏÔʾÆ÷

·â×°ÐÅÏ¢

SCT2330CTVBR
+ -

²ÎÊý±ÈÕÕ

¼ÓÈë±ÈÕÕ
30V DC-DC½µÑ¹×ª»»Æ÷ DC-DC ½µÑ¹×ª»»Æ÷
±ÈÕÕ²ÎÊý
{{ goods }}
30V DC-DC½µÑ¹×ª»»Æ÷ DC-DC ½µÑ¹×ª»»Æ÷
{{ item.attr_name }} {{ vo }}
¡¾ÍøÕ¾µØÍ¼¡¿¡¾sitemap¡¿