½ðʨ¹ó±ö»á

¿ª¹ØµçÔ´ ¿ª¹ØµçÔ´

DC-DC ½µÑ¹×ª»»Æ÷

Step-down DCDC converter
SCT24A0FDAR Ô¤Ðû²¼ÐÂÆ·
3.5V-36V ¿íÊäÈë¡¢10A ¸ßЧÂÊͬ²½½µÑ¹ DC-DC ת»»Æ÷
¼ÓÈ빺Îï³µ
SCT24A0FDAR
  • ²úÆ·ÏÈÈÝ
  • ÊÖÒÕ×ÊÁÏ
  • ²ÎÊý±ÈÕÕ

²úÆ·ÌØÕ÷

ÌØÕ÷£º
  • ¿íÊäÈëµçѹ¹æÄ££º3.5V - 36V
  • ×î¸ßÖ§³Ö10AÒ»Á¬Êä³öµçÁ÷
  • ÊÒÎÂÏ·´Ïì»ù×¼µçѹ£º1V ± 1%
  • ¼¯³É21mΩ¸ß²àÓë13mΩµÍ²à¹¦ÂÊMOSFET
  • ´ø¸¨ÖúµçÔ´5VÆ«ÖÃʱ¾²Ì¬µçÁ÷µÍÖÁ0.8μA
  • ×îСµ¼Í¨Ê±¼ä£º115ns
  • ÄÚ²¿ÈíÆô¶¯Ê±¼ä£º3.5ms
  • ¿Éµ÷¿ª¹ØÆµÂÊ£º200kHzÖÁ2.2MHz
  • Ö§³ÖÍⲿʱÖÓͬ²½
  • ¾ß±¸ÆµÂÊÀ©Õ¹ÆµÆ×µ÷ÖÆ¹¦Ð§ £¬£¬£¬£¬¿ÉÓÐÓýµµÍµç´Å×ÌÈÅ
  • Ö§³ÖÍⲿƫÖù©µçÒÔÌá¸ßЧÂÊ
  • ϸÃÜʹÄÜãÐÖµ £¬£¬£¬£¬¿Éµ÷ÀíÊäÈëÇ·Ñ¹Ëø¶¨±£»£»£»£»£»£»¤ãÐÖµ¼°³ÙÖ͵çѹ
  • ²¢ÁªÊäÈë·¾¶Éè¼Æ £¬£¬£¬£¬ÓÐÓÃÒÖÖÆ¿ªÊàŦµãÕñÁå
  • ¾ß±¸µÍѹ²î¹¦Ð§Óë×îСµ¼Í¨Ê±¼ä¹¦Ð§
  • µçÔ´Í£µ±Ö¸Ê¾ÐźÅ
  • ¹ýѹ¼°¹ýα£»£»£»£»£»£»¤
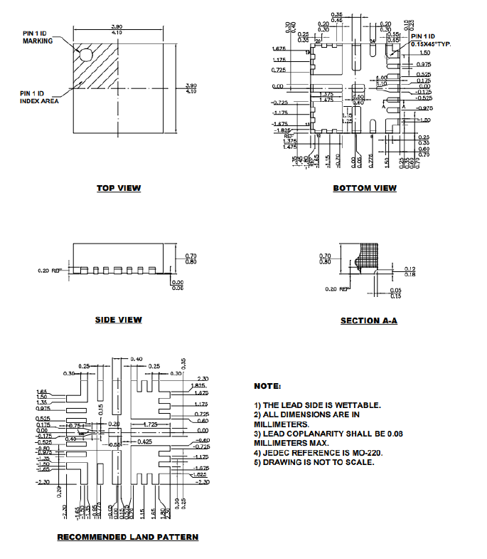
  • Ìṩ4mm×4mm FCQFN-24L·â×° £¬£¬£¬£¬²àÃæ¿Éº¸

ÐÎò£º

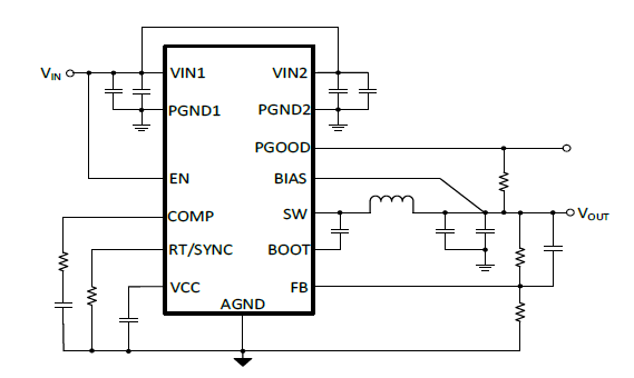
SCT24A0 ÊÇÒ»¿î¿íÊäÈëµçѹͬ²½½µÑ¹×ª»»Æ÷ £¬£¬£¬£¬ÊäÈë¹æÄ£ 3.5V ÖÁ 36V £¬£¬£¬£¬¿ÉÌṩ¸ß´ï 10A µÄÒ»Á¬Êä³öµçÁ÷¡£¡£¡£ÆäÄÚ²¿¼¯³Éµ¼Í¨µç×è»®·ÖΪ 21mΩ µÄ¸ß²à MOSFET ºÍ 13mΩ µÄµÍ²à MOSFET¡£¡£¡£¸ÃÆ÷¼þ½ÓÄÉ ·åÖµµçÁ÷ģʽ¿ØÖÆ £¬£¬£¬£¬²¢Ö§³Ö¾ßÓе䷶ 0.8μA£¨Æ«ÖõçѹΪ 5V ʱ£©µÍ¾²Ì¬µçÁ÷µÄ Âö³åÌøÔ¾µ÷ÖÆ £¬£¬£¬£¬ÓÐÖúÓÚÔÚÇáÔØ»ò´ý»úÌõ¼þÏÂʵÏÖ¸ßЧÂÊ¡£¡£¡£

SCT24A0 µÄ¿ª¹ØÆµÂÊ¿Éͨ¹ýÍⲿµç×èÔÚ 200kHz ÖÁ 2.2MHz ¹æÄ£ÄÚÎÞаµ÷Àí £¬£¬£¬£¬±ãÓÚÔÚϵͳЧÂʺÍÍâΧԪ¼þ³ß´çÖ®¼äʵÏÖÓÅ»¯Æ½ºâ¡£¡£¡£Í¬Ê± £¬£¬£¬£¬¸ÃÆ÷¼þÖ§³Ö 200kHz ÖÁ 2.2MHz ¹æÄ£ÄڵĠÍⲿʱÖÓͬ²½¡£¡£¡£±ðµÄ £¬£¬£¬£¬Æä¼¯³ÉµÄ LDO ¹¦Ð§ ºÍ×îСµ¼Í¨Ê±¼ä¹¦Ð§ £¬£¬£¬£¬Ê¹Æä¿ÉÔÚ¿íÕ¼¿Õ±È¹æÄ£ÄÚά³ÖÎȹÌÔËÐС£¡£¡£

SCT24A0 ÊÇÒ»¿î¶Ôµç´Å×ÌÈÅÓÅ»¯µÄ½µÑ¹×ª»»Æ÷ £¬£¬£¬£¬½ÓÄÉÏȽøÉè¼ÆÒÔ½µµÍ EMI¡£¡£¡£Æä ÆµÂÊÀ©Õ¹ÆµÆ×ÊÖÒՠͨ¹ý ±4% ¶¶Æµ¿ç¶È µÄÎ±Ëæ»úƵÂÊÌø±ä £¬£¬£¬£¬ÏÔÖø½µµÍ´«µ¼µç´Å×ÌÈÅ¡£¡£¡£

¸ÃÆ÷¼þÌṩ ÖðÖÜÆÚµçÁ÷ÏÞÖÆ ºÍ ´òàÃʽ¹ýÁ÷±£»£»£»£»£»£»¤¡¢Èȹضϱ£»£»£»£»£»£»¤¡¢Êä³ö¹ýѹ±£»£»£»£»£»£»¤ ÒÔ¼° ÊäÈëǷѹ±£»£»£»£»£»£»¤¡£¡£¡£²úÆ·½ÓÄÉ 4mm×4mm FCQFN-24L ·â×° £¬£¬£¬£¬¾ßÓвàÃæ¿Éº¸ÌØÕ÷¡£¡£¡£



Ó¦Óãº

  • USB Type-C ¹©µçÓë³äµç

  • ¹¤ÒµÓëÒ½ÁÆÂþÑÜʽµçԴϵͳ

  • ´óÐÍÇå½à»úеÈË

·â×°ÐÅÏ¢

SCT24A0FDAR
+ -

ÊÖÒÕ×ÊÁÏ

ÎÊÌâ ʱ¼ä ÏÂÔØ
SCT24A0 Datasheet Rev.0.81.pdf 2026-01-28 ÏÂÔØ

²ÎÊý±ÈÕÕ

¼ÓÈë±ÈÕÕ
40V DC-DC½µÑ¹×ª»»Æ÷ DC-DC ½µÑ¹×ª»»Æ÷
±ÈÕÕ²ÎÊý
{{ goods }}
40V DC-DC½µÑ¹×ª»»Æ÷ DC-DC ½µÑ¹×ª»»Æ÷
{{ item.attr_name }} {{ vo }}
¡¾ÍøÕ¾µØÍ¼¡¿¡¾sitemap¡¿