½ðʨ¹ó±ö»á

¿ª¹ØµçÔ´ ¿ª¹ØµçÔ´

DC-DC ½µÑ¹×ª»»Æ÷

Step-down DCDC converter
SCT2444QFNAR Ô¤Ðû²¼ÐÂÆ·
3.5V-36V ¿íÊäÈë¡¢4A ¸ßЧÂÊͬ²½½µÑ¹ DC-DC ת»»Æ÷
¼ÓÈ빺Îï³µ
SCT2444QFNAR
  • ²úÆ·ÏÈÈÝ
  • ÊÖÒÕ×ÊÁÏ
  • ²ÎÊý±ÈÕÕ

²úÆ·ÌØÕ÷

ÌØÕ÷£º

  • ÇÐºÏÆû³µÓ¦Óñê×¼
  • ͨ¹ýAEC-Q100ÈÏÖ¤£¬£¬£¬£¬£¬Ïêϸָ±êÈçÏ£º
  • Æ÷¼þÎÂ¶ÈÆ·¼¶1£ºÇéÐÎÊÂÇéζȹæÄ£ -40°C ÖÁ 125°C
  • ¿íÊäÈëµçѹ¹æÄ££º3.5V-36V
  • ×î´óÒ»Á¬Êä³öµçÁ÷£º4A
  • ·´Ïì²Î¿¼µçѹ£º1V ±1.5%
  • ¼¯ÀÖ³ÉÂÊMOSFET£º¸ß²à30mΩ£¬£¬£¬£¬£¬µÍ²à18mΩ
  • µÍ¾²Ì¬µçÁ÷£ºVBIASÅþÁ¬ÖÁ5V¸¨ÖúµçԴʱ£¬£¬£¬£¬£¬½ö13μA
  • ×îСµ¼Í¨Ê±¼ä£º60ns
  • ÄÚ²¿ÈíÆô¶¯Ê±¼ä£º4ms
  • ¿Éµ÷¿ª¹ØÆµÂÊ£º200kHz ÖÁ 1.8MHz
  • Ö§³ÖÍⲿʱÖÓͬ²½
  • ƵÂÊÀ©Æµµ÷ÖÆ£ºÓÐÓýµµÍµç´Å×ÌÈÅ
  • ¿ÉÑ¡ÍⲿƫÖÃÒÔÌá¸ßЧÂÊ
  • ²¢ÁªÊäÈë·¾¶£º×îºéÁ÷ƽïÔÌ­¿ªÊàŦµãÕñÁå
  • µÍѹ²îģʽÔËÐÐ
  • ¹ýѹºÍ¹ýα£»£»£»¤
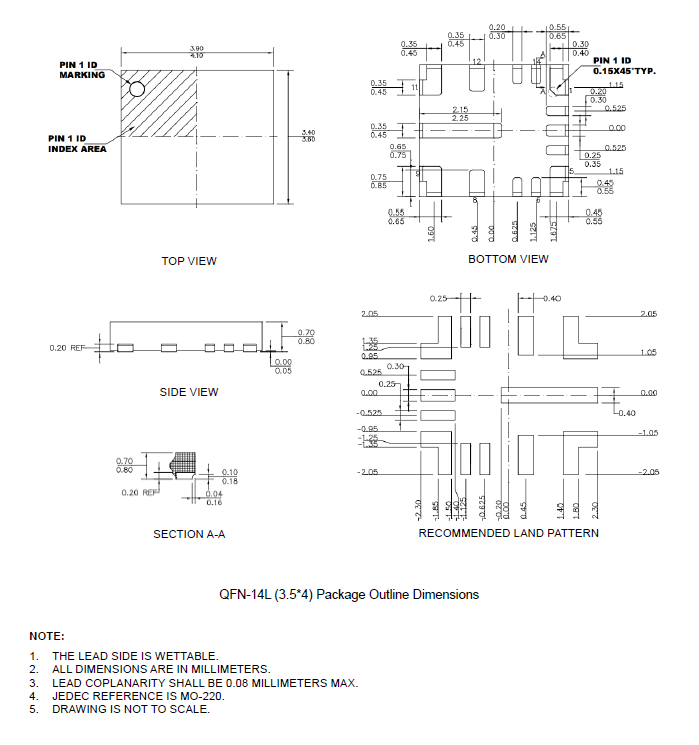
  • ·â×°£º3.5mm×4mm QFN-14L



ÐÎò£º

SCT2444Q ÊÇÒ»¿î¿íÊäÈëµçѹͬ²½½µÑ¹×ª»»Æ÷£¬£¬£¬£¬£¬ÊäÈë¹æÄ£ 3.5V ÖÁ 36V£¬£¬£¬£¬£¬¿ÉÌṩ¸ß´ï 4A µÄÒ»Á¬Êä³öµçÁ÷¡£¡£¡£¡£¡£¡£ÆäÄÚ²¿¼¯³ÉÁ˵¼Í¨µç×è»®·ÖΪ 30mΩ µÄ¸ß²à MOSFET ºÍ 18mΩ µÄµÍ²à MOSFET¡£¡£¡£¡£¡£¡£¸ÃÆ÷¼þ½ÓÄÉ ·åÖµµçÁ÷ģʽ¿ØÖÆ£¬£¬£¬£¬£¬²¢Ö§³Ö¾ßÓе䷶ 13μA£¨Æ«Öõçѹ VBIAS=5V ʱ£©µÍ¾²Ì¬µçÁ÷µÄÂö³åÌøÔ¾µ÷ÖÆ¹¦Ð§£¬£¬£¬£¬£¬ÓÐÖúÓÚÔÚÇáÔØ»ò´ý»úÌõ¼þÏÂʵÏÖ¸ßЧÂÊ¡£¡£¡£¡£¡£¡£

SCT2444Q µÄ¿ª¹ØÆµÂÊ¿Éͨ¹ýÍⲿµç×èÔÚ 200 kHz ÖÁ 1.8 MHz ¹æÄ£ÄÚµ÷Àí£¬£¬£¬£¬£¬´Ó¶øÎÞаÓÅ»¯ÏµÍ³Ð§ÂÊ»òÍⲿԪ¼þ³ß´ç¡£¡£¡£¡£¡£¡£Í¬Ê±£¬£¬£¬£¬£¬¸ÃÆ÷¼þÖ§³Ö 200kHz ÖÁ 1.8MHz ¹æÄ£ÄÚµÄÍⲿʱÖÓͬ²½¡£¡£¡£¡£¡£¡£ÒÀ¸½Æä¸ß²à MOSFET µÄ×îСµ¼Í¨Ê±¼ä½öΪ 60ns£¬£¬£¬£¬£¬SCT2444Q Äܹ»ÊµÏÖ´Ó¸ßÊäÈëµçѹµ½µÍÊä³öµçѹµÄ¸ßЧ¹¦ÂÊת»»¡£¡£¡£¡£¡£¡£

SCT2444Q ÊÇÒ»¿î¶Ôµç´Å×ÌÈÅÓÅ»¯µÄ½µÑ¹×ª»»Æ÷£¬£¬£¬£¬£¬½ÓÄÉÏȽøÉè¼ÆÒÔ½µµÍ EMI¡£¡£¡£¡£¡£¡£ÆäƵÂÊÀ©ÆµÊÖÒÕÒÔ 500kHz ¿ª¹ØÆµÂÊΪ»ù´¡£¡£¡£¡£¡£¡£¬£¬£¬£¬£¬Ìṩ ±6% µÄ¶¶Æµ¿ç¶È£¬£¬£¬£¬£¬µ÷ÖÆÆµÂÊΪ¿ª¹ØÆµÂʵĠ1/512£¬£¬£¬£¬£¬¿ÉÓÐÓýµµÍ´«µ¼µç´Å×ÌÈÅ¡£¡£¡£¡£¡£¡£

¸ÃÆ÷¼þÌṩ ÖðÖÜÆÚµçÁ÷ÏÞÖÆ ºÍ ´òàÃʽ¹ýÁ÷±£»£»£»¤¡¢Èȹضϱ£»£»£»¤¡¢Êä³ö¹ýѹ±£»£»£»¤ ÒÔ¼° ÊäÈëǷѹ±£»£»£»¤¡£¡£¡£¡£¡£¡£²úÆ·½ÓÄÉ 3.5mm×4mm QFN-14L ·â×°¡£¡£¡£¡£¡£¡£


Ó¦Óãº

  • USB Type-C ¹©µçÓë³äµç
  • ¹¤Òµ×Ô¶¯»¯
  • ¹¤ÒµÓëÒ½ÁÆÂþÑÜʽµçԴϵͳ
  • Æû³µºó×°Êг¡Ó¦ÓÃ

·â×°ÐÅÏ¢

SCT2444QFNAR
+ -

ÊÖÒÕ×ÊÁÏ

ÎÊÌâ ʱ¼ä ÏÂÔØ
SCT2444Q Datasheet Rev. 0.8 2026-01-28 ÏÂÔØ

²ÎÊý±ÈÕÕ

¼ÓÈë±ÈÕÕ
40V DC-DC½µÑ¹×ª»»Æ÷ DC-DC ½µÑ¹×ª»»Æ÷
±ÈÕÕ²ÎÊý
{{ goods }}
40V DC-DC½µÑ¹×ª»»Æ÷ DC-DC ½µÑ¹×ª»»Æ÷
{{ item.attr_name }} {{ vo }}
¡¾ÍøÕ¾µØÍ¼¡¿¡¾sitemap¡¿