½ðʨ¹ó±ö»á

¿ª¹ØµçÔ´ ¿ª¹ØµçÔ´

DC-DC ½µÑ¹×ª»»Æ÷

Step-down DCDC converter
SCT2434DFPAR Ô¤Ðû²¼ÐÂÆ·
3.6V-36V ¿íÊäÈëµçѹ¡¢3A ¸ßЧÂÊͬ²½½µÑ¹ DC-DC ת»»Æ÷
¼ÓÈ빺Îï³µ
SCT2434DFPAR
  • ²úÆ·ÏÈÈÝ
  • ÊÖÒÕ×ÊÁÏ
  • ²ÎÊý±ÈÕÕ

²úÆ·ÌØÕ÷

ÌØÕ÷£º

  • ¿íÊäÈëµçѹ¹æÄ££º3.6V-36V
  • ×î´óÒ»Á¬Êä³öµçÁ÷£º3A
  • ·´Ïì»ù×¼µçѹ£º0.8V
  • ¼¯³ÉMOSFET£º¸ß²à 60mΩ£¬£¬£¬£¬£¬µÍ²à 36mΩ
  • Âö³åÌøÔ¾Ä£Ê½£ºÐÝÃßģʽϾ²Ì¬µçÁ÷Ϊ 30μA
  • ×îСµ¼Í¨Ê±¼ä£º60ns
  • ÄÚ²¿ÈíÆô¶¯Ê±¼ä£º4ms
  • ¿ª¹ØÆµÂʿɵ÷£º200kHz-2.2MHz
  • ƵÂÊÀ©Õ¹ÆµÆ×µ÷ÖÆ£º¿É½µµÍµç´Å×ÌÈÅ
  • ϸÃÜʹÄÜãÐÖµ£º¿Éµ÷ÀíÊäÈëÇ·Ñ¹Ëø¶¨±£»£»£»£»£»£»¤ãÐÖµ¼°³ÙÖÍ
  • ²¢ÁªÊäÈë·¾¶£º¿ÉÒÖÖÆ¿ªÊàŦµãÕñÁå
  • µÍѹ²îģʽÊÂÇé
  • ¹ýѹÓë¹ýα£»£»£»£»£»£»¤
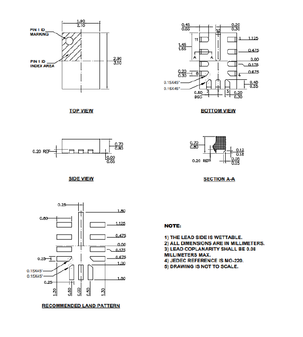
  • ·â×°£º2mm×3mm QFN-12L


ÐÎò£º

SCT2434D ÊÇÒ»¿î¿íÊäÈëµçѹͬ²½½µÑ¹×ª»»Æ÷£¬£¬£¬£¬£¬ÊäÈë¹æÄ£ 3.6V ÖÁ 36V£¬£¬£¬£¬£¬¿ÉÌṩ¸ß´ï 3A µÄÒ»Á¬Êä³öµçÁ÷¡£¡£¡£¡£¡£Ëü¼¯³ÉÁ˵¼Í¨µç×è»®·ÖΪ 60mΩ µÄ¸ß²à MOSFET ºÍ 36mΩ µÄµÍ²à MOSFET¡£¡£¡£¡£¡£¸ÃÆ÷¼þ½ÓÄÉ ·åÖµµçÁ÷ģʽ¿ØÖÆ£¬£¬£¬£¬£¬²¢Ö§³Ö¾ßÓе䷶ 30μA µÍ¾²Ì¬µçÁ÷µÄÂö³åÌøÔ¾µ÷ÖÆ£¬£¬£¬£¬£¬ÓÐÖúÓÚÔÚÇáÔØ»ò´ý»úÌõ¼þÏÂʵÏÖ¸ßЧÂÊ¡£¡£¡£¡£¡£

SCT2434D ¾ß±¸ 4ms µÄÄÚ²¿ÈíÆô¶¯Ê±¼ä£¬£¬£¬£¬£¬¿ÉÓÐÓÃÒÖÖÆÆô¶¯Ê±µÄÀËÓ¿µçÁ÷ºÍÊä³öµçѹ¹ý³å¡£¡£¡£¡£¡£Æä¿ª¹ØÆµÂÊ¿Éͨ¹ýÍⲿµç×èÔÚ 200kHz ÖÁ 2.1MHz ¹æÄ£ÄÚÉ趨¡£¡£¡£¡£¡£ÒÀ¸½Æä¸ß²à MOSFET µÄ×îСµ¼Í¨Ê±¼ä½öΪ 60ns£¬£¬£¬£¬£¬SCT2434D Äܹ»ÊµÏÖ´Ó¸ßÊäÈëµçѹµ½µÍÊä³öµçѹµÄ¸ßЧ¹¦ÂÊת»»¡£¡£¡£¡£¡£

SCT2434D ÊÇÒ»¿î¶Ôµç´Å×ÌÈÅÓѺõĽµÑ¹×ª»»Æ÷£¬£¬£¬£¬£¬½ÓÄÉÓÅ»¯Éè¼ÆÒÔ½µµÍ EMI¡£¡£¡£¡£¡£ÆäƵÂÊÀ©ÆµÊÖÒÕÌṩ ±10% µÄ¿ª¹ØÆµÂʶ¶Æµ¿ç¶È£¬£¬£¬£¬£¬µ÷ÖÆÆµÂÊΪ¿ª¹ØÆµÂʵĠ1/512£¬£¬£¬£¬£¬¿ÉÓÐÓýµµÍ´«µ¼µç´Å×ÌÈÅ¡£¡£¡£¡£¡£

¸ÃÆ÷¼þÌṩ ÖðÖÜÆÚµçÁ÷ÏÞÖÆ Óë ´òàÃʽ¹ýÁ÷±£»£»£»£»£»£»¤¡¢Èȹضϱ£»£»£»£»£»£»¤¡¢Êä³ö¹ýѹ±£»£»£»£»£»£»¤ ÒÔ¼° ÊäÈëǷѹ±£»£»£»£»£»£»¤¡£¡£¡£¡£¡£²úÆ·½ÓÄÉ 2mm×3mm QFN-12L ·â×°£¬£¬£¬£¬£¬²¢¾ßÓвàÃæ¿Éº¸ÐÔÉè¼Æ¡£¡£¡£¡£¡£



Ó¦Óãº

  • Æû³µÐÅÏ¢ÓéÀÖϵͳÓë¸ß¼¶¼ÝÊ»¸¨Öúϵͳ
  • USB Type-C ¹©µçÓë³äµç
  • ¹¤ÒµÓëÒ½ÁÆÂþÑÜʽµçԴϵͳ

·â×°ÐÅÏ¢

SCT2434DFPAR
+ -

ÊÖÒÕ×ÊÁÏ

ÎÊÌâ ʱ¼ä ÏÂÔØ
SCT2434D Datasheet Rev. 0.8 2026-01-28 ÏÂÔØ

²ÎÊý±ÈÕÕ

¼ÓÈë±ÈÕÕ
40V DC-DC½µÑ¹×ª»»Æ÷ DC-DC ½µÑ¹×ª»»Æ÷
±ÈÕÕ²ÎÊý
{{ goods }}
40V DC-DC½µÑ¹×ª»»Æ÷ DC-DC ½µÑ¹×ª»»Æ÷
{{ item.attr_name }} {{ vo }}
¡¾ÍøÕ¾µØÍ¼¡¿¡¾sitemap¡¿