- ²úÆ·ÏÈÈÝ
- ÊÖÒÕ×ÊÁÏ
- ²ÎÊý±ÈÕÕ
²úÆ·ÌØÕ÷
- ÇкÏAEC-Q100ÈÏÖ¤±ê×¼
- Æ÷¼þÎÂ¶ÈÆ·¼¶1£ºÇéÐÎÊÂÇéζȹæÄ£Îª-40°CÖÁ125°C
- ÊäÈëµçѹ¹æÄ££º2.8V–6V
- ×î´óÒ»Á¬Êä³öµçÁ÷£º3A
- µÍ¹Ø¶ÏµçÁ÷£º0.7μA
- ·´Ïì»ù×¼µçѹ£º0.6V£¬£¬£¬¾«¶È±1.1%
- ¿ª¹ØÆµÂÊ£º2.1MHz
- ¼¯³ÉMOSFET£º¸ß²à25mΩ£¬£¬£¬µÍ²à20mΩ
- ¿Éµ÷Êä³öµçѹ£º0.6VÖÁ5V
- ×Ô¶¯Êä³ö·Åµç¹¦Ð§
- Ö§³Ö100%Õ¼¿Õ±ÈÊÂÇé
- ¿É±à³ÌÈíÆô¶¯Ê±¼ä
- µçÔ´Í£µ±Ö¸Ê¾
- ¼¯³É±£»£»¤¹¦Ð§
- ÖðÖÜÆÚµçÁ÷ÏÞÖÆ
- Ç·Ñ¹Ëø¶¨
- ´òàÃʽ¹ýÁ÷±£»£»¤
- Èȹضϱ£»£»¤£º160°C
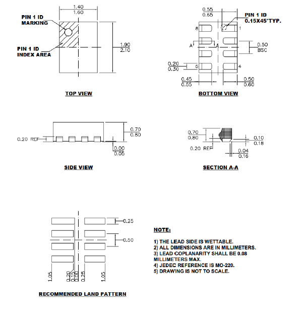
- ·â×°ÐÎʽ£ºQFN-8L£¨1.5mm×2mm£©
- Ìṩ²àÃæ¿Éº¸·â×°Ñ¡Ïî
ÐÎò£º
SCT2132Q ÊÇÒ»¿îµ¥Æ¬¼¯³Éʽ½µÑ¹¿ª¹Ø×ª»»Æ÷£¬£¬£¬ÄÚÖà 25mΩ ¸ß²à Óë 20mΩ µÍ²à¹¦ÂÊ MOSFET¡£¡£¡£¡£¸ÃÆ÷¼þÔÚ 2.8V ÖÁ 6V µÄÊäÈëµçѹ¹æÄ£ÄÚ£¬£¬£¬¿ÉÌṩ¸ß´ï 3A µÄÒ»Á¬Êä³öµçÁ÷£¬£¬£¬²¢¾ß±¸ÓÅÒìµÄ¸ºÔØÓëÏßÐÔµ÷½âÂÊ¡£¡£¡£¡£ÆäÊä³öµçѹ¿ÉµÍÖÁ 0.6V¡£¡£¡£¡£
SCT2132Q ½ÓÄÉ ºã¶¨µ¼Í¨Ê±¼ä¿ØÖÆ Ä£Ê½£¬£¬£¬²»µ«ÌṩÁË¿ìËÙµÄ˲̬ÏìÓ¦£¬£¬£¬¸ü¼ò»¯ÁË»·Â·ÎȹÌÐÔÉè¼Æ£¬£¬£¬´ó·ù½µµÍÁËÍâΧµç·ÉèÖõÄÖØÆ¯ºó¡£¡£¡£¡£
SCT2132Q ¾ß±¸ ¿É±à³ÌÈíÆô¶¯Ê±¼ä ¹¦Ð§£¬£¬£¬¿ÉÓÐÓÃÒÖÖÆÆô¶¯Àú³ÌÖеÄÀËÓ¿µçÁ÷ÓëÊä³öµçѹ¹ý³å¡£¡£¡£¡£Æ÷¼þÊÂÇéÔÚ Ç¿ÖÆÒ»Á¬µ¼Í¨Ä£Ê½ Ï£¬£¬£¬ÒÔʵÏÖµÍÇáÔØÎÆ²¨¡£¡£¡£¡£Æä¿ª¹ØÆµÂÊÀο¿Îª 2.1MHz£¬£¬£¬²¢Ö§³Ö 100% Õ¼¿Õ±È ÊÂÇé¡£¡£¡£¡£
¸ÃÆ÷¼þ¼¯³ÉÁËÖÜÈ«µÄ±£»£»¤¹¦Ð§£¬£¬£¬°üÀ¨ ÖðÖÜÆÚµçÁ÷ÏÞÖÆ Óë ´òàÃʽ¹ýÁ÷±£»£»¤¡¢Êä³öǷѹ±£»£»¤¡¢ÊäÈëÇ·Ñ¹Ëø¶¨ ÒÔ¼° Èȹضϱ£»£»¤¡£¡£¡£¡£
SCT2132Q ËùÐèµÄÍⲿԪ¼þÉÙÉÙ£¬£¬£¬½ÓÄɽÚÔ¼¿Õ¼äµÄ QFN-8L£¨1.5mm×2mm£© ·â×°£¬£¬£¬²¢Ìṩ ²àÃæ¿Éº¸ Ñ¡Ïî¡£¡£¡£¡£
Ó¦Óãº
- Æû³µÐÅÏ¢ÓéÀÖϵͳ
- µç³Ø¹©µç×°±¸
- ¹Ì̬Çý¶¯Æ÷
- ¸ß¼¶¼ÝÊ»¸¨Öúϵͳ
ÊÖÒÕ×ÊÁÏ
| ÎÊÌâ | ʱ¼ä | ÏÂÔØ |
|---|---|---|
| SCT2132QFTAR-¿É¿¿ÐÔ±¨¸æ05122A R0.0 | 2024-11-04 |
|
| SCT2132Q datasheet Rev 1.3 | 2026-01-28 |
|
²ÎÊý±ÈÕÕ
| ±ÈÕÕ²ÎÊý |
{{ goods }}
|
5V DC-DC½µÑ¹×ª»»Æ÷ DC-DC ½µÑ¹×ª»»Æ÷
|
|---|---|---|
| {{ item.attr_name }} | {{ vo }} |