½ðʨ¹ó±ö»á

¿ª¹ØµçÔ´ ¿ª¹ØµçÔ´

DC-DC ½µÑ¹×ª»»Æ÷

Step-down DCDC converter
SCT2131QFTAR ÕýÔÚ¹©»õ
2.8V-6V ÊäÈë¡¢3A ͬ²½½µÑ¹×ª»»Æ÷
¼ÓÈ빺Îï³µ
SCT2131QFTAR
  • ²úÆ·ÏÈÈÝ
  • ÊÖÒÕ×ÊÁÏ
  • ²ÎÊý±ÈÕÕ

²úÆ·ÌØÕ÷

ÌØÕ÷£º

• ÊäÈëµçѹ¹æÄ££º2.8V–6V
• ×î´óÒ»Á¬Êä³öµçÁ÷£º3A
• µÍ¹Ø¶ÏµçÁ÷£º0.7μA
• µÍ¾²Ì¬ÊÂÇéµçÁ÷£º65μA
• ·´Ïì²Î¿¼µçѹ£º0.6V±1.1%
• ¿ª¹ØÆµÂÊ£º2.1MHz
• ¼¯³ÉMOSFET£º¸ß²à25mΩ / µÍ²à20mΩ
• ¿Éµ÷Êä³öµçѹ¹æÄ££º0.6V–5V
• ×Ô¶¯Êä³ö·Åµç
• ¿É±à³ÌÈíÆô¶¯Ê±¼ä
• µçÔ´Í£µ±Ö¸Ê¾
• ¼¯³É±£»£»£»£»£»¤¹¦Ð§£º
 - ÖðÖÜÆÚµçÁ÷ÏÞÖÆ
 - Ç·Ñ¹Ëø¶¨
 - ´òàÃʽ¹ýÁ÷±£»£»£»£»£»¤
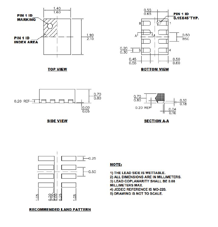
• ·â×°£ºQFN-8L£¨1.5mm×2mm£©
• Ìṩ²àÃæ¿Éº¸·â×°Ñ¡Ïî


ÐÎò£º

SCT2131Q ÊÇÒ»¿îµ¥Æ¬¼¯³Éʽ½µÑ¹¿ª¹Ø×ª»»Æ÷£¬£¬£¬£¬£¬ÄÚÖà25mΩ ¸ß²à Óë 20mΩ µÍ²à¹¦ÂÊ MOSFET¡£¡£¡£¸ÃÆ÷¼þÔÚ 2.8V ÖÁ 6V µÄÊäÈëµçѹ¹æÄ£ÄÚ£¬£¬£¬£¬£¬¿ÉÌṩ¸ß´ï 3A µÄÒ»Á¬Êä³öµçÁ÷£¬£¬£¬£¬£¬²¢¾ß±¸ÓÅÒìµÄ¸ºÔØÓëÏßÐÔµ÷½âÂÊ¡£¡£¡£ÆäÊä³öµçѹ¿ÉµÍÖÁ 0.6V¡£¡£¡£

SCT2131Q ½ÓÄÉ ºã¶¨µ¼Í¨Ê±¼ä¿ØÖƠģʽ£¬£¬£¬£¬£¬²»µ«ÌṩÁË¿ìËÙµÄ˲̬ÏìÓ¦£¬£¬£¬£¬£¬¸ü¼ò»¯ÁË»·Â·ÎȹÌÐÔÉè¼Æ£¬£¬£¬£¬£¬´ó·ù½µµÍÁËÍâΧµç·ÉèÖõÄÖØÆ¯ºó¡£¡£¡£

SCT2131Q ¾ß±¸ ¿É±à³ÌÈíÆô¶¯Ê±¼ä ¹¦Ð§£¬£¬£¬£¬£¬¿ÉÓÐÓÃÒÖÖÆÆô¶¯Àú³ÌÖеÄÀËÓ¿µçÁ÷ÓëÊä³öµçѹ¹ý³å¡£¡£¡£Æ÷¼þÊÂÇéÔÚ Âö³åƵÂʵ÷ÖÆÄ£Ê½ Ï£¬£¬£¬£¬£¬ÒÔÌáÉýÇáÔØÐ§ÂÊ¡£¡£¡£Æä¿ª¹ØÆµÂÊÀο¿Îª 2.1MHz¡£¡£¡£

¸ÃÆ÷¼þ¼¯³ÉÁËÖÜÈ«µÄ±£»£»£»£»£»¤¹¦Ð§£¬£¬£¬£¬£¬°üÀ¨ ÖðÖÜÆÚµçÁ÷ÏÞÖÆ Óë ´òàÃʽ¹ýÁ÷±£»£»£»£»£»¤¡¢Êä³öǷѹ±£»£»£»£»£»¤¡¢ÊäÈëÇ·Ñ¹Ëø¶¨¡£¡£¡£

SCT2131Q ËùÐèµÄÍⲿԪ¼þÉÙÉÙ£¬£¬£¬£¬£¬½ÓÄɽÚÔ¼¿Õ¼äµÄ QFN-8L£¨1.5mm×2mm£© ·â×°£¬£¬£¬£¬£¬²¢Ìṩ ²àÃæ¿Éº¸ Ñ¡Ïî¡£¡£¡£


Ó¦Óãº

  • Æû³µÐÅÏ¢ÓéÀÖϵͳ
  • µç³Ø¹©µç×°±¸
  • ¹Ì̬Çý¶¯Æ÷

·â×°ÐÅÏ¢

SCT2131QFTAR
+ -

ÊÖÒÕ×ÊÁÏ

ÎÊÌâ ʱ¼ä ÏÂÔØ
SCT2131Q datasheet Rev 0.8 2026-01-28 ÏÂÔØ

²ÎÊý±ÈÕÕ

¼ÓÈë±ÈÕÕ
5V DC-DC½µÑ¹×ª»»Æ÷ DC-DC ½µÑ¹×ª»»Æ÷
±ÈÕÕ²ÎÊý
{{ goods }}
5V DC-DC½µÑ¹×ª»»Æ÷ DC-DC ½µÑ¹×ª»»Æ÷
{{ item.attr_name }} {{ vo }}
¡¾ÍøÕ¾µØÍ¼¡¿¡¾sitemap¡¿