½ðʨ¹ó±ö»á

¿ª¹ØµçÔ´ ¿ª¹ØµçÔ´

DC-DC ½µÑ¹×ª»»Æ÷

Step-down DCDC converter
SCT2131FTAR ÕýÔÚ¹©»õ
2.8V-6V ÊäÈë¡¢3A ͬ²½½µÑ¹×ª»»Æ÷
¼ÓÈ빺Îï³µ
SCT2131FTAR
  • ²úÆ·ÏÈÈÝ
  • ÊÖÒÕ×ÊÁÏ
  • ²ÎÊý±ÈÕÕ

²úÆ·ÌØÕ÷

ÌØÕ÷£º

  • ÊäÈëµçѹ¹æÄ££º2.8V-6V
  • ×î´óÒ»Á¬Êä³öµçÁ÷£º3A
  • µÍ¹Ø¶ÏµçÁ÷£º0.7μA
  • µÍ¾²Ì¬ÊÂÇéµçÁ÷£º65μA
  • ·´Ïì»ù×¼µçѹ£º0.6V±1.1%
  • ¿ª¹ØÆµÂÊ£º2.1MHz
  • ¼¯³ÉMOSFET£º¸ß²à25mΩ£¬ £¬£¬µÍ²à20mΩ
  • ¿Éµ÷Êä³öµçѹ£º0.6VÖÁ5V
  • ×Ô¶¯Êä³ö·Åµç¹¦Ð§
  • ¿É±à³ÌÈíÆô¶¯Ê±¼ä
  • µçÔ´Í£µ±Ö¸Ê¾
  • ¼¯³É±£»£»£»£»¤¹¦Ð§£º
    • ÖðÖÜÆÚµçÁ÷ÏÞÖÆ
    • Ç·Ñ¹Ëø¶¨
    • ´òàÃʽ¹ýÁ÷±£»£»£»£»¤
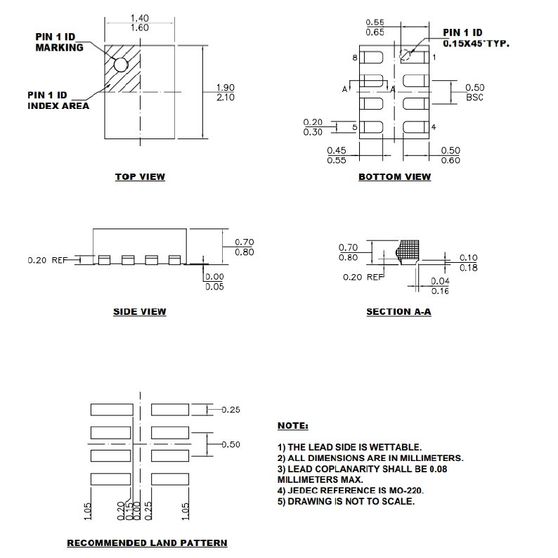
  • ·â×°£ºQFN-8L£¨1.5mm×2mm£©
  • Ìṩ²àÃæ¿Éº¸·â×°Ñ¡Ïî

ÐÎò£º

SCT2131 ÊÇÒ»¿îµ¥Æ¬¼¯³Éʽ½µÑ¹¿ª¹Ø×ª»»Æ÷£¬ £¬£¬ÄÚÖà25mΩ ¸ß²à Óë 20mΩ µÍ²à¹¦ÂÊ MOSFET¡£¡£¸ÃÆ÷¼þÔÚ 2.8V ÖÁ 6V µÄÊäÈëµçѹ¹æÄ£ÄÚ£¬ £¬£¬¿ÉÌṩ¸ß´ï 3A µÄÒ»Á¬Êä³öµçÁ÷£¬ £¬£¬²¢¾ß±¸ÓÅÒìµÄ¸ºÔØÓëÏßÐÔµ÷½âÂÊ¡£¡£ÆäÊä³öµçѹ¿ÉµÍÖÁ 0.6V¡£¡£

SCT2131 ½ÓÄÉ ºã¶¨µ¼Í¨Ê±¼ä¿ØÖƠģʽ£¬ £¬£¬²»µ«ÌṩÁË¿ìËÙµÄ˲̬ÏìÓ¦£¬ £¬£¬¸ü¼ò»¯ÁË»·Â·ÎȹÌÐÔÉè¼Æ£¬ £¬£¬´ó·ù½µµÍÁËÍâΧµç·ÉèÖõÄÖØÆ¯ºó¡£¡£

SCT2131 ¾ß±¸ ¿É±à³ÌÈíÆô¶¯Ê±¼ä ¹¦Ð§£¬ £¬£¬¿ÉÓÐÓÃÒÖÖÆÆô¶¯Àú³ÌÖеÄÀËÓ¿µçÁ÷ÓëÊä³öµçѹ¹ý³å¡£¡£Æ÷¼þÊÂÇéÔÚ Âö³åƵÂʵ÷ÖÆÄ£Ê½ Ï£¬ £¬£¬ÒÔÌáÉýÇáÔØÐ§ÂÊ¡£¡£Æä¿ª¹ØÆµÂÊÀο¿Îª 2.1MHz¡£¡£

¸ÃÆ÷¼þ¼¯³ÉÁËÖÜÈ«µÄ±£»£»£»£»¤¹¦Ð§£¬ £¬£¬°üÀ¨ ÖðÖÜÆÚµçÁ÷ÏÞÖÆ Óë ´òàÃʽ¹ýÁ÷±£»£»£»£»¤¡¢Êä³öǷѹ±£»£»£»£»¤¡¢ÊäÈëÇ·Ñ¹Ëø¶¨¡£¡£

SCT2131 ËùÐèµÄÍⲿԪ¼þÉÙÉÙ£¬ £¬£¬½ÓÄɽÚÔ¼¿Õ¼äµÄ QFN-8L£¨1.5mm×2mm£© ·â×°£¬ £¬£¬²¢Ìṩ ²àÃæ¿Éº¸ Ñ¡Ïî¡£¡£


Ó¦Óãº

  • Æû³µÐÅÏ¢ÓéÀÖϵͳ
  • µç³Ø¹©µç×°±¸
  • ¹Ì̬Çý¶¯Æ÷

·â×°ÐÅÏ¢

SCT2131FTAR
+ -

ÊÖÒÕ×ÊÁÏ

ÎÊÌâ ʱ¼ä ÏÂÔØ
SCT2131 datasheet Rev 0.81 2026-01-28 ÏÂÔØ

²ÎÊý±ÈÕÕ

¼ÓÈë±ÈÕÕ
5V DC-DC½µÑ¹×ª»»Æ÷ DC-DC ½µÑ¹×ª»»Æ÷
±ÈÕÕ²ÎÊý
{{ goods }}
5V DC-DC½µÑ¹×ª»»Æ÷ DC-DC ½µÑ¹×ª»»Æ÷
{{ item.attr_name }} {{ vo }}
¡¾ÍøÕ¾µØÍ¼¡¿¡¾sitemap¡¿