½ðʨ¹ó±ö»á

¿ª¹ØµçÔ´ ¿ª¹ØµçÔ´

DC-DC ½µÑ¹×ª»»Æ÷

Step-down DCDC converter
SCT2121TTBR ÕýÔÚ¹©»õ
2.8V-5.5V ÊäÈë¡¢2A ͬ²½½µÑ¹×ª»»Æ÷
¼ÓÈ빺Îï³µ
SCT2121TTBR
  • ²úÆ·ÏÈÈÝ
  • ÊÖÒÕ×ÊÁÏ
  • ²ÎÊý±ÈÕÕ

²úÆ·ÌØÕ÷

ÌØÕ÷:

  • ÊäÈëµçѹ¹æÄ££º2.8V-5.5V
  • ×î´ó·åÖµÊä³öµçÁ÷£º2A
  • µÍ¹Ø¶ÏµçÁ÷£º0.05μA
  • µÍ¾²Ì¬ÊÂÇéµçÁ÷£º35μA
  • ·´Ïì»ù×¼µçѹ£º0.6V ±1%
  • ¿ª¹ØÆµÂÊ£º2MHz
  • ¼¯³ÉMOSFET£º¸ß²à80mΩ£¬£¬£¬£¬µÍ²à50mΩ
  • Ö§³Ö100%Õ¼¿Õ±Èģʽ
  • ¿Éµ÷Êä³öµçѹ£º0.6VÖÁ5V
  • ×Ô¶¯Êä³ö·Åµç¹¦Ð§
  • ÄÚ²¿ÈíÆô¶¯Ê±¼ä£º1.5ms
  • µçÔ´Í£µ±Ö¸Ê¾
  • ¼¯³É±£»£»£»£»¤¹¦Ð§£º
    • ÖðÖÜÆÚµçÁ÷ÏÞÖÆ
    • Ç·Ñ¹Ëø¶¨
    • ´òàÃʽ¹ýÔØ±£»£»£»£»¤
    • Èȹضϱ£»£»£»£»¤£º160°C
  • ·â×°Ñ¡Ï
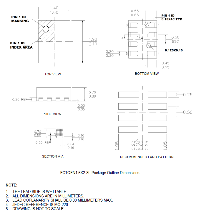
    • SCT2121 FTAR£ºFCTQFN1.5X2-8L ·â×°
    • SCT2121 TTBR£ºFCSOT23-8L ·â×°
  • Ìṩ²àÃæ¿Éº¸·â×°Ñ¡Ïî

ÐÎò:

SCT2121 ÊÇÒ»¿îµ¥Æ¬¼¯³Éʽ½µÑ¹¿ª¹Ø×ª»»Æ÷£¬£¬£¬£¬ÄÚÖù¦ÂÊ MOSFET¡£¡£¡£¡£¡£¸ÃÆ÷¼þ¿ÉÔÚ 2.8V ÖÁ 5.5V µÄÊäÈëµçѹ¹æÄ£ÄÚÌṩ¸ß´ï 2A µÄ·åÖµÊä³öµçÁ÷£¬£¬£¬£¬²¢¾ß±¸ÓÅÒìµÄ¸ºÔØÓëÏßÐÔµ÷½âÂÊ¡£¡£¡£¡£¡£ÆäÊä³öµçѹ¿ÉµÍÖÁ 0.6V¡£¡£¡£¡£¡£

Æä½ÓÄɵĠºã¶¨µ¼Í¨Ê±¼ä¿ØÖƠģʽ¿ÉÌṩ¿ìËÙµÄ˲̬ÏìÓ¦²¢¼ò»¯»·Â·ÎȹÌÐÔÉè¼Æ¡£¡£¡£¡£¡£¹ÊÕϱ£»£»£»£»¤¹¦Ð§°üÀ¨ÖðÖÜÆÚµçÁ÷ÏÞÖÆºÍÈȹضϱ£»£»£»£»¤¡£¡£¡£¡£¡£

SCT2121 ÊÂÇéÔÚ Ê¡µçģʽ Ï£¬£¬£¬£¬¿ÉÔÚÇáÔØÌõ¼þϼá³Ö¸ßЧÂÊ¡£¡£¡£¡£¡£¸ÃÆ÷¼þ¼¯³ÉÁËÖÜÈ«µÄ±£»£»£»£»¤¹¦Ð§£¬£¬£¬£¬°üÀ¨¹ýÁ÷±£»£»£»£»¤¡¢Êä³öǷѹ±£»£»£»£»¤¡¢ÊäÈëÇ·Ñ¹Ëø¶¨ÒÔ¼°Èȹضϱ£»£»£»£»¤¡£¡£¡£¡£¡£

SCT2121 ËùÐèµÄÍⲿԪ¼þÉÙÉÙ£¬£¬£¬£¬²¢½ÓÄɽÚÔ¼¿Õ¼äµÄ FCTQFN1.5X2-8L ºÍ FCSOT23-8L ·â×°¡£¡£¡£¡£¡£


Ó¦Óãº

  • Æû³µÐÅÏ¢ÓéÀÖϵͳ
  • µç³Ø¹©µç×°±¸
  • ¹Ì̬Çý¶¯Æ÷

·â×°ÐÅÏ¢

SCT2121TTBR
+ -

ÊÖÒÕ×ÊÁÏ

ÎÊÌâ ʱ¼ä ÏÂÔØ
SCT2121_datasheet_Rev 1.0 2026-01-28 ÏÂÔØ

²ÎÊý±ÈÕÕ

¼ÓÈë±ÈÕÕ
5V DC-DC½µÑ¹×ª»»Æ÷ DC-DC ½µÑ¹×ª»»Æ÷
±ÈÕÕ²ÎÊý
{{ goods }}
5V DC-DC½µÑ¹×ª»»Æ÷ DC-DC ½µÑ¹×ª»»Æ÷
{{ item.attr_name }} {{ vo }}
¡¾ÍøÕ¾µØÍ¼¡¿¡¾sitemap¡¿