½ðʨ¹ó±ö»á

¿ª¹ØµçÔ´ ¿ª¹ØµçÔ´

DC-DC ½µÑ¹×ª»»Æ÷

Step-down DCDC converter
SCT24A0QFDAR ÕýÔÚ¹©»õ
3.5
¼ÓÈ빺Îï³µ
SCT24A0QFDAR
  • ²úÆ·ÏÈÈÝ
  • ÊÖÒÕ×ÊÁÏ
  • ²ÎÊý±ÈÕÕ

²úÆ·ÌØÕ÷

ÌØÕ÷£º

• ÇÐºÏÆû³µÓ¦Óñê×¼
• Í¨¹ýAEC-Q100ÈÏÖ¤ £¬£¬²âÊÔЧ¹ûÈçÏ£º
• Æ÷¼þÎÂ¶ÈÆ·¼¶ 1£ºÇéÐÎÊÂÇéζȹæÄ£ -40°C ÖÁ 125°C
• ¿íÊäÈëµçѹ¹æÄ££º 3.5V ÖÁ 36V
• ¸ß´ï 10A µÄÒ»Á¬Êä³öµçÁ÷
• ·´Ïì²Î¿¼µçѹ£º 1V ±2%
• ¼¯³É 21mΩ ¸ß±ßºÍ 13mΩ µÍ±ß¹¦ÂÊ MOSFET
• µÍ¾²Ì¬µçÁ÷£º µ± BIAS Òý½ÅÅþÁ¬µ½ 5V ¸¨ÖúµçԴʱ £¬£¬½ö 0.8µA
• ÄÚ²¿ÈíÆô¶¯Ê±¼ä£º 3.5ms
• ¿Éµ÷¿ª¹ØÆµÂÊ£º 200kHz ÖÁ 2.2MHz
• Ö§³ÖÍⲿʱÖÓͬ²½
• ÆµÂÊÀ©Æµµ÷ÖÆ
• Íⲿ BIAS ¹©µç £¬£¬ÒÔÌá¸ßЧÂÊ
• Ï¸ÃÜʹÄÜãÐÖµ £¬£¬ÓÃÓڿɵ÷ÊäÈëµçÑ¹Ç·Ñ¹Ëø¶¨±£»£»£»£»¤ãÐÖµºÍ³ÙÖÍ
• ²¢ÁªÊäÈë·¾¶ £¬£¬ÒÔ×îС»¯¿ªÊàŦµãÕñÁå
• µÍѹ²î¹¦Ð§ºÍ×îСµ¼Í¨Ê±¼ä¹¦Ð§
• µçÔ´Í£µ±Ö¸Ê¾ÐźÅ
• ¹ýѹºÍ¹ýα£»£»£»£»¤
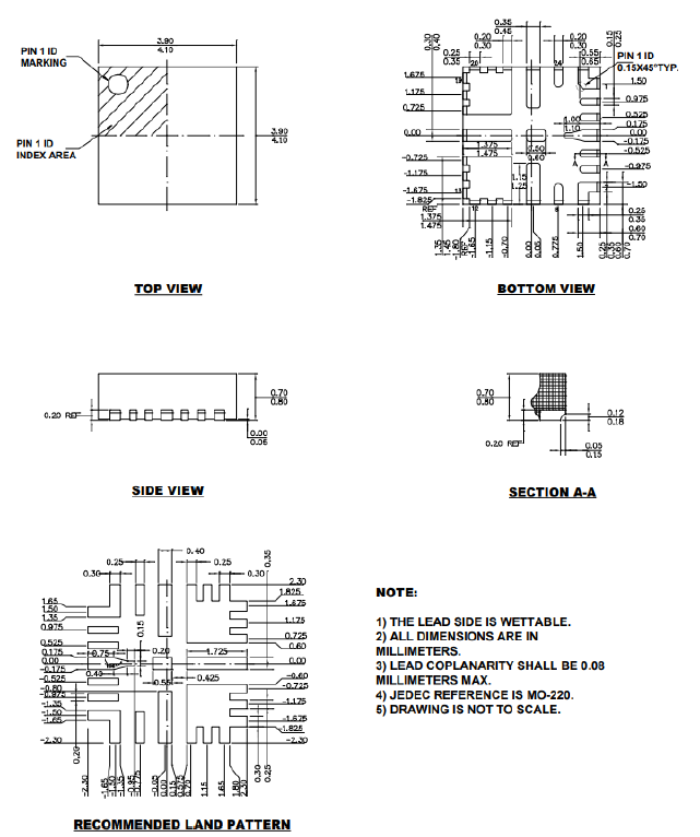
• ½ÓÄÉ 4mm x 4mm FCQFN-24L ·â×° £¬£¬´øÓпɺ¸²àÒí


ÐÎò£º

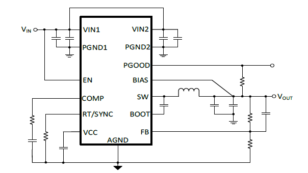
SCT24A0Q ÊÇÒ»¿î 10A ͬ²½½µÑ¹×ª»»Æ÷ £¬£¬¾ßÓÐ 3.5V ÖÁ 36V µÄ¿íÊäÈëµçѹ¹æÄ£ £¬£¬ÄÚ²¿¼¯³ÉÁË 21mΩ µÄ¸ß±ß MOSFET ºÍ 13mΩ µÄµÍ±ß MOSFET¡£¡£¡£¡£¡£

¸ÃÆ÷¼þ½ÓÄÉ·åÖµµçÁ÷ģʽ¿ØÖÆ £¬£¬²¢Ö§³ÖÂö³åÌøÔ¾µ÷ÖÆÄ£Ê½¡£¡£¡£¡£¡£µ±¸¨ÖúµçԴΪ BIAS Òý½ÅÌṩ 5V µçѹʱ £¬£¬Æäµä·¶¾²Ì¬µçÁ÷µÍÖÁ 0.8µA £¬£¬ÓÐÖúÓÚת»»Æ÷ÔÚÇáÔØ»ò´ý»úÌõ¼þÏÂʵÏÖ¸ßЧÂÊ¡£¡£¡£¡£¡£

SCT24A0Q µÄ¿ª¹ØÆµÂÊ¿Éͨ¹ýÍⲿµç×èÔÚ 200kHz ÖÁ 2.2MHz ¹æÄ£ÄÚµ÷Àí £¬£¬ÎªÓÅ»¯Ð§ÂÊ»òÍⲿԪ¼þ³ß´çÌṩÁËÎÞаÐÔ¡£¡£¡£¡£¡£×ª»»Æ÷Ö§³Ö 200kHz ÖÁ 2.2MHz Ƶ¶ÎµÄÍⲿʱÖÓͬ²½¡£¡£¡£¡£¡£Æ÷¼þÄÚ²¿¼¯³ÉÁË LDO ¹¦Ð§ºÍ×îСµ¼Í¨Ê±¼ä¹¦Ð§ £¬£¬Òò´Ë¿ÉÔÚ¿íÕ¼¿Õ±È¹æÄ£ÄÚÖ§³ÖÕý³£ÔËÐС£¡£¡£¡£¡£

×÷Ϊһ¿î¶Ôµç´Å×ÌÈÅÓѺõĽµÑ¹×ª»»Æ÷ £¬£¬SCT24A0Q ½ÓÄÉÁËÓÅ»¯µÄ EMI ÒÖÖÆÉè¼Æ¡£¡£¡£¡£¡£ÆäƵÂÊÀ©Æµ¹¦Ð§Í¨¹ýÎ±Ëæ»úÌøÆµÊÖÒÕʵÏÖ £¬£¬¿ª¹ØÆµÂÊÔÚ±ê³ÆÖµÖÜΧ¾ßÓÐ ±4% µÄ²ü¶¶¹æÄ£ £¬£¬¿ÉÓÐÓýµµÍ´«µ¼ EMI¡£¡£¡£¡£¡£

SCT24A0Q ÌṩÖðÖÜÆÚµçÁ÷ÏÞÖÆ¡¢´òàÃʽ¹ýÁ÷±£»£»£»£»¤¡¢Èȹضϱ£»£»£»£»¤¡¢Êä³ö¹ýѹ±£»£»£»£»¤ÒÔ¼°ÊäÈëµçѹǷѹ±£»£»£»£»¤¡£¡£¡£¡£¡£¸ÃÆ÷¼þ½ÓÄÉ 4mm x 4mm FCQFN-24L ·â×° £¬£¬²¢´øÓпɺ¸²àÒí¡£¡£¡£¡£¡£


Ó¦Óãº

• ³µÔØÐÅÏ¢ÓéÀÖϵͳÓë¸ß¼¶¼ÝÊ»¸¨Öúϵͳ

• ÒDZíÅÌ




·â×°ÐÅÏ¢

SCT24A0QFDAR
+ -

ÊÖÒÕ×ÊÁÏ

ÎÊÌâ ʱ¼ä ÏÂÔØ
SCT24A0Q Datasheet Rev.0.82 2026-01-15 ÏÂÔØ

²ÎÊý±ÈÕÕ

¼ÓÈë±ÈÕÕ
40V DC-DC½µÑ¹×ª»»Æ÷ DC-DC ½µÑ¹×ª»»Æ÷
±ÈÕÕ²ÎÊý
{{ goods }}
40V DC-DC½µÑ¹×ª»»Æ÷ DC-DC ½µÑ¹×ª»»Æ÷
{{ item.attr_name }} {{ vo }}
¡¾ÍøÕ¾µØÍ¼¡¿¡¾sitemap¡¿