½ðʨ¹ó±ö»á

¿ª¹ØµçÔ´ ¿ª¹ØµçÔ´

DC-DC ½µÑ¹×ª»»Æ÷

Step-down DCDC converter
SCT21C0FNBR ÕýÔÚ¹©»õ
7V ÊäÈë¡¢12A¡¢¸ßЧÂÊͬ²½½µÑ¹ DC-DC ת»»Æ÷
¼ÓÈ빺Îï³µ
SCT21C0FNBR
  • ²úÆ·ÏÈÈÝ
  • ÊÖÒÕ×ÊÁÏ
  • ²ÎÊý±ÈÕÕ

²úÆ·ÌØÕ÷

ÌØÕ÷£º

?¿íÊäÈëµçѹ¹æÄ££º2.9V-7V

?Êä³öµçѹ¹æÄ££º0.6V-2V
?Ò»Á¬Êä³öµçÁ÷£º12A
?¼¯³É¸ßѹ²à / µÍѹ²à£¨HS/LS£©¹¦ÂÊ MOSFET£¬£¬£¬£¬µ¼Í¨µç×裨Rdson£©»®·ÖΪ 15mΩ/5mΩ
?Àο¿ÈíÆô¶¯Ê±¼ä£º1ms
?¿ÉÑ¡¿ª¹ØÆµÂÊ£º400kHz¡¢800kHz ºÍ 1.2MHz
?¿ÉÑ¡ÊÂÇéģʽ£ºÂö³åƵÂʵ÷ÖÆ£¨PFM£©¡¢³¬Éù²¨Ä£Ê½£¨USM£©ºÍÇ¿ÖÆÒ»Á¬µ¼Í¨Ä£Ê½£¨FCCM£©
?µçÁ÷ÏÞÖÆ£º14A
?ÖðÖÜÆÚµçÁ÷ÏÞÖÆ
?Êä³ö¹ýѹ±£»£»£»£»¤
?¹ýα£»£»£»£»¤
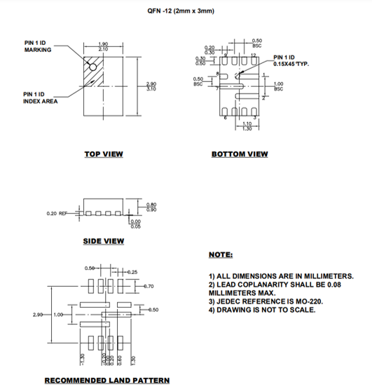
?·â×°ÐÎʽ£º QFN- 12 (2mmx3mm)


ÐÎò£º

SCT21C0 ÊÇÒ»¿î¸ßЧÂÊͬ²½½µÑ¹ÐÍDCDCת»»Æ÷£¬£¬£¬£¬ÊäÈëµçѹ¹æÄ£Îª 2.9V-7V£¬£¬£¬£¬Êä³öµçѹ¿Éµ÷ÀíÖÁµÍÖÁ 0.6V¡£¡£¡£¡£¡£¸ÃÆ÷¼þ½ÓÄÉ 2mm×3mm µÄСÐÍ QFN ·â×°£¬£¬£¬£¬¿ÉÌṩ 12A µÄÒ»Á¬Êä³öµçÁ÷¡£¡£¡£¡£¡£Æ÷¼þÄÚ²¿ÍêÈ«¼¯³ÉÁׯßѹ²àºÍµÍѹ²à¹¦ÂÊ MOSFET£¬£¬£¬£¬µ¼Í¨µç×è»®·ÖΪ 15mΩ ºÍ 5mΩ£¬£¬£¬£¬ÒÔ×î´óÏ޶ȽµµÍµ¼Í¨ÏûºÄ¡£¡£¡£¡£¡£
SCT21C0 ½ÓÄɺ㶨µ¼Í¨Ê±¼ä£¨COT£©¿ØÖÆ·½·¨£¬£¬£¬£¬¿ÉʵÏÖ¿ìËÙ˲̬ÏìÓ¦ºÍÇáÓ¯µÄ»·Â·Îȹ̡£¡£¡£¡£¡£¿£¿£¿£¿£¿ £¿ª¹ØÊ±ÖÓÆµÂÊ¿É´Ó 400kHz¡¢800kHz ºÍ 1.2MHz ÖÐÑ¡Ôñ£¬£¬£¬£¬ÒÔ±ãÓÅ»¯Â˲¨Æ÷³ß´çºÍÊä³öµçÑ¹ÎÆ²¨¡£¡£¡£¡£¡£
¸ÃÆ÷¼þ¾ß±¸Àο¿ 1ms µÄÈíÆô¶¯¹¦Ð§£¬£¬£¬£¬¿É±ÜÃâÊä³öµçѹбÆÂÉÏÉýÆô¶¯Ê±´ú·ºÆðÀËÓ¿µçÁ÷¡£¡£¡£¡£¡£Â©¼«¿ªÂ·Êä³öµÄµçÔ´Õý³££¨Power Good£©ÐźſÉָʾÊä³öµçѹ´¦ÓÚÎȹ̵÷Àí¹æÄ£ÄÚ¡£¡£¡£¡£¡£
SCT21C0 ÉèÓÐģʽ£¨MODE£©Òý½Å£¬£¬£¬£¬¿ÉÑ¡ÔñÒÔÏÂÊÂÇéģʽ£ºÂö³åƵÂʵ÷ÖÆ£¨PFM£©Ä£Ê½£¬£¬£¬£¬ÒÔʵÏÖÇáÔØ½ÚÄÜ£»£»£»£»³¬Éù²¨Ä£Ê½£¨USM£©£¬£¬£¬£¬ÒÔÔÚÇáÔØ»ò¿ÕÔØÌõ¼þϼá³Ö¿ª¹ØÆµÂʸßÓÚ¿ÉÌýƵÂʹæÄ££»£»£»£»Ç¿ÖÆÒ»Á¬µ¼Í¨Ä£Ê½£¨FCCM£©£¬£¬£¬£¬ÒÔʵÏÖ½ÏСµÄÊä³öÎÆ²¨¡£¡£¡£¡£¡£
Æ÷¼þ¾ß±¸ÖÜÈ«µÄ±£»£»£»£»¤¹¦Ð§£¬£¬£¬£¬°üÀ¨¹ýÁ÷±£»£»£»£»¤¡¢Ç·Ñ¹±£»£»£»£»¤ºÍ¹ýÈȹضϡ£¡£¡£¡£¡£
¸Ãת»»Æ÷ËùÐèÍⲿԪÆ÷¼þÊýÄ¿ÉÙÉÙ£¬£¬£¬£¬½ÓÄÉ QFN- 12 (2mmx3mm) ·â×°¡£¡£¡£¡£¡£


Ó¦Óãº

?Æû³µÐÅÏ¢ÓéÀÖϵͳ
?¹Ì̬Çý¶¯Æ÷
?±ãЯʽÒÇÆ÷
?¹¤ÒµµçÔ´
?µç³Ø¹©µç×°±¸

·â×°ÐÅÏ¢

SCT21C0FNBR
+ -

ÊÖÒÕ×ÊÁÏ

ÎÊÌâ ʱ¼ä ÏÂÔØ
SCT21C0DatasheetRev1.0.pdf 2025-09-16 ÏÂÔØ

²ÎÊý±ÈÕÕ

¼ÓÈë±ÈÕÕ
5V DC-DC½µÑ¹×ª»»Æ÷ DC-DC ½µÑ¹×ª»»Æ÷
±ÈÕÕ²ÎÊý
{{ goods }}
5V DC-DC½µÑ¹×ª»»Æ÷ DC-DC ½µÑ¹×ª»»Æ÷
{{ item.attr_name }} {{ vo }}
¡¾ÍøÕ¾µØÍ¼¡¿¡¾sitemap¡¿