½ðʨ¹ó±ö»á

ϵͳ¼¯³É ϵͳ¼¯³É
SCT63152FICR ÕýÔÚ¹©»õ
15W¸ß¼¯³É¶È¡¢¸ßЧÂÊÎÞÏß¹©µç·¢ÉäÆ÷רÓÃPMIC
¼ÓÈ빺Îï³µ
SCT63152FICR
  • ²úÆ·ÏÈÈÝ
  • ÊÖÒÕ×ÊÁÏ
  • ²ÎÊý±ÈÕÕ

²úÆ·ÌØÕ÷

ÌØÕ÷

?ÊäÈëµçѹ¹æÄ££¨VIN£©£º2.8V-20V
?ÊäÈëµçѹ¹æÄ££¨PVIN£©£º1V-18V
?×î¸ß 15 W¹¦ÂÊ´«Êä
?¼¯Óñ³ÉÇŹ¦Âʼ¶£¬£¬£¬¹¦ÂÊ MOSFET µ¼Í¨µç×裨Rdson£©Îª 9mΩ
?¼¯³É 5V-100mA µÍѹ²îÎÈѹÆ÷£¨LDO£©
?Õë¶Ôµç´Å×ÌÈÅ£¨EMI£©½µµÍ¾ÙÐÐÓÅ»¯
?ÄÚÖà 3.3V-100mA µÍѹ²îÎÈѹÆ÷£¨LDO£©
?µÍ¾²Ì¬µçÁ÷ģʽ£¨Low IQ mode£©Ï¾²Ì¬µçÁ÷¼«µÍ£¬£¬£¬IQ£¼15 uA
?¼¯³ÉÎÞËðÊäÈëµçÈö²¥¸ÐÆ÷£¬£¬£¬¾«¶È ±2%£¬£¬£¬ÓÃÓÚÒìÎï¼ì²â£¨FOD£©ÓëµçÁ÷½âµ÷
?¼¯³ÉµçѹÓëµçÁ÷½âµ÷¹¦Ð§
?¼¯ÖÆÆ·ÖÊÒòÊý£¨Q factor£©¼ì²â¹¦Ð§
?¼æÈÝ 3.3V Óë 5V Âö¿íµ÷ÖÆ£¨PWM£©ÐźÅÂß¼­
?ÊäÈëÇ·Ñ¹Ëø¶¨£¨±£»£»£» £»£»¤£©
?¹ýÁ÷±£»£»£» £»£»¤
?¹ýα£»£»£» £»£»¤
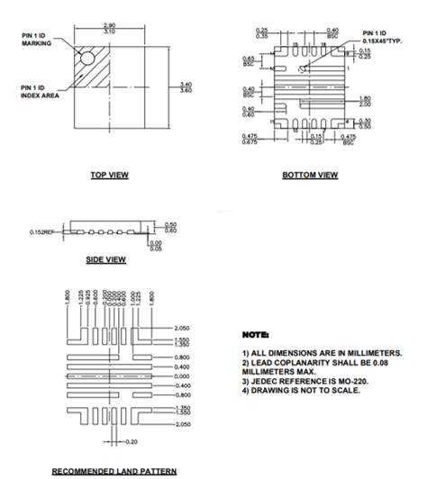
?FC-QFN-19L£¨3mm*3.5mm £©·â×°

Ó¦ÓÃ

?ÇкÏÎÞÏß³äµçͬÃË£¨WPC£©±ê×¼µÄ 15 ÍßÎÞÏß³äµçÆ÷ϵͳ£¬£¬£¬ÊÊÓÃÓÚÊÖ»ú¡¢Æ½°åµçÄÔ¼°¿ÉÒÂ×Å×°±¸
?ͨÓÃÎÞÏß¹©µç·¢ÉäÆ÷£¬£¬£¬ÊÊÓÃÓÚÏûºÄÀà¡¢¹¤ÒµÀ༰ҽÁÆ×°±¸
?רÓÃÎÞÏß³äµçÆ÷ÓëÎÞÏß¹©µç·¢ÉäÆ÷


ÐÎò

SCT63152 ÊÇÒ»¿î¸ß¶È¼¯³ÉµÄµçÔ´ÖÎÀí¼¯³Éµç·£¨PMIC£©£¬£¬£¬¿ÉÖúÁ¦ÇкÏÎÞÏß³äµçͬÃË£¨WPC£©¹æ·¶µÄÎÞÏß¹©µç·¢ÉäÆ÷ϵͳʵÏÖ¸ßÐÔÄÜ¡¢¸ßЧÂÊÓë¸ßÐԼ۱ȣ¬£¬£¬Ö§³Ö×î¸ß 15W¹¦ÂÊ´«Ê䣬£¬£¬¿ÉÓëÎÞÏßרÓÿØÖÆÆ÷»ò»ùÓÚͨÓÃ΢¿ØÖÆÆ÷£¨MCU£©µÄ·¢ÉäÆ÷¿ØÖÆÆ÷ÅäºÏʹÓᣠ¡£¡£¡£¡£

¸ÃÆ÷¼þ¼¯³ÉÁË 4 ¸ö MOSFET È«ÇŹ¦Âʼ¶¡¢Õ¤¼«Çý¶¯Æ÷¡¢5V LDO¡¢3.3V LDO¡¢Í¨Ñ¶½âµ÷Æ÷¡¢Æ·ÖÊÒòÊý£¨Q-factor£©¼ì²âµç·¼°ÊäÈëµçÈö²¥¸ÐÆ÷£¬£¬£¬¼æ¹ËϵͳЧÂÊÓëÒ×ÓÃÐÔ¡£ ¡£¡£¡£¡£

ÆäרÓÐÕ¤¼«Çý¶¯¼Æ»®¶Ôµç´Å×ÌÈÅ£¨EMI£©ÒÖÖÆÐÔÄܾÙÐÐÁËÓÅ»¯£¬£¬£¬¿É½ÚԼϵͳ±¾Ç®²¢¼ò»¯Éè¼Æ£»£»£» £»£»×¨ÓÐÎÞËðµçÁ÷¼ì²âµç·£¨¾«¶È ±2%£©Äܼà²âÈ«ÇÅÊäÈëµçÁ÷£¬£¬£¬ÎªÒìÎï¼ì²â£¨FOD£©ÓëµçÁ÷½âµ÷Ìṩ֧³Ö¡£ ¡£¡£¡£¡£ÄÚÖÃµÄ 5V ºÍ 3.3V LDO¿ÉÏò·¢ÉäÆ÷¿ØÖÆÆ÷¼°Íⲿµç·Ìṩ¹©µç¡£ ¡£¡£¡£¡£µÍ¾²Ì¬µçÁ÷£¨Low IQ£©Ä£Ê½¾ß±¸¼«µÍµÄ¾²Ì¬µçÁ÷£¬£¬£¬ÄܽµµÍÆ·ÖÊÒòÊý£¨Q-factor£©¼ì²âÀú³ÌÖеŦºÄ¡£ ¡£¡£¡£¡£

SCT63152 ¾ß±¸ÊäÈëÇ·Ñ¹Ëø¶¨£¨UVLO£©¡¢¹ýÁ÷±£»£»£» £»£»¤¡¢¶Ì·±£»£»£» £»£»¤¼°¹ýα£»£»£» £»£»¤¹¦Ð§¡£ ¡£¡£¡£¡£

SCT63152 ½ÓÄÉFC-QFN-19L£¨3mm*3.5mm £©·â×°¡£ ¡£¡£¡£¡£


·â×°ÐÅÏ¢

SCT63152FICR
+ -

ÊÖÒÕ×ÊÁÏ

ÎÊÌâ ʱ¼ä ÏÂÔØ
SCT63152DatasheetRev1.0.pdf 2025-09-16 ÏÂÔØ

²ÎÊý±ÈÕÕ

¼ÓÈë±ÈÕÕ
ÎÞÏß³äµç·¢Éä¶Ë PMIC ϵͳ¼¯³É
±ÈÕÕ²ÎÊý
{{ goods }}
ÎÞÏß³äµç·¢Éä¶Ë PMIC ϵͳ¼¯³É
{{ item.attr_name }} {{ vo }}
¡¾ÍøÕ¾µØÍ¼¡¿¡¾sitemap¡¿