½ðʨ¹ó±ö»á

¿ª¹ØµçÔ´ ¿ª¹ØµçÔ´

DC-DC ½µÑ¹×ª»»Æ÷

Step-down DCDC converter
SCT2240TVAR ÕýÔÚ¹©»õ
17V Vin£¬£¬4Aͬ²½½µÑ¹DCDCת»»Æ÷
¼ÓÈ빺Îï³µ
SCT2240TVAR
  • ²úÆ·ÏÈÈÝ
  • ÊÖÒÕ×ÊÁÏ
  • ²ÎÊý±ÈÕÕ

²úÆ·ÌØÕ÷

ÌØÕ÷£º
 
  • ¿íÊäÈëµçѹ£º4.2V-17V
  • ¼¯³É50mΩ/24mΩFETµÄ4AÒ»Á¬Êä³öµçÁ÷¿íÊä³ö
  • µçѹ¹æÄ££º0.8V-7V
  • ¾²Ì¬µçÁ÷220uA
  • ÖðÖÜÆÚµçÁ÷ÏÞÖÆ
  • ÄÚ²¿3msÈíÆô¶¯ÏÞÖÆÀËÓ¿µçÁ÷
  • Àο¿800kHz¿ª¹ØÆµÂÊ
  • ÊäÈëÇ·Ñ¹Ëø¶¨
  • Çá¸ºÔØÊ±µÄÊ¡µçģʽ
  • ¹ýα£»£»¤
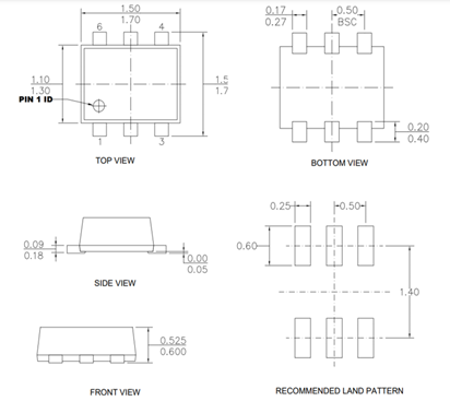
  • SOT563·â×°
 
ÐÎò£º
 
SCT2240ÊÇÒ»¿îÍêÈ«¼¯³ÉµÄ¸ßЧͬ²½½µÑ¹DCDCת»»Æ÷£¬£¬Äܹ»ÔËËÍ4AµçÁ÷¡£¡£¸ÃÆ÷¼þÔÚ4.2VÖÁ17VµÄ¿íÊäÈëµçѹ¹æÄ£ÄÚÊÂÇ飬£¬²¢¼¯³ÉÁׯ߱߹¦ÂÊMOSFETºÍµÍ±ß¹¦ÂÊMOSFET£¬£¬Í¬Ê±¾ßÓкÜÊǵ͵ÄRdson£¬£¬ÒÔ×î´óÏ޶ȵØïÔÌ­µ¼Í¨ÏûºÄ¡£¡£
¿ª¹ØÆµÂÊΪ800kHz£¬£¬ÊµÏÖÊä³öµçѹµÍÎÆ²¨µÄͬʱ¿ÉÑ¡ÍⲿС³ß´çµÄµç¸ÐºÍÊä³öµçÈÝ¡£¡£SCT2240½ÓÄÉ×Ô˳Ӧºã¶¨µ¼Í¨Ê±¼ä¿ØÖƼܹ¹£¬£¬ÊµÏÖ½µÑ¹Ó¦ÓõĿìËÙ¸ºÔØË²Ì¬ÏìÓ¦¡£¡£
SCT2240ÔÚÊ¡µçģʽÏÂÔËÐУ¬£¬ÔÚÇá¸ºÔØÔËÐÐʱ´ú¼á³Ö¸ßЧÂÊ¡£¡£
Ëü°üÀ¨È«±£»£»¤¹¦Ð§£¬£¬Èç¹ýÁ÷±£»£»¤¡¢Êä³öǷѹ±£»£»¤¡¢ÊäÈëÇ·Ñ¹Ëø¶¨ºÍ¹ýα£»£»¤¡£¡£
SCT2240½öÐèÉÙÁ¿µÄÍⲿ×é¼þ£¬£¬²¢½ÓÄÉСÐ͵ÄSOT563·â×°¡£¡£
 
 
Ó¦Óãº
 
  • ƽ°åÊý×ÖµçÊÓºÍÏÔʾÆ÷
  • ¼à¿Ø
  • »ú¶¥ºÐ
  • ÍøÂçϵͳ
  • ÏûºÄÀàµç×Ó²úÆ·
  • Ò»Ñùƽ³£ÓÃ;

·â×°ÐÅÏ¢

SCT2240TVAR
+ -

²ÎÊý±ÈÕÕ

¼ÓÈë±ÈÕÕ
20V DC-DC½µÑ¹×ª»»Æ÷ DC-DC ½µÑ¹×ª»»Æ÷
±ÈÕÕ²ÎÊý
{{ goods }}
20V DC-DC½µÑ¹×ª»»Æ÷ DC-DC ½µÑ¹×ª»»Æ÷
{{ item.attr_name }} {{ vo }}
¡¾ÍøÕ¾µØÍ¼¡¿¡¾sitemap¡¿