²úÆ·ÖÐÐÄ
| ÎÊÌâ | ʱ¼ä | ÏÂÔØ |
|---|---|---|
| SCT2130FTAR-¿É¿¿ÐÔ±¨¸æ05122A R0.0.pdf | 2024-11-04 |
|
| SCT2130 datasheet Rev 1.3 | 2024-12-12 |
|
| ±ÈÕÕ²ÎÊý |
{{ goods }}
|
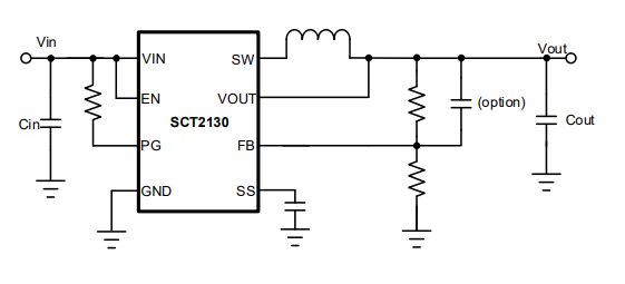
5V DC-DC½µÑ¹×ª»»Æ÷ DC-DC ½µÑ¹×ª»»Æ÷
|
|---|---|---|
| {{ item.attr_name }} | {{ vo }} |