½ðʨ¹ó±ö»á

ÏßÐÔµçÔ´ ÏßÐÔµçÔ´
SCT71403F50QMTER ÕýÔÚ¹©»õ
3V-40V Vin,300mA,2.4uA Iq,µÍѹ²îÏßÐÔÎÈѹÆ÷
¼ÓÈ빺Îï³µ
SCT71403F50QMTER
  • ²úÆ·ÏÈÈÝ
  • ÊÖÒÕ×ÊÁÏ
  • ²ÎÊý±ÈÕÕ

²úÆ·ÌØÕ÷

ÌØÕ÷£º
 
  • ¾ß±¸Æû³µÓ¦ÓÃ×ʸñ
  • ͨ¹ýAEC-Q100ÈÏÖ¤
  • ¿íÊäÈëµçѹ£º3V-40V
  • Ö§³Ö¸ß´ï45VµÄ˲̬ÊäÈëµçѹ
  • ×î´óÊä³öµçÁ÷£º300mA
  • Êä³öµçѹ£º3.3V,5V
  • Êä³öµçѹ¾«¶È£º
  • TJ= 25¡æ : ±1%£»£»£»£»TJ= -40¡æ~ 125¡æ :±2%
  • µÍ¾²Ì¬µçÁ÷£º2.4uA
  • µÍ©ʧµçѹ£º
  • ´øÔØ100mAʱ230mV
  • ´øÔØ200mAʱ470mV
  • Ö§³ÖÊä³öµçÈݹæÄ££º
  • 3.3uF~220uF
  • µÍESR£º0.001Ω~5Ω
  • 550usÄÚ²¿ÈíÆð¶¯Ê±¼ä
  • ¼¯³É¹ýα£»£»£»£»¤¹¦Ð§ÒÔ¼°´øµçÁ÷ÕÛ·µµÄ¹ýÁ÷±£»£»£»£»¤¹¦Ð§
  • ¿É±à³ÌÊäÈëµçÑ¹Ç·Ñ¹Ëø¶¨±£»£»£»£»¤£¨UVLO£©¼°×¼È·µÄENÆô¶¯/¹Ø¶Ïµçƽ´øÓÐPGÒý½Å
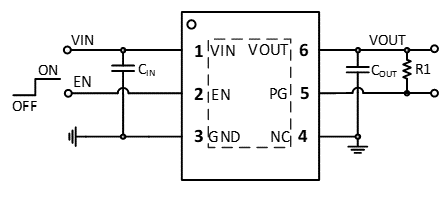
  • SOT23-5 / TDFN2x2-6 / eMSOP3x3-8 / TDFN3x3-8/SOT223-4·â×°
 
ÐÎò£º
 
SCT71403FxxQϵÁвúÆ·ÊÇÒ»¿îµÍѹ²îÏßÐÔÎÈѹÆ÷£¬£¬Éè¼Æ´øÓÐEN¹¦Ð§£¬£¬ÓµÓÐ3VÖÁ40VµÄ¿íÊäÈëµçѹ¹æÄ££¬£¬Ö§³Ö¸ß´ï45VµÄ˲̬ÊäÈëµçѹ£¬£¬¿ÉÖ§³Ö×î´ó300mAµÄÊä³öµçÁ÷Ó¦Óᣡ£¡£¡£Êä³öµçÈÝÔÚ3.3uF~220uF¹æÄ£ÄÚ²úÆ·ÊÂÇéÎȹÌ£¬£¬ÍƼöֵΪ10uFµÄÌմɵçÈÝ¡£¡£¡£¡£
SCT71403FxxQϵÁвúÆ·ÔÚÇá¸ºÔØÏÂÖ»ÓÐ2.4uAµÄµä·¶¾²Ì¬µçÁ÷£¬£¬ÊÇ´øµç³ØµÄ±ãЯʽװ±¸µÄÀíÏëÑ¡Ôñ£¬£¬Ò²ÊÇΪ³£¿ £¿£¿£¿ªÏµÍ³ÖеÄMCUÓëCAN/LINÊÕ·¢Æ÷¹©µçµÄ×î¼Ñ½â¾ö¼Æ»®¡£¡£¡£¡£
SCT71403FxxQϵÁвúÆ·´øÓÐPG¹¦Ð§£¬£¬¿ÉָʾÊä³öµçѹ״̬¡£¡£¡£¡£¸ÃÒý½ÅµÄÊä³ö¿ÉÒÔÓÃÓÚÉϵçʱÐò»ò×÷Ϊ΢¿ØÖÆÆ÷µÄ¸´Î»ÐźÅ¡£¡£¡£¡£
SCT71403FxxQϵÁвúÆ·¼¯³ÉÁ˶Ì·±£»£»£»£»¤¹¦Ð§ºÍ´øµçÁ÷ÕÛ·µµÄ¹ýÁ÷±£»£»£»£»¤¹¦Ð§£¬£¬Ê¹×°±¸ÔÚ˲¼ä¸ß¸ºÔعÊÕÏ»ò±¬·¢¶Ì·µÄÇéÐÎÏÂÔ½·¢¿É¿¿¡£¡£¡£¡£
SCT71403FxxQϵÁвúÆ·¿ÉÌṩÀο¿µÄ3.3V¡¢5VÊä³öµçѹ°æ±¾¡£¡£¡£¡£
SCT71403FxxQϵÁвúÆ·ÓÐSOT23-5, TDFN2x2-6, TDFN3x3-8¡¢eMSOP3x3-8ºÍSOT223-4·â×°¡£¡£¡£¡£
 
 
Ó¦Óãº
 
  • ³µÔØÖ÷»ú
  • ǰÕÕµÆ
  • ³µÉí¿ØÖÆÄ£¿ £¿£¿£¿é
  • Äæ±äÆ÷ºÍµç»ú¿ØÖÆ

·â×°ÐÅÏ¢

SCT71403F50QMTER
SCT71403F50QMTER
SCT71403F50QMTER
SCT71403F50QMTER
+ -

²ÎÊý±ÈÕÕ

¼ÓÈë±ÈÕÕ
¸ßѹ LDO ÏßÐÔµçÔ´
±ÈÕÕ²ÎÊý
{{ goods }}
¸ßѹ LDO ÏßÐÔµçÔ´
{{ item.attr_name }} {{ vo }}
¡¾ÍøÕ¾µØÍ¼¡¿¡¾sitemap¡¿