½ðʨ¹ó±ö»á

ÏßÐÔµçÔ´ ÏßÐÔµçÔ´
SCT71405F50QOWCR ²¹»õÖÐ
3V-40V Vin,500mA,³¬µÍ¾²Ì¬µçÁ÷µÍѹ²îÏßÐÔÎÈѹÆ÷
¼ÓÈ빺Îï³µ
SCT71405F50QOWCR
  • ²úÆ·ÏÈÈÝ
  • ÊÖÒÕ×ÊÁÏ
  • ²ÎÊý±ÈÕÕ

²úÆ·ÌØÕ÷

ÌØÕ÷£º
 
  • ¾ß±¸Æû³µÓ¦ÓÃ×ʸñ
  • ͨ¹ýAEC-Q100ÈÏÖ¤£¬£¬Ð§¹ûÈçÏ£º
  • ×°±¸Î¶È1¼¶£º-40°C to 125°C
  • ÇéÐÎÊÂÇéζȹæÄ£
  • ×°±¸HBM ESD ·ÖÀàÆ·¼¶H3A
  • ×°±¸CDM ESD ·ÖÀàÆ·¼¶C3
  • ¿íÊäÈëµçѹ£º3V-40V
  • Ö§³Ö¸ß´ï45VµÄ˲̬ÊäÈëµçѹ
  • ×î´óÊä³öµçÁ÷£º500mA
  • Êä³öµçѹ£º3.3V/5V
  • Êä³öµçѹ¾«¶È£º
  • TJ= 25¡æ : ±1%£»£»£»TJ= -40¡æ~ 125¡æ :±2%
  • ³¬µÍµÍ¾²Ì¬µçÁ÷£º4.2uA
  • µÍ©ʧµçѹ£º
  • ´øÔØ150mAʱ165mV
  • Ö§³ÖÊä³öµçÈݹæÄ££º
  • 3.3uF~220uF
  • µÍESR£º0.001Ω~5Ω
  • 1.5msÄÚ²¿ÈíÆð¶¯Ê±¼ä
  • ¼¯³É¹ýα£»£»£»¤ÒÔ¼°´øÓÐVIN_HIGH¿ØÖƵĹýÁ÷±£»£»£»¤¹¦Ð§
  • ¿É±à³ÌÊäÈëµçÑ¹Ç·Ñ¹Ëø¶¨±£»£»£»¤£¨UVLO£©¼°×¼È·µÄENÆô¶¯/¹Ø¶Ïµçƽ
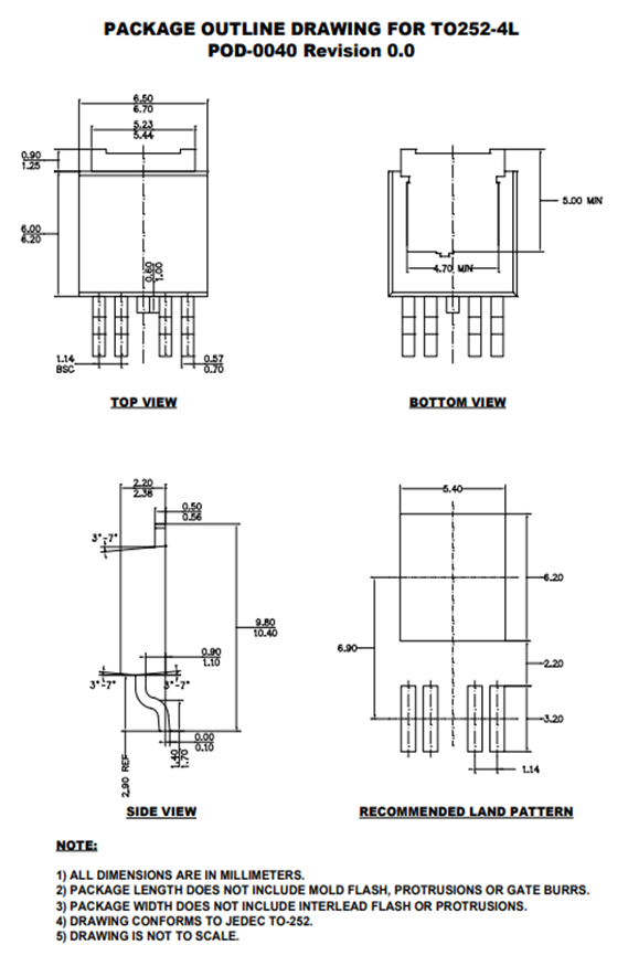
  • TO252-4·â×°
 
 
ÐÎò£º
 
SCT71405FxxQϵÁвúÆ·ÊÇÒ»¿îµÍѹ²îÏßÐÔÎÈѹÆ÷£¬£¬Éè¼Æ´øÓÐEN¹¦Ð§£¬£¬ÓµÓÐ3VÖÁ40VµÄ¿íÊäÈëµçѹ¹æÄ££¬£¬¿ÉÖ§³Ö×î´ó500mAµÄÊä³öµçÁ÷Ó¦Óᣡ£¡£¡£¡£¡£Êä³öµçÈÝÔÚ3.3uF~220uF¹æÄ£ÄÚ²úÆ·ÊÂÇéÎȹÌ£¬£¬ÍƼöֵΪ10uFµÄÌմɵçÈÝ¡£¡£¡£¡£¡£¡£
SCT71405FxxQϵÁвúÆ·ÔÚÇá¸ºÔØÏÂÖ»ÓÐ4.2uAµÄµä·¶¾²Ì¬µçÁ÷£¬£¬ÊÇ´øµç³ØµÄ±ãЯʽװ±¸µÄÀíÏëÑ¡Ôñ£¬£¬Ò²ÊÇΪ³£¿£¿£¿£¿£¿ªÏµÍ³ÖеÄMCUÓëCAN/LINÊÕ·¢Æ÷¹©µçµÄ×î¼Ñ½â¾ö¼Æ»®¡£¡£¡£¡£¡£¡£
SCT71405FxxQϵÁвúÆ·¼¯³ÉÁ˶Ì·±£»£»£»¤ºÍ´øÓÐVIN_HIGH¿ØÖƵĹýÁ÷±£»£»£»¤¹¦Ð§£¬£¬Ê¹×°±¸ÔÚ˲¼ä¸ß¸ºÔعÊÕÏ»ò±¬·¢¶Ì·µÄÇéÐÎÏÂÔ½·¢¿É¿¿¡£¡£¡£¡£¡£¡£
SCT71405FxxQϵÁвúÆ·ÌṩÊä³öµçѹΪ3.3VºÍ5VµÄÀο¿Êä³öµçѹ°æ±¾¡£¡£¡£¡£¡£¡£
SCT71405FxxQϵÁвúÆ·ÓÐTO252-4·â×°¡£¡£¡£¡£¡£¡£
 
 
Ó¦Óãº
 
  • ³µÔØÖ÷»ú
  • ǰÕÕµÆ
  • ³µÉí¿ØÖÆÄ£¿£¿£¿£¿£¿é
  • Äæ±äÆ÷ºÍµç»ú¿ØÖÆ

·â×°ÐÅÏ¢

SCT71405F50QOWCR
+ -

ÊÖÒÕ×ÊÁÏ

ÎÊÌâ ʱ¼ä ÏÂÔØ
SCT71405Q Datasheet Rev 1.2 2024-12-16 ÏÂÔØ

²ÎÊý±ÈÕÕ

¼ÓÈë±ÈÕÕ
¸ßѹ LDO ÏßÐÔµçÔ´
±ÈÕÕ²ÎÊý
{{ goods }}
¸ßѹ LDO ÏßÐÔµçÔ´
{{ item.attr_name }} {{ vo }}
¡¾ÍøÕ¾µØÍ¼¡¿¡¾sitemap¡¿