½ðʨ¹ó±ö»á

ÏßÐÔµçÔ´ ÏßÐÔµçÔ´
SCT71005F18DVAR ²¹»õÖÐ
2.2V-6V Vin,500mA,µÍѹ²îÏßÐÔÎÈѹÆ÷
¼ÓÈ빺Îï³µ
SCT71005F18DVAR
  • ²úÆ·ÏÈÈÝ
  • ÊÖÒÕ×ÊÁÏ
  • ²ÎÊý±ÈÕÕ

²úÆ·ÌØÕ÷

ÌØÕ÷£º

  • ¿íÊäÈëµçѹ£º1.7V-6V
  • ×î´óÊä³öµçÁ÷£º500mA
  • Êä³öµçѹ£º1.2V,1.8V,3.3V
  • Êä³öµçѹ¾«¶È£º
  • TJ= 25¡æ : ±1%£»£»TJ= -40¡æ~ 125¡æ :±2%
  • µÍ¾²Ì¬µçÁ÷£º8uA
  • ³¬µÍ¹Ø¶ÏµçÁ÷£º0.02uA
  • µÍ©ʧµçѹ£º
  • ´øÔØ200mAʱ54mV
  • ´øÔØ500mAʱ138mV
  • Ö§³ÖÊä³öµçÈݹæÄ££º
  • 2.2uF~220uF
  • µÍESR£º0.001Ω~5Ω
  • 1.7msÄÚ²¿ÈíÆð¶¯Ê±¼ä
  • ¼¯³É¹ýα£»£»¤¹¦Ð§¡¢´øµçÁ÷ÕÛ·µµÄ¹ýÁ÷±£»£»¤¹¦Ð§ÒÔ¼°Êä³ö·Åµç¹¦Ð§
  • ´øÓÐEN¡¢PG¹Ü½Å
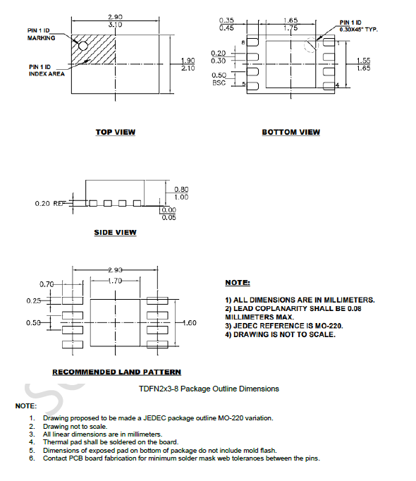
  • SOT23-5/ TDFN2x2-6/ DFN1x1-4·â×°
 
 
ÐÎò£º
 
SCT71005FxxϵÁвúÆ·ÊÇÒ»¿îµÍѹ²îÏßÐÔÎÈѹÆ÷£¬£¬Éè¼Æ´øÓÐENºÍPG¹¦Ð§£¬£¬ÓµÓÐ1.7VÖÁ6VµÄ¿íÊäÈëµçѹ¹æÄ££¬£¬¿ÉÖ§³Ö×î´ó500mAµÄÊä³öµçÁ÷Ó¦Óᣡ£¡£Êä³öµçÈÝÔÚ2.2uF~220uF¹æÄ£ÄÚ²úÆ·ÊÂÇéÎȹÌ£¬£¬ÍƼöֵΪ10uFµÄÌմɵçÈÝ¡£¡£¡£
SCT71005FxxϵÁвúÆ·ÔÚÇá¸ºÔØÏÂÖ»ÓÐ8uAµÄµä·¶¾²Ì¬µçÁ÷£¬£¬ÊÇ´øµç³ØµÄ±ãЯʽװ±¸µÄÀíÏëÑ¡Ôñ£¬£¬Ò²ÊÇΪ³£¿£¿£¿£¿ªÏµÍ³ÖеÄMCUÓëCAN/LINÊÕ·¢Æ÷¹©µçµÄ×î¼Ñ½â¾ö¼Æ»®¡£¡£¡£
SCT71005FxxϵÁвúÆ·´øÓÐPG¹¦Ð§£¬£¬¿ÉָʾÊä³öµçѹ״̬¡£¡£¡£¸ÃÒý½ÅµÄÊä³ö¿ÉÒÔÓÃÓÚÉϵçʱÐò»ò×÷Ϊ΢¿ØÖÆÆ÷µÄ¸´Î»Ðźš£¡£¡£
SCT71005FxxϵÁвúÆ·¼¯³ÉÁ˶Ì·±£»£»¤¹¦Ð§ºÍ´øµçÁ÷ÕÛ·µµÄ¹ýÁ÷±£»£»¤¹¦Ð§£¬£¬Ê¹×°±¸ÔÚ˲¼ä¸ß¸ºÔعÊÕÏ»ò±¬·¢¶Ì·µÄÇéÐÎÏÂÔ½·¢¿É¿¿¡£¡£¡£
SCT71005FxxϵÁвúÆ·¿ÉÌṩÀο¿µÄ1.2V¡¢1.8V¡¢3.3VÊä³öµçѹ°æ±¾¡£¡£¡£
SCT71005FxxϵÁвúÆ·ÓÐSOT23-5, TDFN2x2-6, DFN1x1-4·â×°¡£¡£¡£
 
 
Ó¦Óãº
 
  • µç³Ø¹©µçϵͳ
  • Æû³µÐÅÏ¢ÓéÀÖϵͳ
  • µ¼º½ÏµÍ³
  • ±ãЯʽװ±¸

·â×°ÐÅÏ¢

SCT71005F18DVAR
SCT71005F18DVAR
SCT71005F18DVAR
SCT71005F18DVAR
+ -

ÊÖÒÕ×ÊÁÏ

ÎÊÌâ ʱ¼ä ÏÂÔØ
SCT71005 Datasheet Rev 1.1 2025-01-13 ÏÂÔØ

²ÎÊý±ÈÕÕ

¼ÓÈë±ÈÕÕ
µÍѹ LDO ÏßÐÔµçÔ´
±ÈÕÕ²ÎÊý
{{ goods }}
µÍѹ LDO ÏßÐÔµçÔ´
{{ item.attr_name }} {{ vo }}
¡¾ÍøÕ¾µØÍ¼¡¿¡¾sitemap¡¿