½ðʨ¹ó±ö»á

¿ª¹ØµçÔ´ ¿ª¹ØµçÔ´

DC-DC ½µÑ¹×ª»»Æ÷

Step-down DCDC converter
SCT2450STER ÕýÔÚ¹©»õ
3.8V-36V Vin, 5A, ¿Éµ÷ƵÂʵĸßЧÂÊͬ²½½µÑ¹DCDCת»»Æ÷
¼ÓÈ빺Îï³µ
SCT2450STER
  • ²úÆ·ÏÈÈÝ
  • ÊÖÒÕ×ÊÁÏ
  • ²ÎÊý±ÈÕÕ

²úÆ·ÌØÕ÷

ÌØÕ÷£º
 
  • ¿íÊäÈëµçѹ¹æÄ££º3.8V-36V
  • Ò»Á¬Êä³öµçÁ÷5A 
  • 0.8V±1%·´Ïì²Î¿¼µçѹ
  • ¼¯³É45mΩ¸ß²à¹¦ÂÊMOSFETºÍ20mΩµÍ²à¹¦ÂÊMOSFET
  • ÇáÔØPSMÊÂÇéģʽ
  • ÔÚ˯ÃßģʽϾ²Ì¬µçÁ÷25uA
  • 100ns×îСµ¼Í¨Ê±¼ä
  • 4msÄÚ²¿ÈíÆô¶¯Ê±¼ä
  • ¿Éµ÷¿ª¹ØÆµÂÊ100kHz-2.2MHz
  • ÍⲿʱÖÓÐźÅͬ²½
  • ¶¶Æµ£¨FSS£©¹¦Ð§ÓÃÓÚEMIÓÅ»¯
  • ¿Éµ÷ÀíµÄÊäÈëÇ·Ñ¹Ëø¶¨ãÐÖµ¼°ÑÓ³Ù
  • µÍѹ²îģʽ
  • ¿ÉÖ§³Ö¸ºÑ¹Êä³ö
  • ¹ýѹºÍ¹ýα£»£»¤
  • ½ÓÄÉESOP-8·â×°
 
 
ÐÎò£º
 
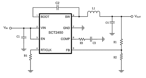
SCT2450ÊÇ5Aͬ²½½µÑ¹×ª»»Æ÷£¬£¬£¬¾ßÓдÓ3.8Vµ½36VµÄ¿íÊäÈëµçѹ¹æÄ££¬£¬£¬¼¯³ÉÁË45m?¸ß²àMOSFETºÍ20m?µÍ²àMOSFET¡£¡£¡£¡£SCT2450½ÓÄÉ·åÖµµçÁ÷ģʽ¿ØÖÆ£¬£¬£¬ÇáÔØPSMÊÂÇéģʽ£¬£¬£¬¾ßÓе䷶µÄ25uAµÍ¾²Ì¬µçÁ÷£¬£¬£¬ÓÐÖúÓÚת»»Æ÷ÔÚÇáÔØ»ò´ý»úÌõ¼þÏÂʵÏÖ¸ßЧÂÊ¡£¡£¡£¡£
SCT2450¾ßÓÐ100 kHzÖÁ2.2 MHzµÄ¿Éµ÷¿ª¹ØÆµÂÊ£¬£¬£¬Ê¹ÓÃÍⲿµç×èÆ÷£¬£¬£¬¿ÉÎÞаÓÅ»¯Ð§ÂÊ»òÍⲿ×é¼þ³ß´ç¡£¡£¡£¡£¸Ãת»»Æ÷Ö§³Ö100kHzÖÁ2.2MHzƵÂʵÄÍⲿʱÖÓͬ²½¡£¡£¡£¡£SCT2450ÔÊÐí´Ó¸ßÊäÈëµçѹµ½µÍÊä³öµçѹµÄ¹¦ÂÊת»»£¬£¬£¬¸ß²àMOSFETµÄ×îСµ¼Í¨Ê±¼äΪ100ns¡£¡£¡£¡£
SCT2450ÊÇÒ»¿îµç´Å×ÌÈÅ£¨EMI£©ÓѺÃÐͽµÑ¹×ª»»Æ÷£¬£¬£¬½ÓÄÉÓÅ»¯Éè¼ÆÒÔ½µµÍEMI¡£¡£¡£¡£SCT2450µÄÌØµãÊǶ¶ÆµFSS¹¦Ð§£¬£¬£¬¿ª¹ØÆµÂʵIJü¶¶¹æÄ£Îª±6%£¬£¬£¬²ü¶¶ÖÜÆÚΪ¿ª¹ØÆµÂʵÄ1/512£¬£¬£¬ÒÔ´ËÀ´ïÔÌ­EMI¡£¡£¡£¡£
SCT2450ÌṩÖðÖÜÆÚµçÁ÷ÏÞÖÆºÍ´òàùýµçÁ÷±£»£»¤¡¢¹ýα£»£»¤¡¢Êä³ö¹ýѹ±£»£»¤ºÍÊäÈëǷѹ±£»£»¤¡£¡£¡£¡£¸ÃÆ÷¼þ½ÓÄÉESOP-8·â×°¡£¡£¡£¡£
 
 
Ó¦Óãº
 
  • µç³Ø×鹩µçϵͳ-ÎÞÏߵ綯¹¤¾ß¡¢ÎÞÏ߼ҵ硢ÎÞÈË»ú¡¢º½¿Õ½¨Ä£¡¢GPS×·×ÙÆ÷µÈ¡£¡£¡£¡£
  • µãÑÌÆ÷ÊÊÅäÆ÷¡¢³äµçÆ÷
  • Òº¾§ÏÔʾÆ÷
  • USB Type-C¹©µç£¬£¬£¬USB³äµç
  • ¹¤ÒµºÍÒ½ÁÆÂþÑÜʽµçÔ´
  • ¹âͨѶºÍÍøÂçϵͳ
  • Æû³µÏµÍ³

·â×°ÐÅÏ¢

SCT2450STER
+ -

ÊÖÒÕ×ÊÁÏ

ÎÊÌâ ʱ¼ä ÏÂÔØ
SCT2450 ÆÀ¹À°æÖ¸ÄÏ 2024-10-24 ÏÂÔØ
SCT2450STER-¿É¿¿ÐÔ±¨¸æ011126 R0.0 2024-11-05 µÇ¼ÏÂÔØ
SCT2450 Datasheet Rev 2.2 2024-12-12 ÏÂÔØ

²ÎÊý±ÈÕÕ

¼ÓÈë±ÈÕÕ
40V DC-DC½µÑ¹×ª»»Æ÷ DC-DC ½µÑ¹×ª»»Æ÷
±ÈÕÕ²ÎÊý
{{ goods }}
40V DC-DC½µÑ¹×ª»»Æ÷ DC-DC ½µÑ¹×ª»»Æ÷
{{ item.attr_name }} {{ vo }}
¡¾ÍøÕ¾µØÍ¼¡¿¡¾sitemap¡¿