½ðʨ¹ó±ö»á

ϵͳ¼¯³É ϵͳ¼¯³É
SCT61240QFJCR ÕýÔÚ¹©»õ
4ͨµÀ¸ß¼¯³É¶ÈÉãÏñÍ·Ä£×éPMIC
ÏÂÔØdatasheet
¼ÓÈ빺Îï³µ
SCT61240QFJCR
  • ²úÆ·ÏÈÈÝ
  • ÊÖÒÕ×ÊÁÏ
  • ²ÎÊý±ÈÕÕ

²úÆ·ÌØÕ÷

ÌØÕ÷
  • ¿íVINÊäÈëµçѹ¹æÄ££º4V-19V
  • ͬ²½¸ßѹBuck1£º×î¸ß1.2AÒ»Á¬Êä³öµçÁ÷, ƾ֤LDOÊä³ö×Ô¶¯µ÷ÀíÊä³öµçѹ
  • ͬ²½µÍѹBuck2£º×î¸ß0.6AÒ»Á¬Êä³öµçÁ÷, Àο¿Êä³öµçѹ1.8V
  • ͬ²½µÍѹBuck3£º×î¸ß1.2AÒ»Á¬Êä³öµçÁ÷, ¿Éµ÷Êä³öµçѹ1.1V/1.2V/1.3V/1.5V£¬£¬£¬£¬µÍÔëÉù¸ßPSRR
  • µÍÖÁ1uA¹Ø¶ÏµçÁ÷
  • Àο¿2.2MHz¿ª¹ØÆµÂÊ
  • ¼¯³É¶¶Æµ
  • FCCMģʽ
  • 6ÖÖʱÐò¿Éµ÷
  • 9ÖÖÊä³öµçѹ¿Éµ÷
  • ÍÆÍìµÄPGÊä³ö
  • ÊäÈë¹ýѹ±£»£»¤
  • Êä³ö¹ýѹ±£»£»¤
  • Êä³öǷѹ±£»£»¤
  • Êä³ö¹ýÁ÷±£»£»¤
  • ¿Éµ÷µÄǷѹ×ÔËø
  • ¹ýα£»£»¤
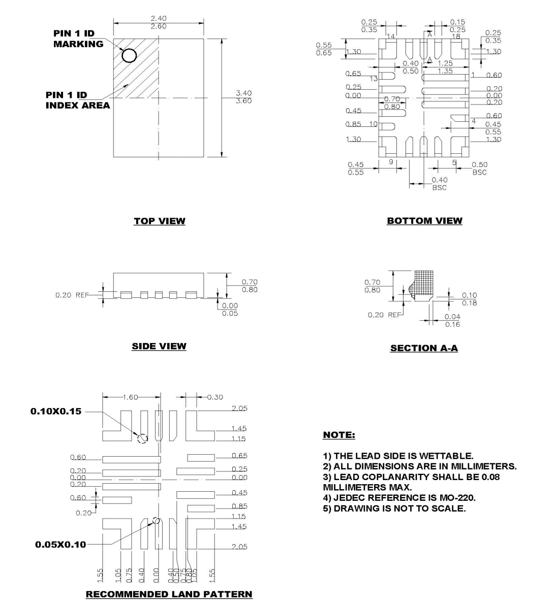
  • QFN-18L(2.5mm*3.5mm)·â×°
 
ÐÎò

SCT61240QÊÇÒ»¿îÕë¶ÔÆû³µÉãÏñͷϵͳµÄ¸ß¶È¼¯³ÉµçÔ´ÖÎÀíIC£¨PMIC£©¡£¡£¡£ Ëü¼¯³ÉÁËÈý¸ö¸ßЧͬ²½BUCKת»»Æ÷£¨HVBUCK1¡¢LVBUCK2¡¢LVBUCK3£©ºÍ¸ßPSRRµÍÔëÉùLDO£¬£¬£¬£¬ËùÓÐÊä³ö¾ù¾ßÓÐOV/UV¼à¿Ø¡£¡£¡£
VOUT1ÊÇBUCK1µÄÊä³ö£¬£¬£¬£¬ÓÉVIN£¨PoC£©¹©µç£¬£¬£¬£¬¿ÉÒÔÊä³ö1.2AÒ»Á¬µçÁ÷£¬£¬£¬£¬Êä³öµçѹÉèÖÃΪLDOOUT+300mV/500mV»òÀο¿3.3V¡£¡£¡£
VOUT2ÊÇBUCK2µÄÊä³ö£¬£¬£¬£¬ÓÉVOUT1¹©µç£¬£¬£¬£¬¿ÉÒÔÊä³ö600mAÒ»Á¬µçÁ÷£¬£¬£¬£¬Êä³öµçѹÀο¿Îª1.8V¡£¡£¡£
VOUT3ÊÇBUCK3µÄÊä³ö£¬£¬£¬£¬ÓÉVOUT1¹©µç£¬£¬£¬£¬¿ÉÒÔÊä³ö1.2AÒ»Á¬µçÁ÷£¬£¬£¬£¬Í¨¹ý²î±ðRSET PINµç×èÊä³öµçѹ¿ÉÉèÖÃΪ1.1V/1.2V/1.3V/1.5V¡£¡£¡£
LDOOUTÊÇLDOµÄÊä³ö£¬£¬£¬£¬ÓÉVOUT1¹©µç£¨ÐèÒª½«LDOINÅþÁ¬µ½VOUT1£©£¬£¬£¬£¬¿ÉÒÔÊä³ö300mAÒ»Á¬µçÁ÷£¬£¬£¬£¬Í¨¹ý²î±ðRSET PINµç×èÊä³öµçѹ¿ÉÉèÖÃΪ2.7V/2.8V/2.9V/3.3V¡£¡£¡£
ÒÀ¸½½ô´ÕµÄQFN2.5x3.5·â×°£¬£¬£¬£¬SCT61240Q´ó´óïÔÌ­ÁËÍâΧԪ¼þÊý£¬£¬£¬£¬½ÚÔ¼PCB²¼°åÃæ»ý¡£¡£¡£
 
Ó¦ÓÃ

ADAS
ÉãÏñÍ·Ä£×é ²ÕÄÚ¼à¿Ø

·â×°ÐÅÏ¢

SCT61240QFJCR
+ -

²ÎÊý±ÈÕÕ

¼ÓÈë±ÈÕÕ
¶àͨµÀµçÔ´ÖÎÀíPMIC ϵͳ¼¯³É
±ÈÕÕ²ÎÊý
{{ goods }}
¶àͨµÀµçÔ´ÖÎÀíPMIC ϵͳ¼¯³É
{{ item.attr_name }} {{ vo }}
¡¾ÍøÕ¾µØÍ¼¡¿¡¾sitemap¡¿