½ðʨ¹ó±ö»á

¹¦ÂÊ½Ó¿Ú ¹¦ÂʽӿÚ
SCT41100BMNER ÕýÔÚ¹©»õ
4.1-40V 75-m¦¸ µ¥Í¨µÀÖÇÄܸ߱߿ª¹Ø
¼ÓÈ빺Îï³µ
SCT41100BMNER
  • ²úÆ·ÏÈÈÝ
  • ÊÖÒÕ×ÊÁÏ
  • ²ÎÊý±ÈÕÕ

²úÆ·ÌØÕ÷

ÌØÕ÷£º
  • µ¥Í¨µÀ75-mΩÖÇÄܸ߱߿ª¹Ø£¬£¬£¬£¬´øÈ«Õï¶Ï¹¦Ð§
  • µçÁ÷¼ì²âÄ£ÄâÊä³ö
  • ¿íÊÂÇéµçѹ£º4.1VÖÁ40V
  • ¸ß¾«¶ÈµçÁ÷¼ì²â£º500mAʱΪ±15%£¬£¬£¬£¬50mAʱΪ±30%
  • ¿Éµ÷µçÁ÷ÏÞÖÆ£º>250mAʱΪ±30%£¬£¬£¬£¬>500mAʱΪ15%
  • ± £»£»£»£»£»£»¤¹¦Ð§£º
    • ¶ÔµØ¶Ì·± £»£»£»£»£»£»¤µÄµçÁ÷ÏÞÖÆ£¨ÄÚ²¿»òÍⲿ£©
    • ÈȰڶ¯Ê½¹ýα £»£»£»£»£»£»¤
    • ÓÅ»¯Ñ¹°ÚÂʵĵç¸Ð¸ºÔظºµçѹǯ
    • GNDɥʧ± £»£»£»£»£»£»¤ºÍµç³ØÉ¥Ê§± £»£»£»£»£»£»¤
  • Õï¶Ï¹¦Ð§£º
    • ¹ýµçÁ÷ºÍ½ÓµØ¶Ì·¼ì²â
    • ·­¿ªºÍ¹Ø±Õ״̬ϵĿªÂ·¸ºÔØ/µç³Ø¶Ì·¼ì²â
    • ¿ìËÙÓ²¼þÖÐÖ¹µÄÈ«¾Ö¹ÊÕϱ¨¸æ
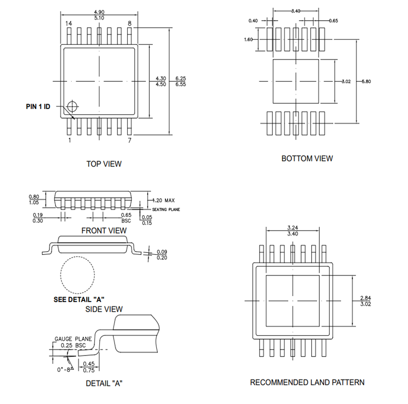
  • ÌṩETSSOP-14·â×°
 
ÐÎò£º
SCT41100BÊÇÒ»¸ö± £»£»£»£»£»£»¤ÆëÈ«µÄµ¥Í¨µÀÖÇÄܸ߱߿ª¹Ø£¬£¬£¬£¬¼¯³ÉÁË75-mΩ N MOSFETs¡£¡£¡£¡£¸Ã×°±¸¼¯³É¸ß¾«¶ÈµçÁ÷¼ì²â£¬£¬£¬£¬Ê¹Õï¶ÏÔ½·¢×¼È·¡£¡£¡£¡£SCT41100BÌṩµçÁ÷ÏÞÖÆ¡¢¹ýα £»£»£»£»£»£»¤¡£¡£¡£¡£ÍêÕûµÄÕï¶Ï¹¦Ð§¿ÉʵÏÖ¸ºÔصÄÖÇÄÜ¿ØÖÆ¡£¡£¡£¡£¸ÃÆ÷¼þ½ÓÄÉ14 ¹Ü½ÅµÄETSSOP-14·â×°¡£¡£¡£¡£
 
Ó¦Óãº
  • ¸ß±ß¼ÌµçÆ÷Çý¶¯Æ÷
  • ×ÓÄ£¿£¿éµçÔ´µÄµçÔ´¿ª¹Ø
  • µÍ¹¦ÂʵƵçÔ´¿ª¹Ø
  • Ò»Ñùƽ³£µç×è¡¢µç¸ÐºÍµçÈݸºÔØ

·â×°ÐÅÏ¢

SCT41100BMNER
+ -

ÊÖÒÕ×ÊÁÏ

ÎÊÌâ ʱ¼ä ÏÂÔØ
SCT41100 Datasheet Rev 0.82 2024-12-16 ÏÂÔØ

²ÎÊý±ÈÕÕ

¼ÓÈë±ÈÕÕ
ÖÇÄÜ¿ª¹Ø µçÔ´¿ª¹Ø
±ÈÕÕ²ÎÊý
{{ goods }}
ÖÇÄÜ¿ª¹Ø µçÔ´¿ª¹Ø
{{ item.attr_name }} {{ vo }}
¡¾ÍøÕ¾µØÍ¼¡¿¡¾sitemap¡¿