²úÆ·ÖÐÐÄ
| ÎÊÌâ | ʱ¼ä | ÏÂÔØ |
|---|---|---|
| SCT55611 Datasheet Rev 0.81 | 2024-12-16 |
|
| ±ÈÕÕ²ÎÊý |
{{ goods }}
|
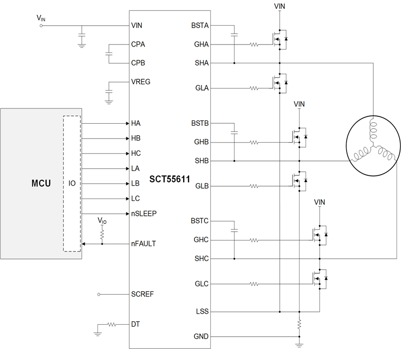
µç»úÇý¶¯Æ÷ ¹¦ÂÊ¿ØÖÆ
|
|---|---|---|
| {{ item.attr_name }} | {{ vo }} |