½ðʨ¹ó±ö»á

¹¦ÂÊ¿ØÖÆ ¹¦ÂÊ¿ØÖÆ
SCT55610QZAR ÕýÔÚ¹©»õ
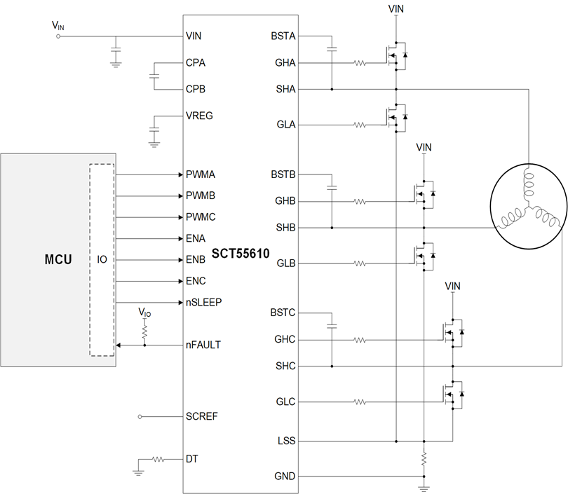
5~60V£¬£¬£¬£¬£¬£¬ÈýÏàÎÞË¢Ö±Á÷µç»úÔ¤Çý¶¯Æ÷
¼ÓÈ빺Îï³µ
SCT55610QZAR
  • ²úÆ·ÏÈÈÝ
  • ÊÖÒÕ×ÊÁÏ
  • ²ÎÊý±ÈÕÕ

²úÆ·ÌØÕ÷

ÌØÕ÷£º
 
  • ¿íÊäÈëµçѹ¹æÄ££º5V-60V
  • ÄÚÖõçºÉ±Ã±¬·¢Çý¶¯µçѹ
  • Ö§³Ö100%Õ¼¿Õ±ÈÔËÐÐ
  • ×î´ó·åÖµÔ´µçÁ÷£º1A
  • ×î´ó·åÖµ¹àµçÁ÷£º2A¼æÈÝ3.3VºÍ5VÂß¼­µçƽ
  • ¹¦ºÄ˯ÃßģʽËÀÇøÊ±¼ä¿Éµ÷Àí
  • ¾ßÓйÊÕϱ¨¾¯Ö¸Ê¾Òý½Å
  • ÍêÕûµÄ±£»£»¤ÌØÕ÷£º
    • ¹ýÁ÷±£»£»¤
    •  ¶Ì·±£»£»¤
    • ÊäÈëÇ·Ñ¹Ëø¶¨
    • Çý¶¯Ç·Ñ¹Ëø¶¨
    • ×Ô¾ÙµçÈÝǷѹ±£»£»¤
    • ¹ýα£»£»¤
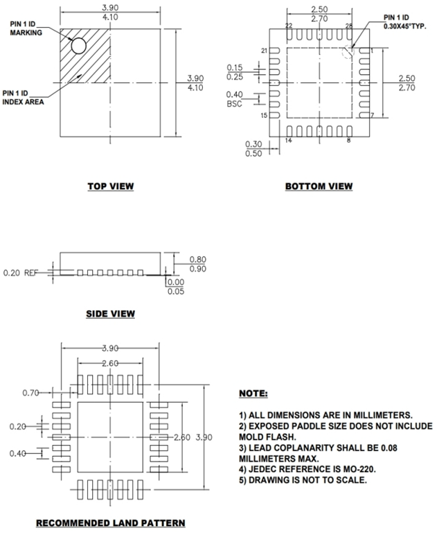
  • ½ÓÄÉ4mm×4mmµÄQFN-28L·â×°
 
ÐÎò£º
 
SCT55610ÊÇÒ»¿î¸ß¼¯³É¶ÈµÄÈýÏàÎÞË¢Ö±Á÷µç»úÕ¤¼«Çý¶¯Æ÷£¬£¬£¬£¬£¬£¬¿ÉͬʱÇý¶¯3¸ö¸ß²à¼°3¸öµÍ²àN¹µµÀMOSFET£¬£¬£¬£¬£¬£¬Ö§³Ö5VÖÁ60VµÄ¿íÊäÈëµçѹ¹æÄ£¡£¡£
SCT55610ÄÚÖø߲àÕ¤¼«ä¸Á÷³äµçµç·£¬£¬£¬£¬£¬£¬Ö§³Ö100%Õ¼¿Õ±ÈÔËÐС£¡£Í¬Ê±Ö§³ÖµÍ¹¦ºÄ˯Ãßģʽ£¬£¬£¬£¬£¬£¬ÊµÏÖ¼«µÍµÄ´ý»úµçÁ÷¡£¡£
SCT55610ÌṩÍêÕûµÄ±£»£»¤ÌØÕ÷£¬£¬£¬£¬£¬£¬°üÀ¨¹ýÁ÷±£»£»¤£¬£¬£¬£¬£¬£¬¶Ì·±£»£»¤£¬£¬£¬£¬£¬£¬ÊäÈëÇ·Ñ¹Ëø¶¨£¬£¬£¬£¬£¬£¬Çý¶¯Ç·Ñ¹Ëø¶¨£¬£¬£¬£¬£¬£¬×Ô¾ÙµçÈÝǷѹ±£»£»¤ÒÔ¼°¹ýα£»£»¤¡£¡£ÕâЩ¹ÊÕÏÐÅÏ¢½«»áͨ¹ý¿ªÂ©Êä³öÒý½ÅnFAULTָʾ¡£¡£
SCT55610½ÓÄÉ4mm×4mmµÄQFN-28L·â×°¡£¡£
 
 
Ó¦Óãº
 
  • ÈýÏàÎÞË¢Ö±Á÷µç»ú
  • µçÉÈ
  • ±Ã
  • ÎÞÈË»ú
  • ɨµØ»úеÈË

·â×°ÐÅÏ¢

SCT55610QZAR
+ -

ÊÖÒÕ×ÊÁÏ

ÎÊÌâ ʱ¼ä ÏÂÔØ
SCT55610 Datasheet Rev 0.82 2024-12-16 ÏÂÔØ

²ÎÊý±ÈÕÕ

¼ÓÈë±ÈÕÕ
µç»úÇý¶¯Æ÷ ¹¦ÂÊ¿ØÖÆ
±ÈÕÕ²ÎÊý
{{ goods }}
µç»úÇý¶¯Æ÷ ¹¦ÂÊ¿ØÖÆ
{{ item.attr_name }} {{ vo }}
¡¾ÍøÕ¾µØÍ¼¡¿¡¾sitemap¡¿