½ðʨ¹ó±ö»á

ÊÖÒÕ²©¿Í ÊÖÒÕ²©¿Í

ÊÖÒÕ²©¿Í

Technical Blog

dz̸¿ª¹ØµçÔ´EMIÓÅ»¯Éè¼Æ-·øÉäÆª

ʱ¼ä:2025-02-19 ȪԴ: SCT½ðʨ¹ó±ö»á¿Æ¼¼

ÔÚÉÏһƪÎÄÕÂÖУ¬£¬£¬ÎÒÃÇÏêϸÌÖÂÛÁË¿ª¹ØµçÔ´Öд«µ¼µç´Å×ÌÈÅ£¨EMI£©ÎÊÌ⣬£¬£¬²¢·ÖÏíÁËʹÓòîÄ£ºÍ¹²Ä£Â˲¨Æ÷¡¢Ë¢ÐÂPCB½á¹¹µÈÓÅ»¯ÒªÁì¡£¡£¡£¡£½ñÌ죬£¬£¬ÎÒÃǽ«¼ÌÐøÉîÈë̽ÌÖÁíÒ»ÖÖÒªº¦µÄEMIÐÎʽ——·øÉäEMI¡£¡£¡£¡£

ÄãÊÇ·ñÓöµ½¹ýÕâÑùµÄÇéÐΣºÉè¼ÆÁËÒ»¿îеĵç×Ó²úÆ·£¬£¬£¬µ«ÔÚijЩƵ¶ÎÏ£¬£¬£¬Ëü»á¶ÔÖÜΧµÄ×°±¸±¬·¢×ÌÈÅ£¬£¬£¬ÉõÖÁÔÚEMC²âÊÔÖÐδÄÜͨ¹ý£¿£¿£¿£¿£¿£¿ÕâºÜ¿ÉÄܾÍÊÇÓÉÓÚ·øÉäEMIµ¼ÖµÄ¡£¡£¡£¡£µ±¿ª¹ØµçÔ´ÖеĵçÁ÷ת±ä±¬·¢Î´±»¿ØÖƵĵ糡ºÍ´Å³¡Ê±£¬£¬£¬ÕâЩÄÜÁ¿»áÒÔÎÞÏߵ粨µÄÐÎʽÏòÍâ·øÉ䣬£¬£¬Ó°ÏìÖÜΧµç×Ó×°±¸µÄÕý³£ÊÂÇé¡£¡£¡£¡£

Ò»¡¢·øÉäEMIµÄ²âÊÔÏÈÈÝ

ͼ1 ·øÉä·¢Éä²âÊÔ£¨RE£©Ê¾Òâͼ

EMCÈýÒªËØ£º×ÌÈÅÔ´¡¢ñîºÏ;¾¶¡¢Ãô¸Ð×°±¸

×ÌÈÅÔ´£ºÊܲâ×°±¸£¨EUT£©ÒÔ¼°ÊäÈëÊä³öÏß¡£¡£¡£¡£

ñîºÏ;¾¶£º´ó¶¼Îª¿Õ¼äñîºÏ£¬£¬£¬´Å³¡»òµç³¡Èö²¥¡£¡£¡£¡£

Ãô¸Ð×°±¸£ºÌìÏߣ¬£¬£¬Æ¾Ö¤²î±ð²âÊÔÆµ¶ÎÌæ»»²âÊÔËùÓÃÌìÏߣ¬£¬£¬Í¨Àý
ÌìÏß°üÀ¨£ºµ¥¼«£¨¸Ë£©ÌìÏߣ¬£¬£¬Ë«×¶ÌìÏߣ¬£¬£¬¶ÔÊýÌìÏߣ¬£¬£¬À®°ÈÌìÏß¡£¡£¡£¡£Í¬Ê±Æ¾Ö¤²î±ð²âÊÔ±ê×¼£¬£¬£¬ÌìÏßÓëÊܲâ×°±¸¾àÀëͨ³£ÓÐ1m¡¢3m¡¢10mµÈ¡£¡£¡£¡£

¶þ¡¢·øÉäEMI±¬·¢µÄÔµ¹ÊÔ­ÓÉ

¹ØÓÚ·øÉä·¢Éä²âÊÔ£¨RE£©µÄÓÅ»¯·½·¨£¬£¬£¬Óë´«µ¼EMIµÄÓÅ»¯ÒªÁì»ùÄÚÇéͬ¡£¡£¡£¡£ÏÂÃæ£¬£¬£¬ÎÒÃÇÀ´Ì½ÌÖÆäÔµÓÉ¡£¡£¡£¡£

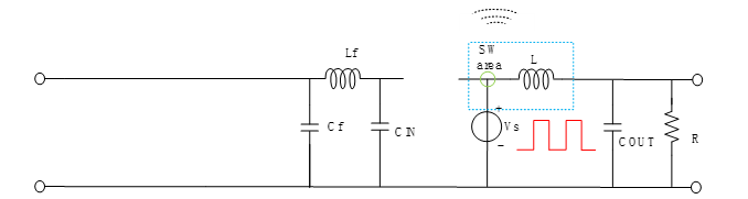
2.1 ¶ÏÐøµçÁ÷»ØÂ·Ó°Ïì

¹ØÓÚ·øÉä·¢ÉäÐèÒªÁ½¸öÌõ¼þ£¬£¬£¬¼¤ÀøÔ´ÒÔ¼°ÌìÏß¡£¡£¡£¡£Õë¶ÔDCDCÀ´Ëµ·øÉäµÄ¼¤ÀøÔ´Óë´«µ¼Ïàͬ£¬£¬£¬¶¼ÊÇ¿ìËٵĶÏÐøµçÁ÷ת±ä»ØÂ·£¨di/dt£©£¬£¬£¬ÒÔ¼°µçѹת±³Åѵ㣨dv/dt£©¡£¡£¡£¡£¶øµçѹת±³ÅѵãÖ÷Òª¶Ô30MÒÔÏ·øÉä·¢É䱬·¢Ó°Ïì¡£¡£¡£¡£

ÏÂÃæÒÔBUCKµç·ΪÀýÆÊÎö¶ÏÐøµç·»ØÂ·µÄÓ°Ïì¡£¡£¡£¡£   
            Í¼Ê¾, ʾÒâͼ

AI ÌìÉúµÄÄÚÈÝ¿ÉÄܲ»×¼È·¡£¡£¡£¡£
ͼ2 ·øÉä·¢Éä¶ÏÐøµçÁ÷»ØÂ·Ê¾Òâ

¹ØÓÚÏÖʵPCB×ßÏߣ¨»òÆÌÍ­£©×Ü»á´øÀ´¼ÄÉúµç×èÓë¼ÄÉúµç¸Ð£¬£¬£¬´Ë´¦ÎÒÃÇͳ³ÆÎª¼ÄÉú×迹-Zx¡£¡£¡£¡£¼ÄÉú¸Ð¿¹ÖµÎªjωL£¬£¬£¬ÒÔÊǵ±ÆµÂʺܸßʱ¼ÄÉú¸Ð¿¹Öµ½«»áºÜ¸ß£¬£¬£¬´ËʱZxÁ½Í·±¬·¢Ñ¹²î£¬£¬£¬ÊÓΪ¼¤ÀøÔ´£¬£¬£¬ÊäÈëÊä³öÏß¾¶±»ÊÓΪÌìÏß·¢Éä·øÉä¡£¡£¡£¡£

ͬʱÊäÈë»ØÂ·×é³É»·ÐÎÌìÏߣ¬£¬£¬Óɽ»±äµçÁ÷±¬·¢´Å³¡£¬£¬£¬ÓÉÓÚµç´Å³¡Çø·Öµãλ/2Π(λΪ²¨³¤)£¬£¬£¬´ËʱÊäÈë»ØÂ·µÄ´Å³¡Ö÷Òª¶ÔÊäÈëÏß¾¶¾ÙÐпռäñîºÏ£¬£¬£¬ÊäÈëÏß¾¶×÷ΪÌìÏß·¢Éä·øÉä¡£¡£¡£¡£

ͼʾ

AI ÌìÉúµÄÄÚÈÝ¿ÉÄܲ»×¼È·¡£¡£¡£¡£
ͼ3 µç´Å³¡½ü³¡£¬£¬£¬Ô¶³¡Ê¾Òâͼ

2.2 µçѹת±³ÅѵãÓ°Ïì

ͼƬ
ͼ4 µçѹת±³ÅѵãʾÒâ

¹ØÓÚSW½ÚµãÖ÷ÒªÊÇ¿ìËÙµçѹת±ä£¨dv/dt£©¡£¡£¡£¡£´ËʱÏòÍâ·¢Éäµç³¡ÐźÅ£¬£¬£¬Ö÷Ҫͨ¹ýµç¸ÐÒÔ¼°SWÆÌÍ­×÷ΪÌìÏß¶ÔÍâ¾ÙÐÐÓ°Ïì¡£¡£¡£¡£ÓÉÓÚÈÝÒ×±»µ¥¼«£¨¸Ë£©ÌìÏßÎüÊÕ£¬£¬£¬´ËʱÖ÷ÒªÓ°Ïì30MHzÒÔϵķøÉä·¢Éä²âÊÔ¡£¡£¡£¡£

Èý¡¢·øÉäEMIµÄÓÅ»¯Õ½ÂÔ

3.1 ¶ÏÐøµçÁ÷»ØÂ·ÓÅ»¯

ÒÔBUCKµç·ΪÀý£¬£¬£¬ÊäÈë»ØÂ·Ëù·¢ÉäµÄ´Å³¡ÓëµçÁ÷ÒÔ¼°ÊäÈë»ØÂ·µÄÃæ»ý³ÉÕý±È£¬£¬£¬ÊäÈëµçÁ÷ºÜÄѱäС£¬£¬£¬´Ëʱ¾¡¿ÉÄܼõСÊäÈë»ØÂ·µÄÃæ»ýÊÇÓÐÓõÄÊֶΡ£¡£¡£¡£ÊäÈëµçÈÝÓ¦¾¡¿ÉÄÜÓ빦Âʹܺͻù×¼µØ£¨ÐøÁ÷¹Ü½ÓµØ´¦£©×ã¹»½ü£¬£¬£¬Ê¹ÊäÈë»ØÂ·¾¡¿ÉÄܵÄС£¬£¬£¬´Ëʱ×ßÏßÉϵļÄÉú×迹Ҳ»á±äСÇÒ½øÒ»²½ÓÅ»¯£¬£¬£¬ÕâÓë´«µ¼·¢ÉäÖеÄÓÅ»¯Ò»Ö¡£¡£¡£¡£

ͬʱֻ¹ÜʹÓÃ4²ãÒÔÉϵÄPCBÉè¼Æ¡£¡£¡£¡£Ó¦Ö»¹Ü°ü¹ÜÆäÖÐÒ»²ãÔÚ¶ÏÐøµçÁ÷»ØÂ·ÏÂÊÇÒ»ÕûƬµÄµØ£¬£¬£¬´Ëʱ¶ÏÐøµçÁ÷»ØÂ·µÄ´Å³¡ÔÚµØÉϻ᷺ÆðÏà·´µÄÎÐÁ÷Ï໥µÖÏû¡£¡£¡£¡£Í¬Ê±ÕûƬµÄµØÍ¨¹ý´ò¹ý¿×¿ÉÒÔÀû±ã×îС»ØÂ·µÄÉè¼Æ¡£¡£¡£¡£

ÔöÌí¹²Ä£µç¸Ð£¨»òÊäÈëÕý¸º¼«ÔöÌíÏàͬµç¸Ð£©£¬£¬£¬´Ëʱ»á¶Ô×ßÏß¼ÄÉú×迹ÒýÆðµÄ¼¤ÀøÔ´Æðµ½ÒÖÖÆ×÷Óᣡ£¡£¡£

ͼƬ
ͼ5 ÕûƬµØÎÐÁ÷ʾÒâͼ

3.2 µçѹת±³ÅѵãÓÅ»¯

¹ØÓÚµçѹת±³ÅÑµã·øÉäÓÅ»¯Óë´«µ¼µÄÓÅ»¯»ùÄÚÇéͬ£¬£¬£¬ÆÌÍ­Ãæ»ýÖ»¹ÜµÄС£¬£¬£¬¾¡¿ÉÄÜѡȡÆÁÕÏЧ¹ûºÃµÄµç¸Ð£¬£¬£¬Ñ¡È¡Ð¡Ìå»ýµÄµç¸ÐµÈ¡£¡£¡£¡£ÓÉÓÚ¹¦ÂÊÒÔ¼°±¥ºÍµçÁ÷µÄÏÞÖÆÎÞ·¨µç¸ÐÌå»ýÎÞ·¨¿ØÖÆÊ±£¬£¬£¬¶Ô¿ªÊàŦµã£¨ÆÌÍ­ÒÔ¼°µç¸Ð£©¾ÙÐÐÆÁÕÏÊÇ×îºóµÄ½â¾ö¼Æ»®¡£¡£¡£¡£

ËÄ¡¢Ð¾Æ¬Ñ¡ÐͶԷøÉäÓ°Ïì

4.1Ñ¡Ôñ¾ßÓжԳÆÉè¼ÆµÄÊäÈë½ÅµÄоƬ

ÈçͼËùʾÊäÈë»ØÂ·µÄ´Å¸ÐÓ¦Ï߻ᴦÓÚÏà·´µÄÆ«Ïò¾ÙÐеÖÏû£¬£¬£¬´Ó¶øÓÅ»¯¶ÏÐøµçÁ÷»ØÂ·¡£¡£¡£¡£½ðʨ¹ó±ö»á¿Æ¼¼SCT2434A/CQ£¬£¬£¬SCT2464QµÈ²úÆ·ÊǽÓÄɶԳÆÉè¼ÆµÄEMIÓÅ»¯Æ÷¼þ¡£¡£¡£¡£

ͼ6 SCT2434CQ ÊäÈëµçÁ÷»ØÂ·

4.2 ¶¶Æµ

´øÓж¶Æµ¹¦Ð§µÄ²úÆ·Äܹ»½«ÄÜÁ¿ÂþÑܵ½²î±ðƵÂÊÇøÓò£¬£¬£¬ÏÔÖøÌáÉý¶ÏÐøµçÁ÷»ØÂ·ºÍµçѹת±³ÅѵãµÄ·øÉäÐÔÄÜ¡£¡£¡£¡£ÌØÊâÊǵ±²âÊÔÁè¼Ý¿ª¹ØÆµÂʱ¶ÆµµÄƵµãʱ£¬£¬£¬¶¶Æµ¹¦Ð§µÄЧ¹ûÓÈΪÏÔ×Å¡£¡£¡£¡£½ðʨ¹ó±ö»á¿Æ¼¼µÄ40VºÍ60VϵÁвúÆ·¾ùÅ䱸Á˶¶Æµ¹¦Ð§£¬£¬£¬×ÊÖú¿Í»§¸üºÃµØÓ¦¶ÔEMIÌôÕ½£¬£¬£¬ÌáÉýϵͳÎȹÌÐÔ¡£¡£¡£¡£

4.3 Ä£×é²úÆ·

ÔÚÄ£×é²úÆ·Éè¼ÆÖУ¬£¬£¬¼¯³Éµç¸ÐºÍÊäÈëСµçÈݶÔÓÅ»¯¶ÏÐøµçÁ÷»ØÂ·ºÍ¿ªÊàŦµãÆÌÍ­Ãæ»ýÖÁ¹ØÖ÷Òª¡£¡£¡£¡£½ðʨ¹ó±ö»á¿Æ¼¼ÍƳöµÄSCT2230MºÍSCT2160MÄ£×é²úÆ·£¬£¬£¬²»µ«ÊµÏÖÁË¿ªÊàŦµãÆÌÍ­Ãæ»ýµÄ×îС»¯£¬£¬£¬»¹Í¨¹ý¼¯³ÉÊäÈëСµçÈÝÏÔÖøÓÅ»¯Á˶ÏÐøµçÁ÷»ØÂ·¡£¡£¡£¡£ÏÖÔÚ£¬£¬£¬ÕâЩģ×é²úÆ·ÒѾ­Á¿²ú£¬£¬£¬Îª¿Í»§Ìṩ¸ßЧ¡¢¿É¿¿µÄµçÔ´½â¾ö¼Æ»®¡£¡£¡£¡£

ͨ¹ýÉÏÊöÆÊÎöºÍÓÅ»¯Õ½ÂÔ£¬£¬£¬¹¤³ÌʦÃÇ¿ÉÒÔ¸üºÃµØÓ¦¶Ô·øÉäEMI´øÀ´µÄÌôÕ½£¬£¬£¬È·±£²úÆ·µÄµç´Å¼æÈÝÐÔ¡£¡£¡£¡£Î´À´£¬£¬£¬Ëæ×ÅÊÖÒÕµÄǰ½ø£¬£¬£¬ÎÒÃÇÆÚ´ý¸ü¶àÁ¢ÒìµÄÉè¼Æ¼Æ»®·ºÆð£¬£¬£¬×ÊÖú½â¾öÈÕÒæÖØ´óµÄµç´Å×ÌÈÅÎÊÌâ¡£¡£¡£¡£

ÄãÊÇ·ñÓöµ½¹ýÀàËÆµÄ·øÉäEMIÎÊÌ⣿£¿£¿£¿£¿£¿»òÕßÄãÓÐÆäËûÓÐÓõķøÉäEMIÒÖÖÆÒªÁì»ò°¸Àý·ÖÏí£¿£¿£¿£¿£¿£¿½Ó´ýÔÚ̸ÂÛÇøÁôÑÔ½»Á÷£¡

¡¾ÍøÕ¾µØÍ¼¡¿¡¾sitemap¡¿